GM Service Manual Online
For 1990-2009 cars only
Makes
🢒
Buick
🢒
2000
🢒
Park Avenue
🢒 Temperature Controls
Temperature Controls
Temperature Controls
HVAC Components
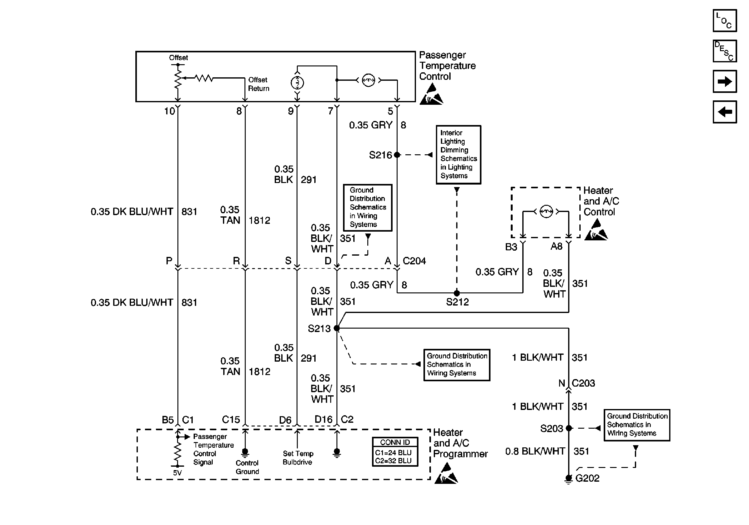
HVAC Air Delivery/Temperature Control Circuit Description
Steering Wheel Controls
Sensors
Handling ESD Sensitive Parts Notice
Handling ESD Sensitive Parts Notice
Handling ESD Sensitive Parts Notice
Dimming Control: Passenger Temperature Control, Ashtray, and Heated Seat Switches Backlighting
G202, 2 of 4
G202, 2 of 4
G202, 1 of 4