GM Service Manual Online
For 1990-2009 cars only
Makes
🢒
Buick
🢒
2000
🢒
Park Avenue
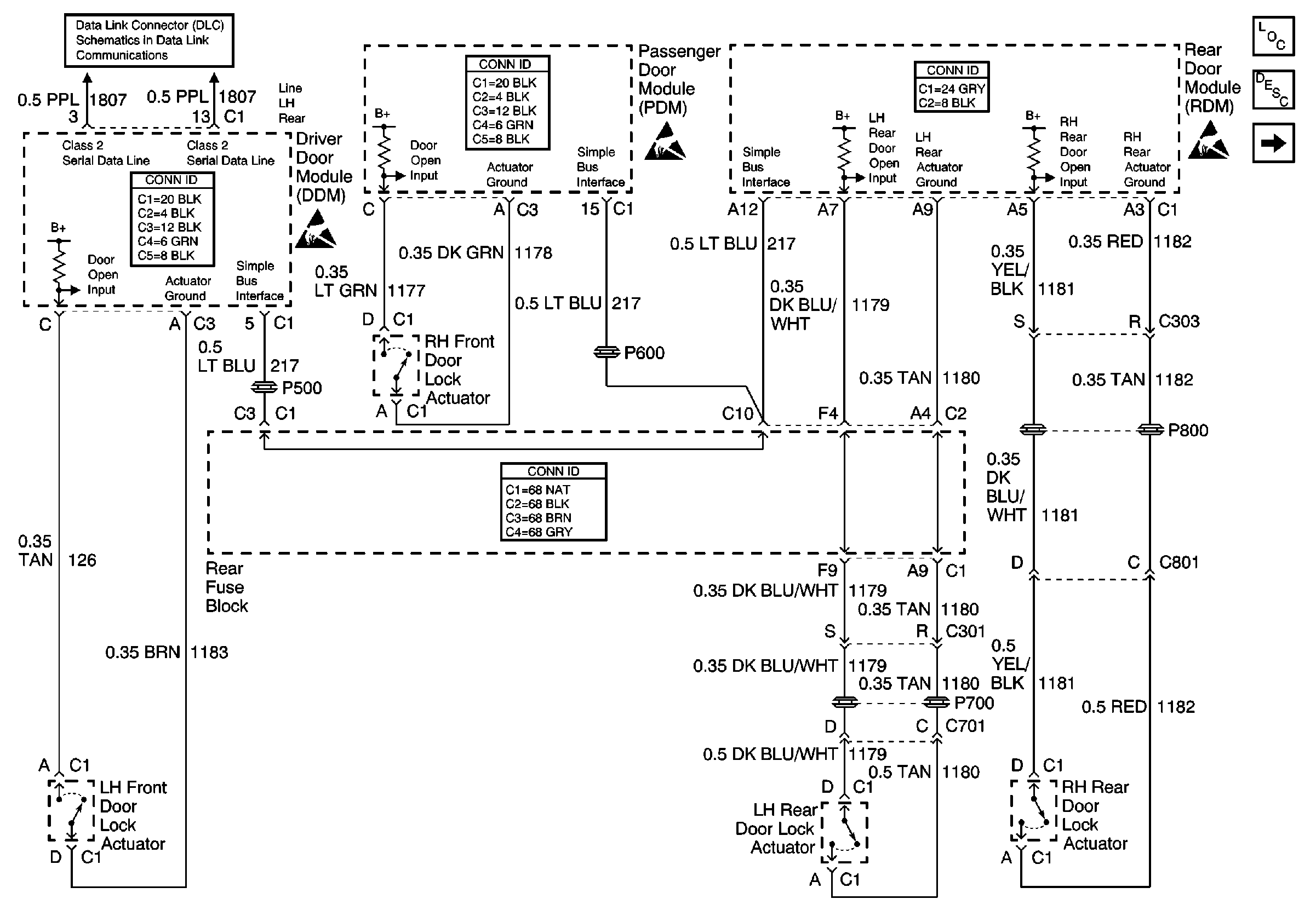
🢒 Door Open Inputs
Door Open Inputs
Door Open Inputs
Lighting Systems Components
Interior Lights Circuit Description
Courtesy Lamp Switch, LH Door Courtesy Lamps, and IP Compartment Lamp
Class 2 Serial Data Line
Handling ESD Sensitive Parts Notice
Handling ESD Sensitive Parts Notice
Handling ESD Sensitive Parts Notice