GM Service Manual Online
For 1990-2009 cars only

Object Number: 572030  Size: MF
Engine Controls Components
Sensors
Handling ESD Sensitive Parts Notice
OBD II Symbol Description Notice
Handling ESD Sensitive Parts Notice

Circuit Description

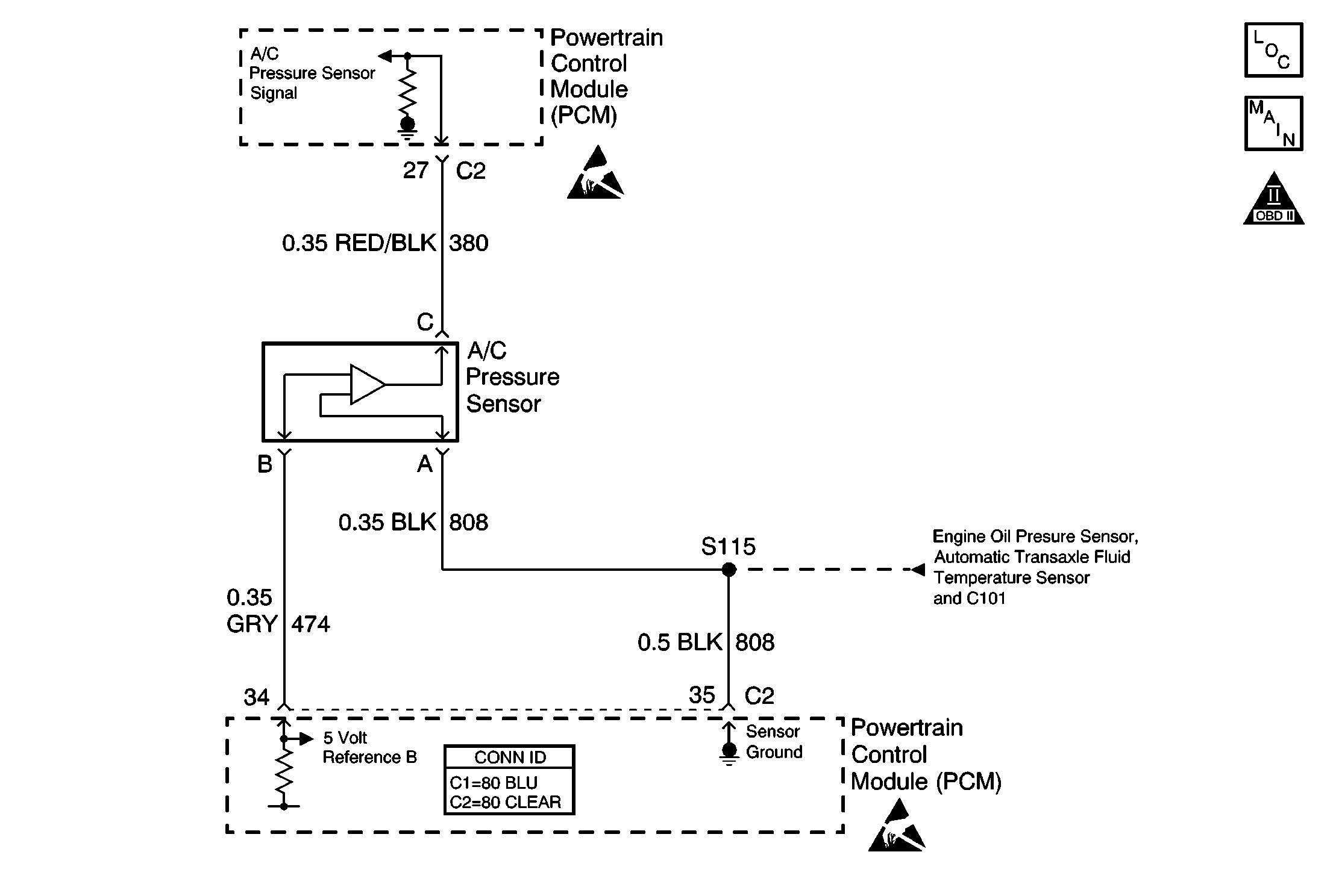
The A/C system uses an A/C refrigerant pressure sensor mounted in the high pressure side of the A/C refrigerant system to monitor A/C refrigerant pressure. The PCM uses this information to turn ON the engine coolant fans when the A/C refrigerant pressure is high and to keep the compressor disengaged when A/C refrigerant pressure is excessively high or low. The A/C refrigerant pressure sensor operates like other 3-wire sensors. The PCM applies a 5.0 volt reference and a sensor ground to the sensor. Changes in the A/C refrigerant pressure will cause the A/C refrigerant pressure input to the PCM to vary. The PCM monitors the A/C refrigerant pressure signal circuit and can determine when the signal is outside of the possible range of the sensor. When the signal is out of range (high or low) for a prolonged period of time, the PCM will set DTC P0530. When DTC P0530 is set, the PCM will not allow the A/C compressor clutch to engage. This is done to protect the compressor.

Conditions for Running the DTC

    • The engine is running.
    • A/C is requested

Conditions for Setting the DTC

The A/C refrigerant pressure sensor signal voltage is less than 0.1 volt.

OR

The A/C refrigerant pressure sensor signal voltage is more than 4.9 volts.

Either of the above conditions for more than 20 seconds.

Action Taken When the DTC Sets

The PCM stores conditions which were present when the DTC set as Failure Records only. This information will not be stored as Freeze Frame Records.

Conditions for Clearing the MIL/DTC

    • The DTC becomes history when the conditions for setting the DTC are no longer present.
    • The history DTC clears after 40 malfunction free warm-up cycles.
    • The PCM receives a clear code command from the scan tool.

Diagnostic Aids

Check for the following conditions:

Important: Be sure to inspect PCM engine grounds for being secure and clean.

    • Poor connection at PCM and A/C refrigerant sensor.
         Inspect harness connectors for backed out terminals, improper mating, broken locks, improperly formed or damaged terminals, poor terminal to wire connections.
    • Damaged harness.
        Inspect the wiring harness for damage. If the harness appears to be OK, observe the A/C pressure display on the scan tool while moving connectors and wiring harnesses related to the A/C refrigerant pressure sensor. A change in the A/C pressure display will indicate the location of the malfunction.

If DTC P0530 cannot be duplicated, reviewing the Failure Records vehicle mileage since the diagnostic test last failed may help determine how often the condition that caused the DTC to be set occurs. This may assist in diagnosing the condition.

Test Description

The numbers below refer to the step numbers on the diagnostic table.

  1. If the A/C Refrigerant Pressure Signal voltage stays high after disconnecting the A/C refrigerant pressure sensor electrical connector, the signal circuit is shorted to voltage or the PCM is faulty.

  2. Tests for a high resistance or an open in the ground circuit.

  3. This vehicle is equipped with a PCM which utilizes an Electrically Erasable Programmable Read Only Memory (EPROM). When the PCM is being replaced, the new PCM must be programmed.

Step

Action

Values

Yes

No

1

Important: If DTC P1639 5 Volt Reference 2 Circuit is also set, perform that diagnostic first.

Did you perform the Powertrain On-Board (OBD) Diagnostic System Check?

--

Go to Step 2

Go to Powertrain On Board Diagnostic (OBD) System Check

2

  1. Turn ON the ignition.
  2. With a scan tool, observe the A/C pressure sensor parameter.

Does the scan tool indicate the parameter is within the specified range?

0.1V to 4.9V

Go to Diagnostic Aids

Go to Step 3

3

  1. Turn OFF the ignition.
  2. Disconnect the A/C pressure sensor
  3. Turn ON the ignition.
  4. With a scan tool, observe the A/C High Side Pressure Sensor voltage.

Does the scan tool indicate the parameter is less than the specified value?

0.1V

Go to Step 4

Go to Step 10

4

  1. Turn OFF the ignition.
  2. Connect a 3 amp fused jumper wire between the 5 volt reference circuit and the signal circuit.
  3. Turn ON the ignition.
  4. With a scan tool, observe the A/C pressure sensor parameter.

Does the scan tool indicate the parameter is more than the specified value?

4.9V

Go to Step 5

Go to Step 8

5

  1. Disconnect the fused jumper wire.
  2. Measure the voltage between the 5 volt reference circuit and the ground circuit.

Does the voltage measure less than the specified value?

5.1V

Go to Step 6

Go to Step 7

6

  1. Disconnect the negetive battery cable.
  2. Measure the resistance from the ground circuit of the A/C pressure sensor to a good ground.

Does the resistance measure less than the specified value?

5 ohms

Go to Step 12

Go to Step 11

7

Test the 5 volt reference circuit for a short to voltage. Refer to Circuit Testing and Wiring Repairs in Wiring Systems.

Did you find and correct the condition?

--

Go to Step 16

Go to Step 13

8

Test the 5 volt reference circuit for a high resistance, or an open. Refer to Circuit Testing and Wiring Repairs in Wiring Systems.

Did you find and correct the condition?

--

Go to Step 16

Go to Step 9

9

Test the signal circuit for a short to ground, high resistance, or an open. Refer to Circuit Testing and Wiring Repairs in Wiring Systems.

Did you find and correct the condition?

--

Go to Step 16

Go to Step 13

10

Test the signal circuit for a short to voltage. Refer to Circuit Testing and Wiring Repairs in Wiring Systems.

Did you find and correct the condition?

--

Go to Step 16

Go to Step 13

11

Test the ground circuit for high resistance or an open. Refer to Circuit Testing and Wiring Repairs in Wiring Systems.

Did you find and correct the condition?

--

Go to Step 16

Go to Step 13

12

Inspect for poor connections at the A/C pressure sensor Refer to Testing for Intermittent Conditions and Poor Connections and Connector Repairs in Wiring Systems.

Did you find and correct the condition?

--

Go to Step 16

Go to Step 14

13

Inspect for poor connections at the PCM. Refer to Testing for Intermittent Conditions and Poor Connections and Connector Repairs in Wiring Systems.

Did you find and correct the condition?

--

Go to Step 16

Go to Step 15

14

Replace the A/C pressure sensor. Refer to Air Conditioning (A/C) Refrigerant Pressure Sensor Replacement .

Did you complete the replacement?

--

Go to Step 16

--

15

Important: The replacement PCM must be programmed.

Replace the PCM.

Refer to Powertrain Control Module Replacement/Programming .

Did you complete the replacement?

--

Go to Step 16

--

16

  1. Use the scan tool in order to clear the DTCs.
  2. Operate the vehicle within the Failure Record conditions.

Does the DTC reset?

--

Go to Step 2

System OK