GM Service Manual Online
For 1990-2009 cars only
Makes
🢒
Buick
🢒
2001
🢒
Park Avenue
🢒
Body and Accessories
🢒
Garage Door Opener
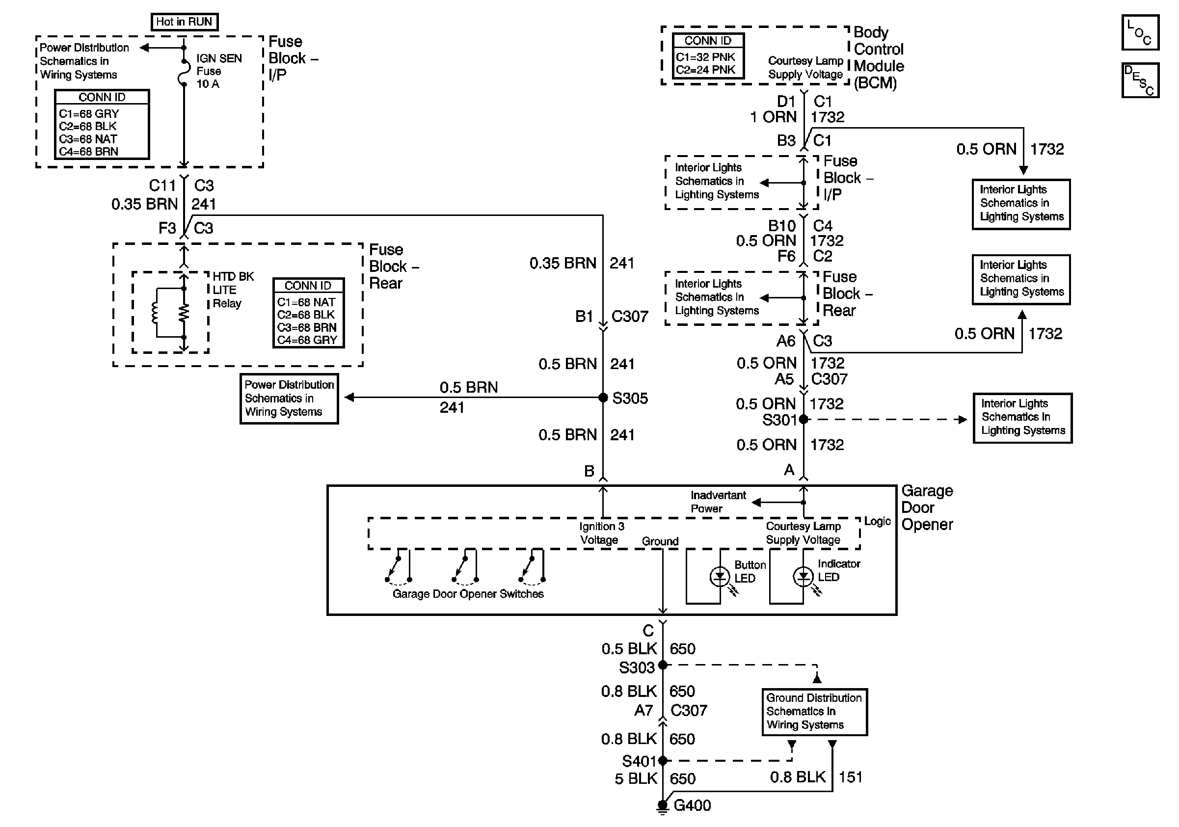
🢒 Garage Door Opener Schematics
Master Electrical Component List
Garage Door Opener Description and Operation
IP Fuse Block- IGN SEN Fuse/ Rear Fuse Block- HTD BK LITE Relay
IP Fuse Block- IGN SEN Fuse/ Rear Fuse Block- HTD BK LITE Relay
Courtesy Lamp Switch, LH Door Courtesy Lamps, and IP Compartment Lamp
Auxiliary Lighting Control, RH Door Courtesy Lamps, and Rear Compartment Lamps
Courtesy Lamp Switch, LH Door Courtesy Lamps, and IP Compartment Lamp
Auxiliary Lighting Control, RH Door Courtesy Lamps, and Rear Compartment Lamps
Vanity Mirrors and Courtesy/Reading Lamps
G400 (1 of 2)