GM Service Manual Online
For 1990-2009 cars only
Makes
🢒
Buick
🢒
2001
🢒
Park Avenue
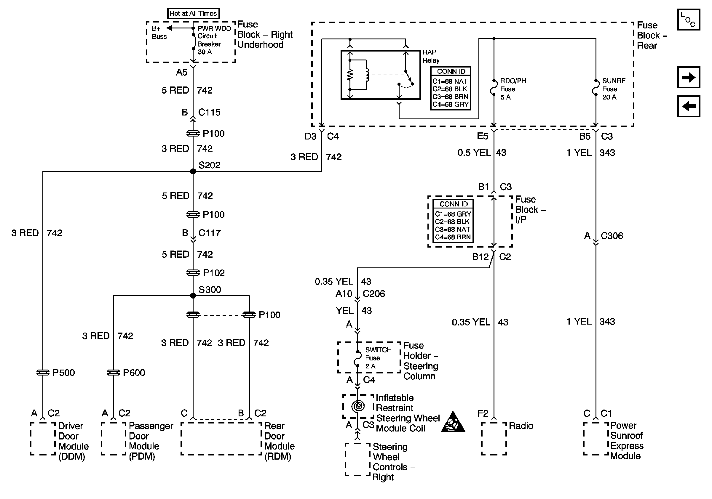
🢒 Underhood Maxi-Fuse Block- PWR WDO Circuit Breaker/Rear Fuse Block-RDO/PH, SUNRF Fuses and RAP Relay
Underhood Maxi-Fuse Block- PWR WDO Circuit Breaker/Rear Fuse Block-RDO/PH, SUNRF Fuses and RAP Relay
Underhood Maxi-Fuse Block- PWR WDO Circuit Breaker/Rear Fuse Block-RDO/PH, SUNRF Fuses and RAP Relay
Master Electrical Component List
Underhood Fuse Block- HDLP, HDLOBML, HDLOBMR, HDHIBML, HDHIBMR, STARTER Fuses and STARTER Relay
Underhood Maxi-Fuse Block- AIR PUMP, COOL FAN 1, AUX OTLT, and REARDEFOG Fuses
SIR Caution
Underhood Fuse Block and Underhood Maxi-Fuse Block