GM Service Manual Online
For 1990-2009 cars only
Makes
🢒
Buick
🢒
2001
🢒
Park Avenue
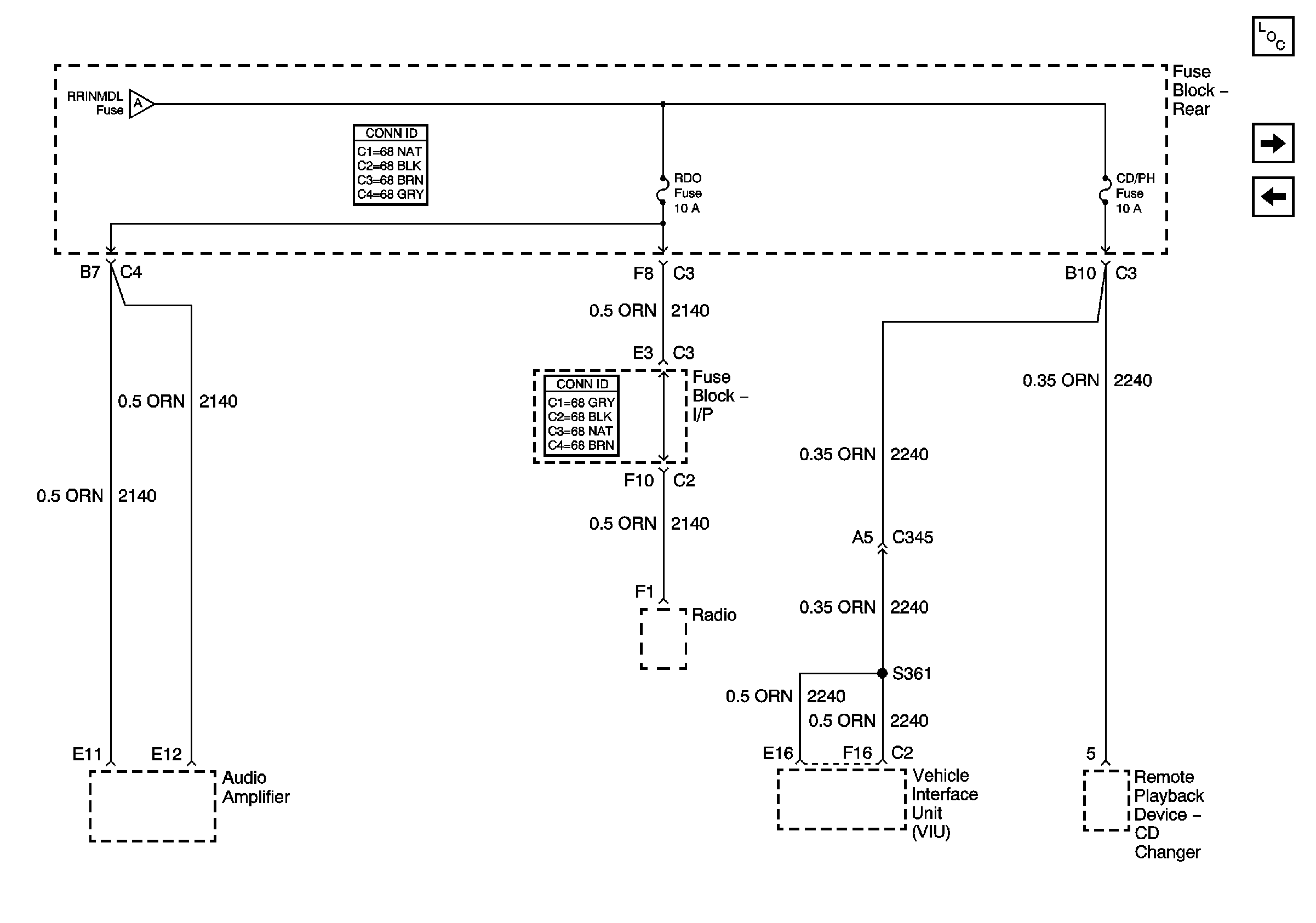
🢒 Rear Fuse Block- RDO and CD/PH Fuses
Rear Fuse Block- RDO and CD/PH Fuses
Rear Fuse Block- RDO and CD/PH Fuses
Master Electrical Component List
Underhood Fuse Block- IGN Fuse/ IP Fuse Block- RUN Fuse, IGN 3 and ACCY Relay
Underhood Fuse Block- BAT 1/ Rear Fuse Block- RDM, C/LTR, DDM, HTDSTL, TRK REL Fuses and Trunk Lid Release Relay/ IP Fuse Block- PDM, SBM, CSTR/SBM Fuses
Underhood Fuse Block- BAT 1/ Rear Fuse Block- RDM, C/LTR, DDM, HTDSTL, TRK REL Fuses and Trunk Lid Release Relay/ IP Fuse Block- PDM, SBM, CSTR/SBM Fuses