GM Service Manual Online
For 1990-2009 cars only
Makes
🢒
Buick
🢒
2001
🢒
Park Avenue
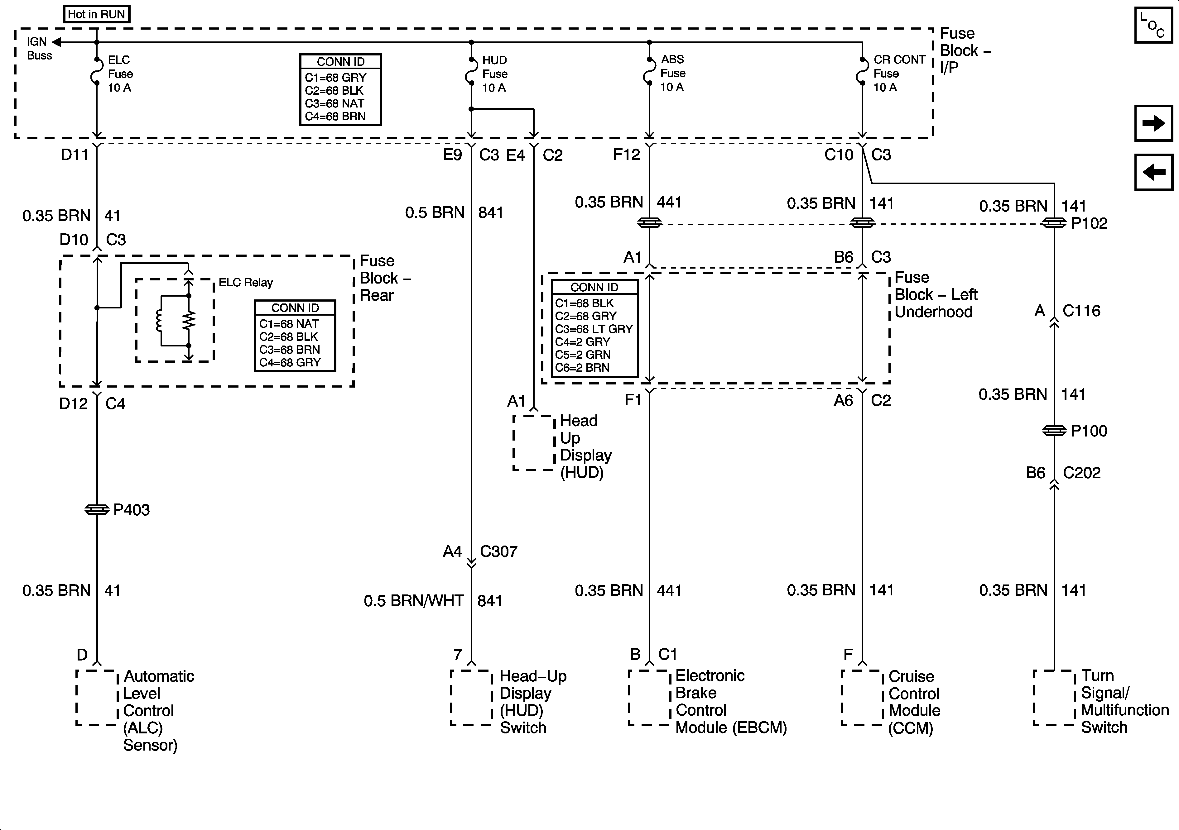
🢒 IP Fuse Block- ELC, HUD, ABS and CR CONT
IP Fuse Block- ELC, HUD, ABS and CR CONT
IP Fuse Block- ELC, HUD, ABS and CR CONT
Master Electrical Component List
IP Fuse Block- IGN SEN Fuse/ Rear Fuse Block- HTD BK LITE Relay
Underhood Fuse Block- IGN Fuse/ IP Fuse Block- RUN Fuse, IGN 3 and ACCY Relay
Underhood Fuse Block- IGN Fuse/ IP Fuse Block- RUN Fuse, IGN 3 and ACCY Relay