GM Service Manual Online
For 1990-2009 cars only
Makes
🢒
Buick
🢒
2001
🢒
Park Avenue
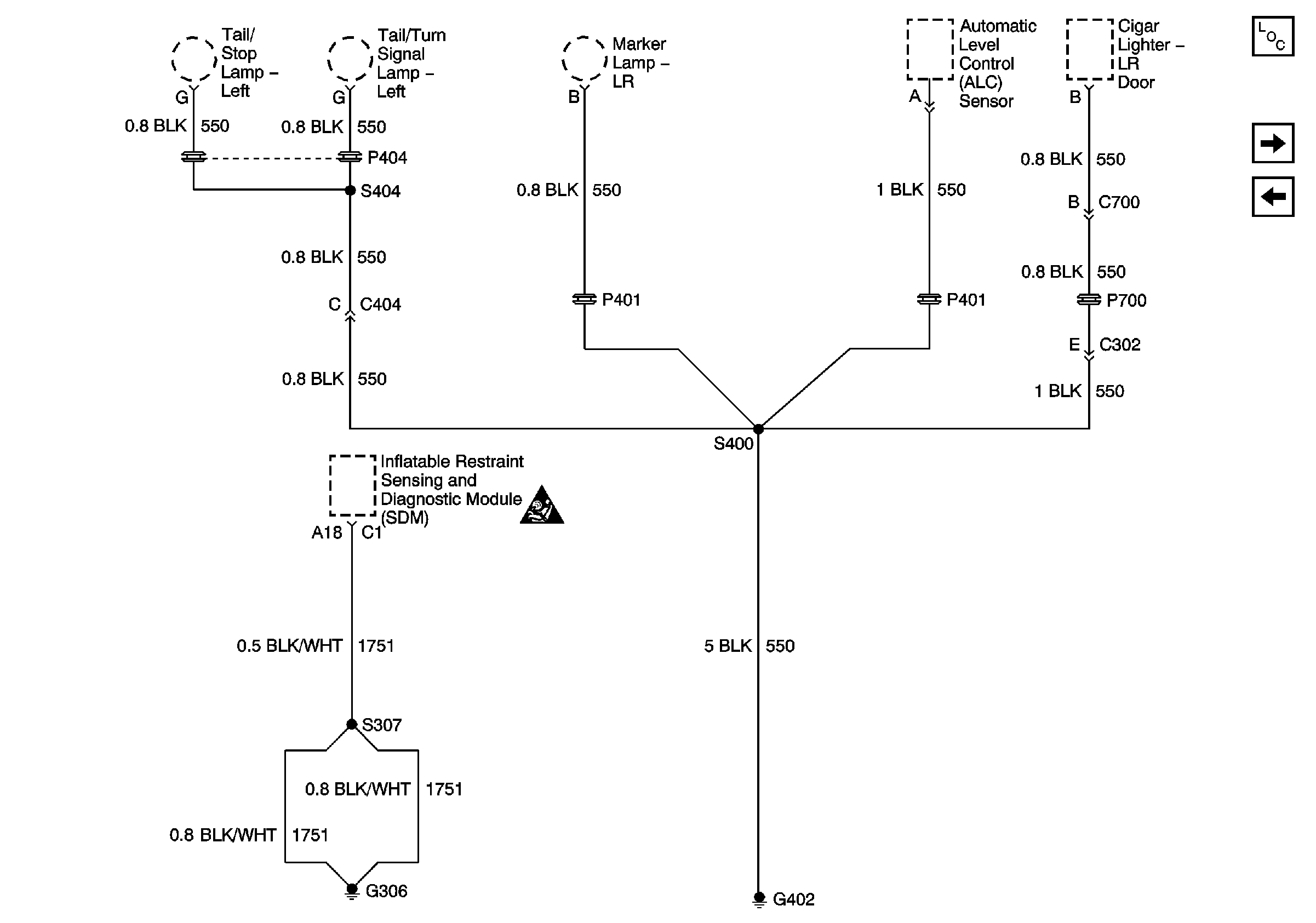
🢒 G306 and G402
G306 and G402
G306 and G402
Master Electrical Component List
G400 (1 of 2)
G202 (4 of 4)
SIR Caution