GM Service Manual Online
For 1990-2009 cars only
Makes
🢒
Buick
🢒
2001
🢒
Park Avenue
🢒 Multifunction Lever
Multifunction Lever
Multifunction Lever
Master Electrical Component List
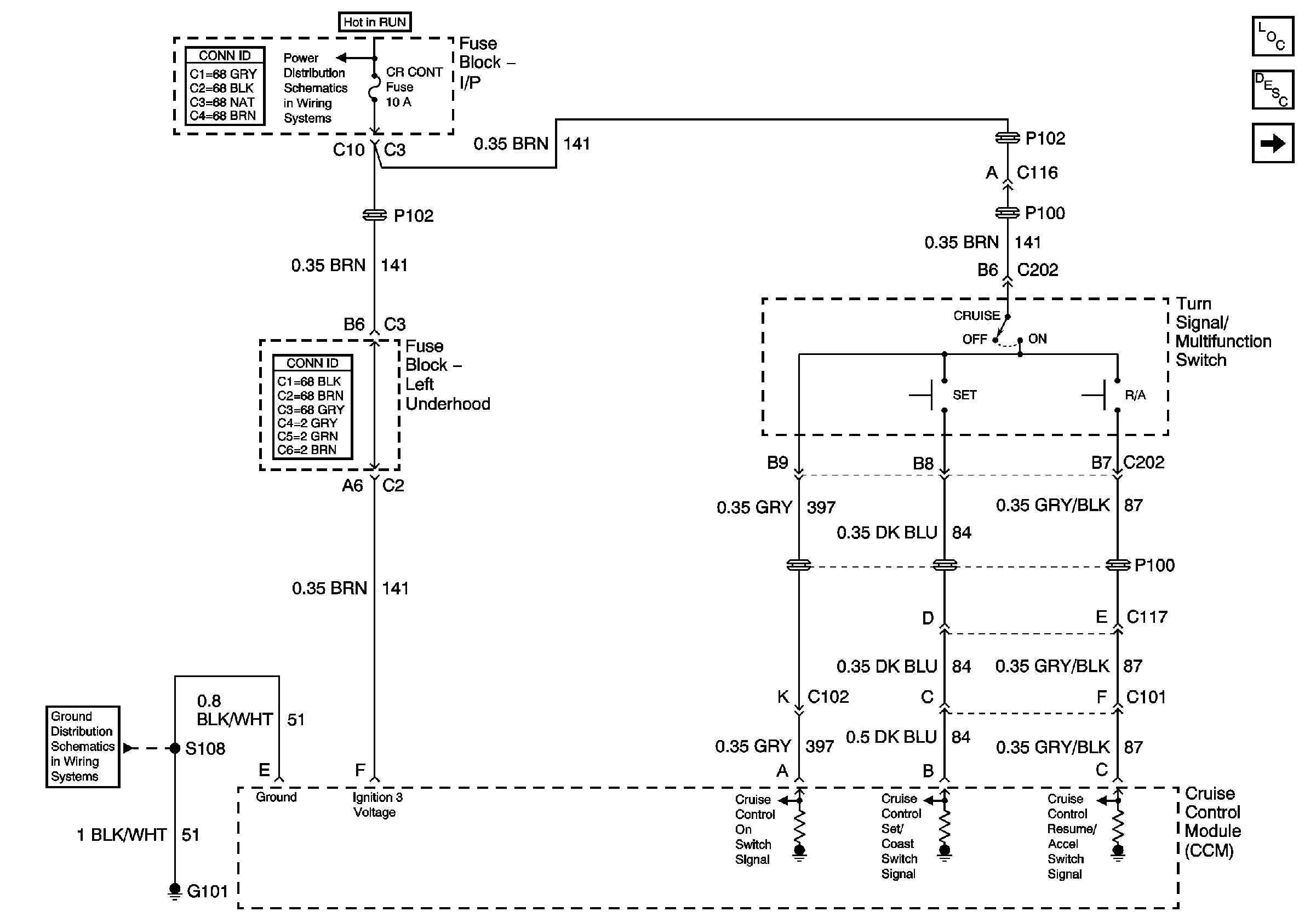
Cruise Control Description and Operation
ABS/TCC Switch
Underhood Fuse Block- IGN Fuse/ IP Fuse Block- RUN Fuse, IGN 3 and ACCY Relay