GM Service Manual Online
For 1990-2009 cars only
Makes
🢒
Buick
🢒
2002
🢒
Park Avenue
🢒
Suspension
🢒
Automatic Level Control
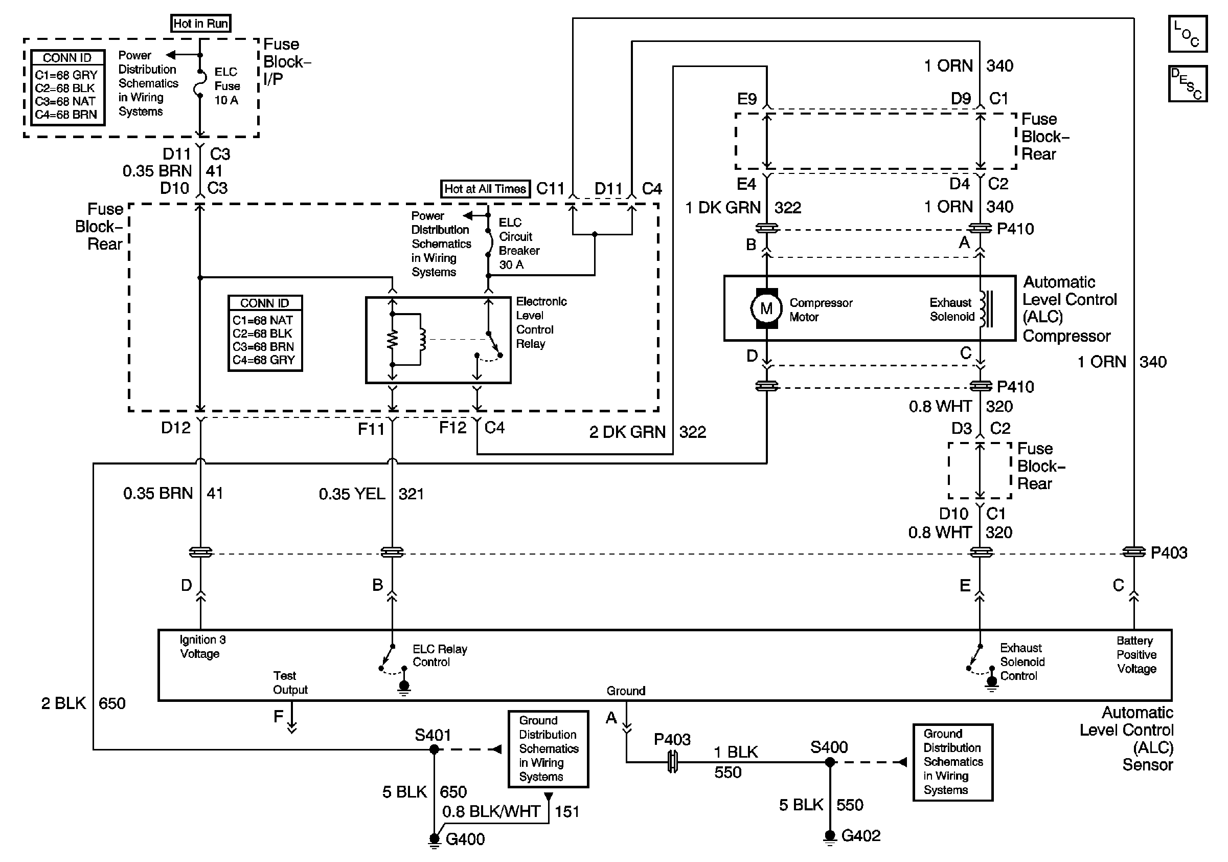
🢒 Automatic Level Control Schematics
Master Electrical Component List
Automatic Level Control Description and Operation
Left Underhood Fuse Block- IGN Fuse/ IP Fuse Block- RUN Fuse, IGN 3and ACCY Relay
Rear Fuse Block- HTDST R, C/LTRL, C/LTRR Fuses and ELC Circuit Breaker
G400 (1 of 2)
G306 and G402