GM Service Manual Online
For 1990-2009 cars only
Makes
🢒
Buick
🢒
2002
🢒
Park Avenue
🢒
Transmission/Transaxle
🢒
Shift Lock Control
🢒 Theft Deterrent System Component Views
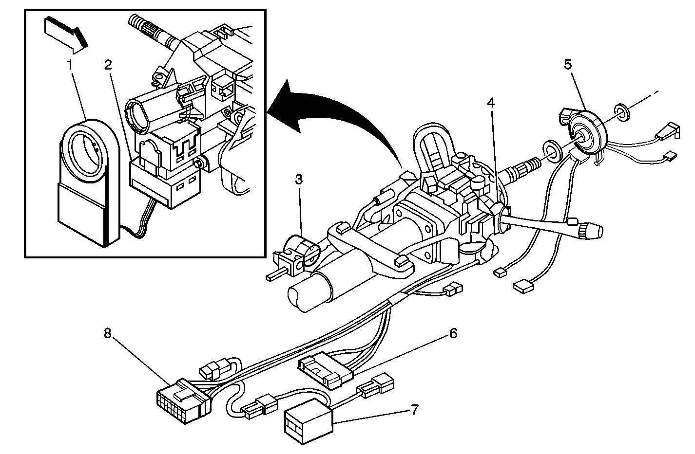
Steering Column
(1)
Theft Deterrent Control Module
(2)
Ignition Key Alarm Switch
(3)
A/T Shift Lock Control Solenoid
(4)
Turn Signal/Multifunction Switch
(5)
Inflatable Restraint Steering Wheel Module Coil
(6)
C202
(7)
Fuse Holder - Steering Column
(8)
C206