GM Service Manual Online
For 1990-2009 cars only
Makes
🢒
Buick
🢒
2002
🢒
Park Avenue
🢒 Ignition Controls- Sensors
Ignition Controls- Sensors
Ignition Controls- Sensors
Master Electrical Component List
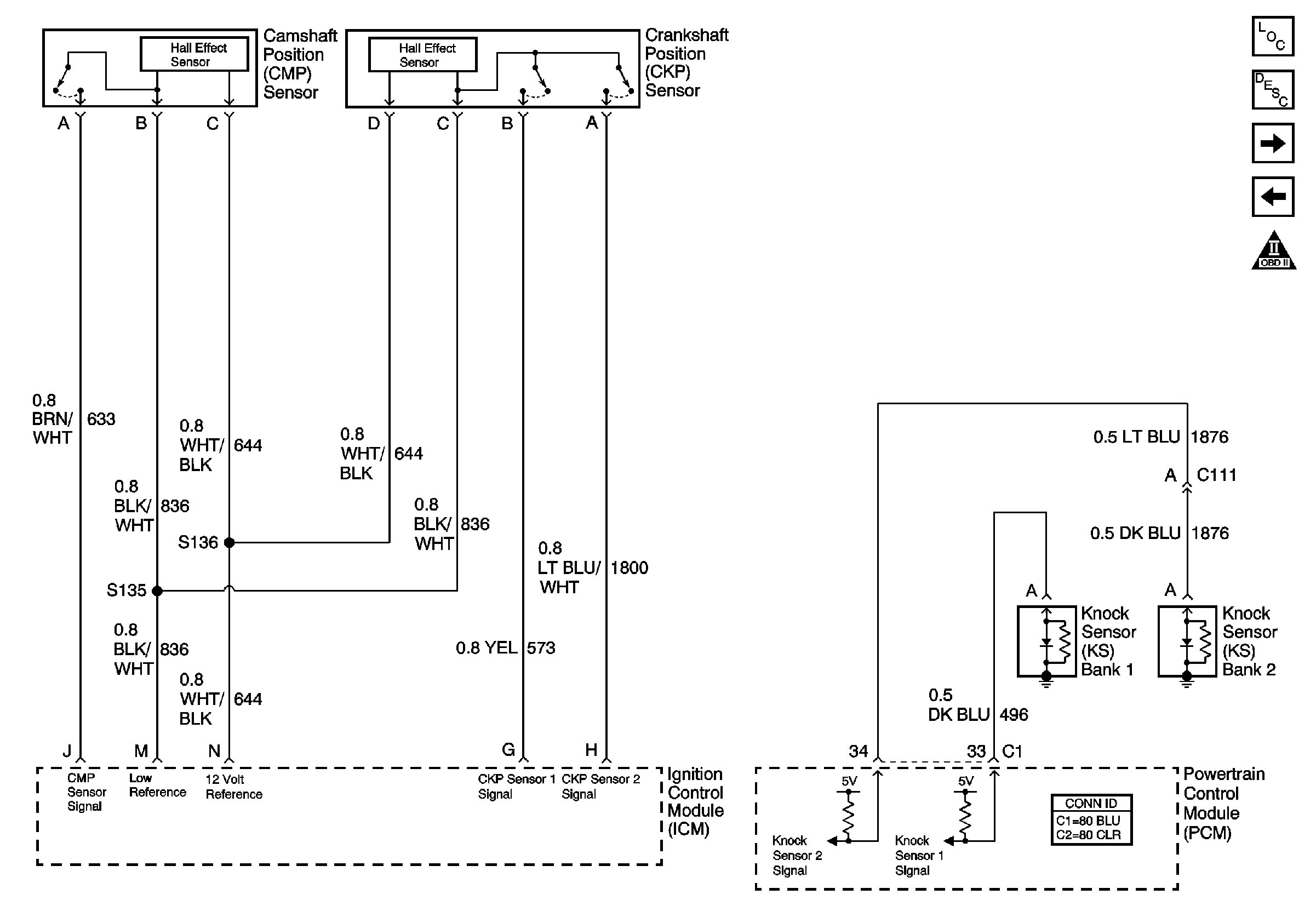
Knock Sensor (KS) System Description
Fuel Controls- Fuel Pump Controls
Ignition Controls- Ignition System
OBD II Symbol Description Notice