GM Service Manual Online
For 1990-2009 cars only
Makes
🢒
Buick
🢒
2002
🢒
Park Avenue
🢒 Sensors
Sensors
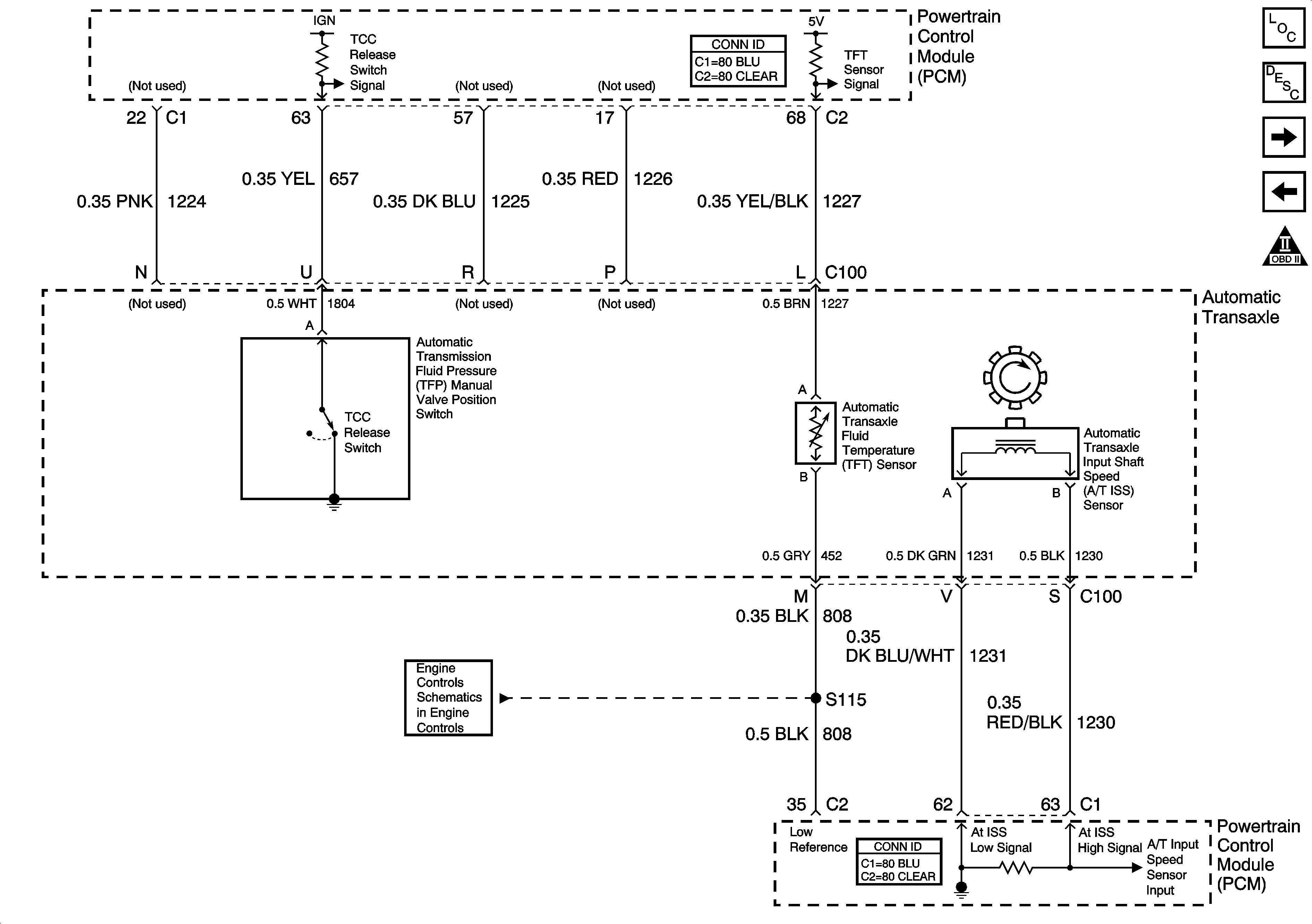
4T65-E Automatic Transaxle Controls -- Sensors
Master Electrical Component List
Transmission Component and System Description
Solenoids and Stop Lamp Switch
PCM Power and Ground
OBD II Symbol Description Notice
5 Volt and Low Reference