GM Service Manual Online
For 1990-2009 cars only
Makes
🢒
Buick
🢒
2004
🢒
Rainier
🢒
Body
🢒
Stationary Windows
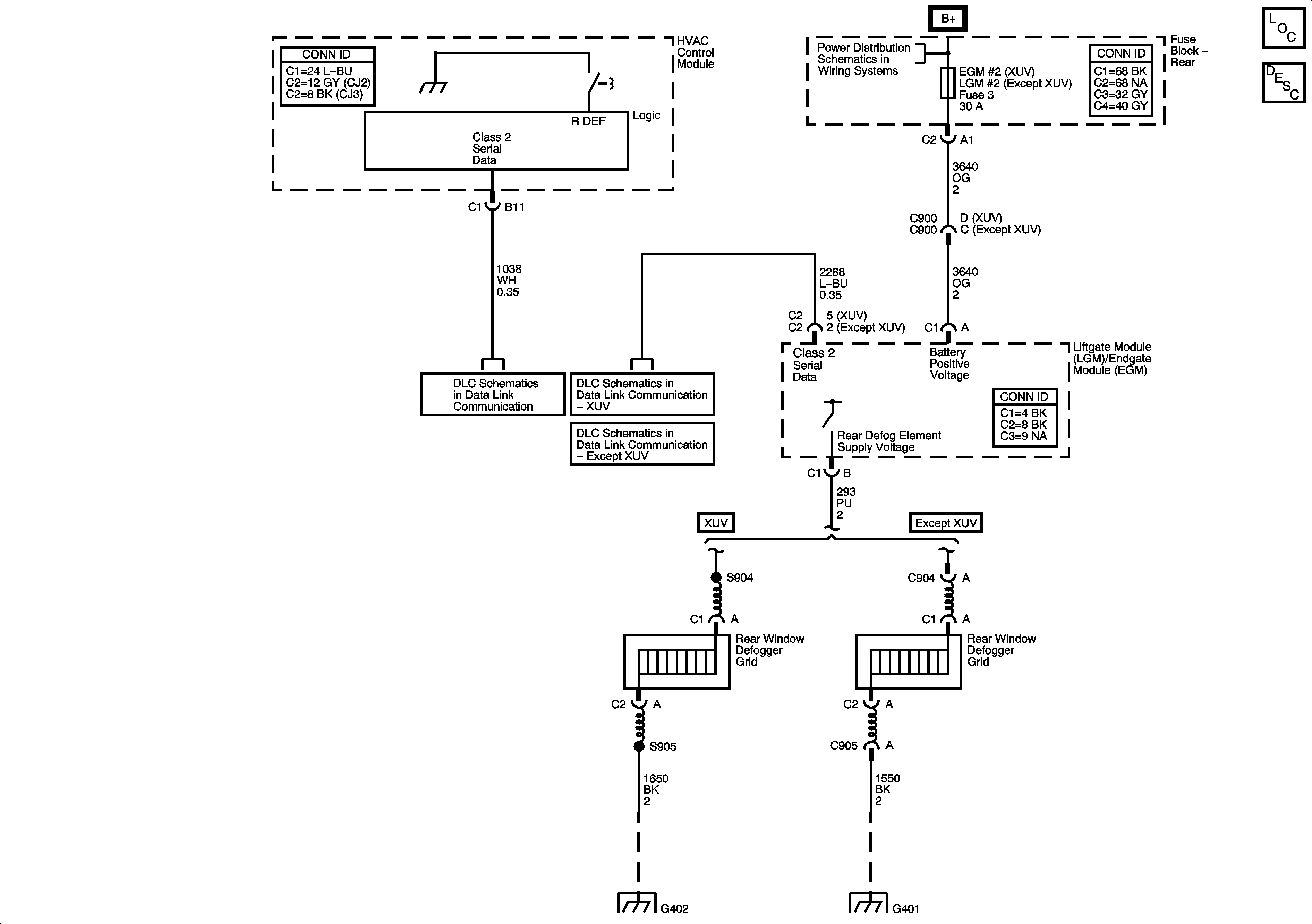
🢒 Defogger Schematics
Master Electrical Component List
Rear Window Defogger Description and Operation
B+ Bus - Rear Fuse Block
Power, Ground, Data Link Connector, and SP205
SP306 - XUV
SP306 - Except XUV
G401, G402, and G403 - XUV
G401, G402, and G403 - Except XUV