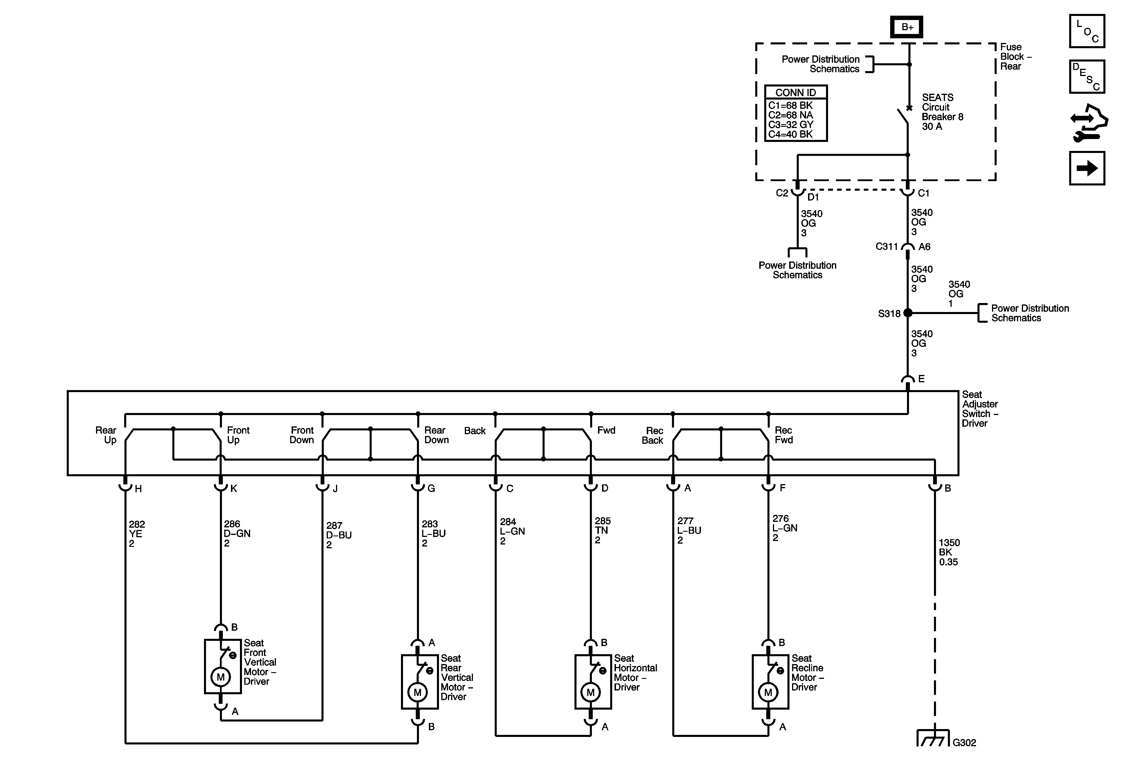
| Figure 1: |
Power Seat Controls w/o Memory
|
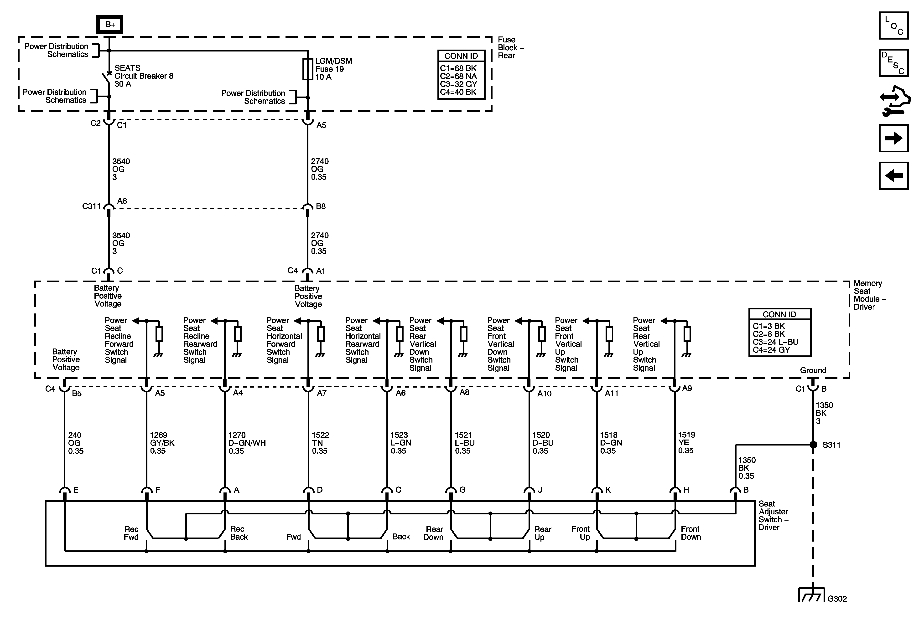
| Figure 2: |
Power Seat Controls w/Memory - Power, Ground, and Switch Controls
|
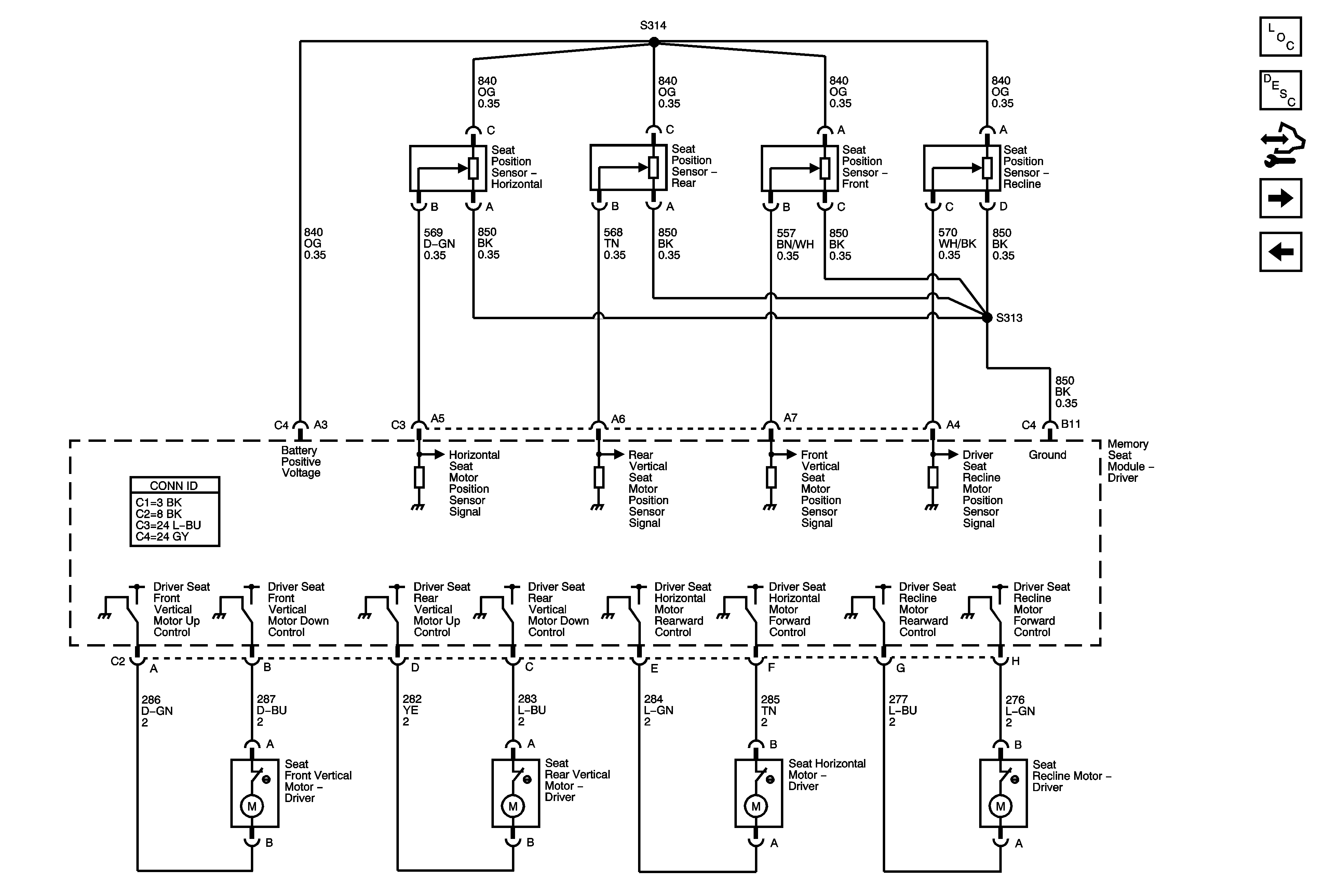
| Figure 3: |
Power Seat Controls w/Memory - Motors and Position Sensors
|
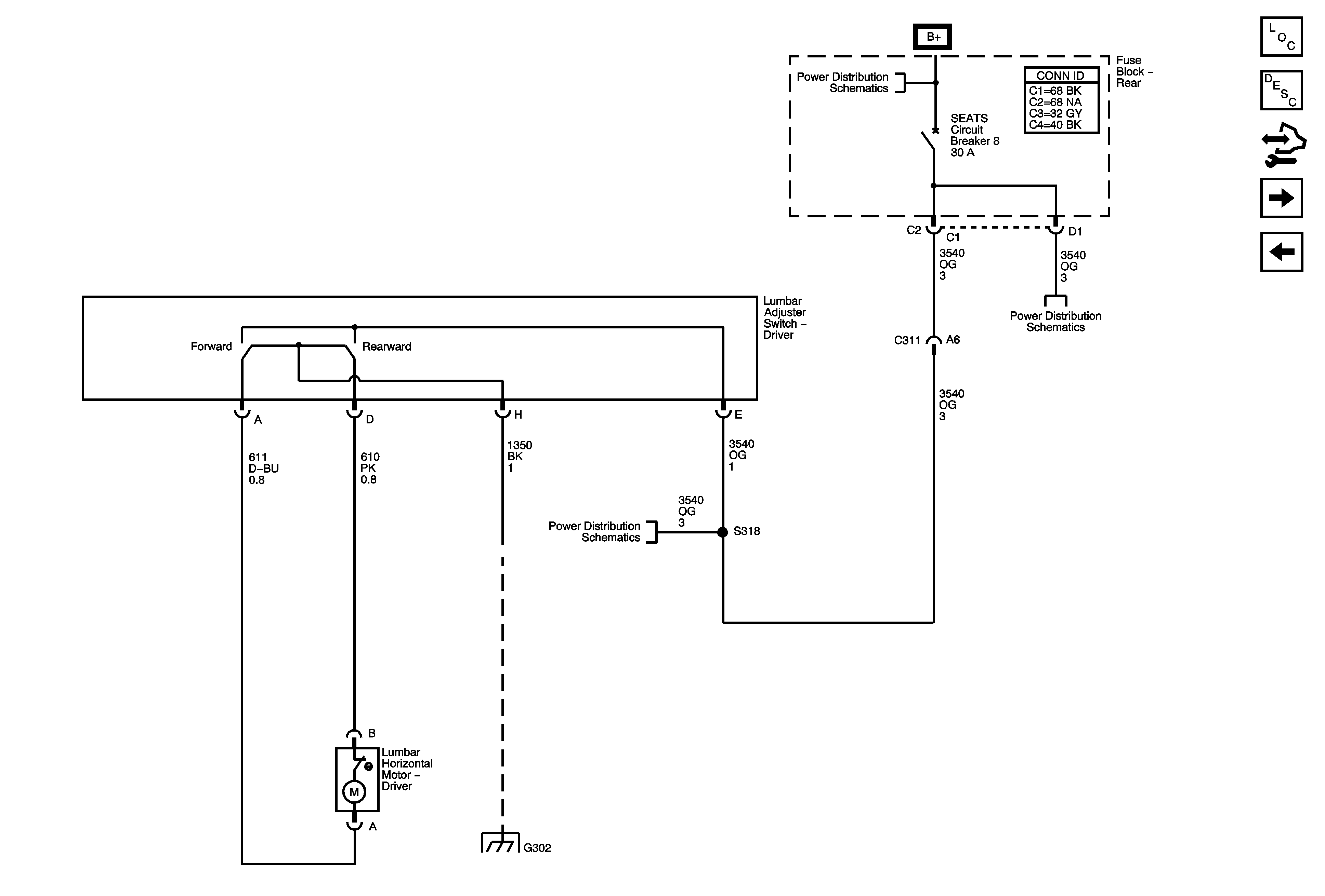
| Figure 4: |
Lumbar Controls - w/o Memory
|
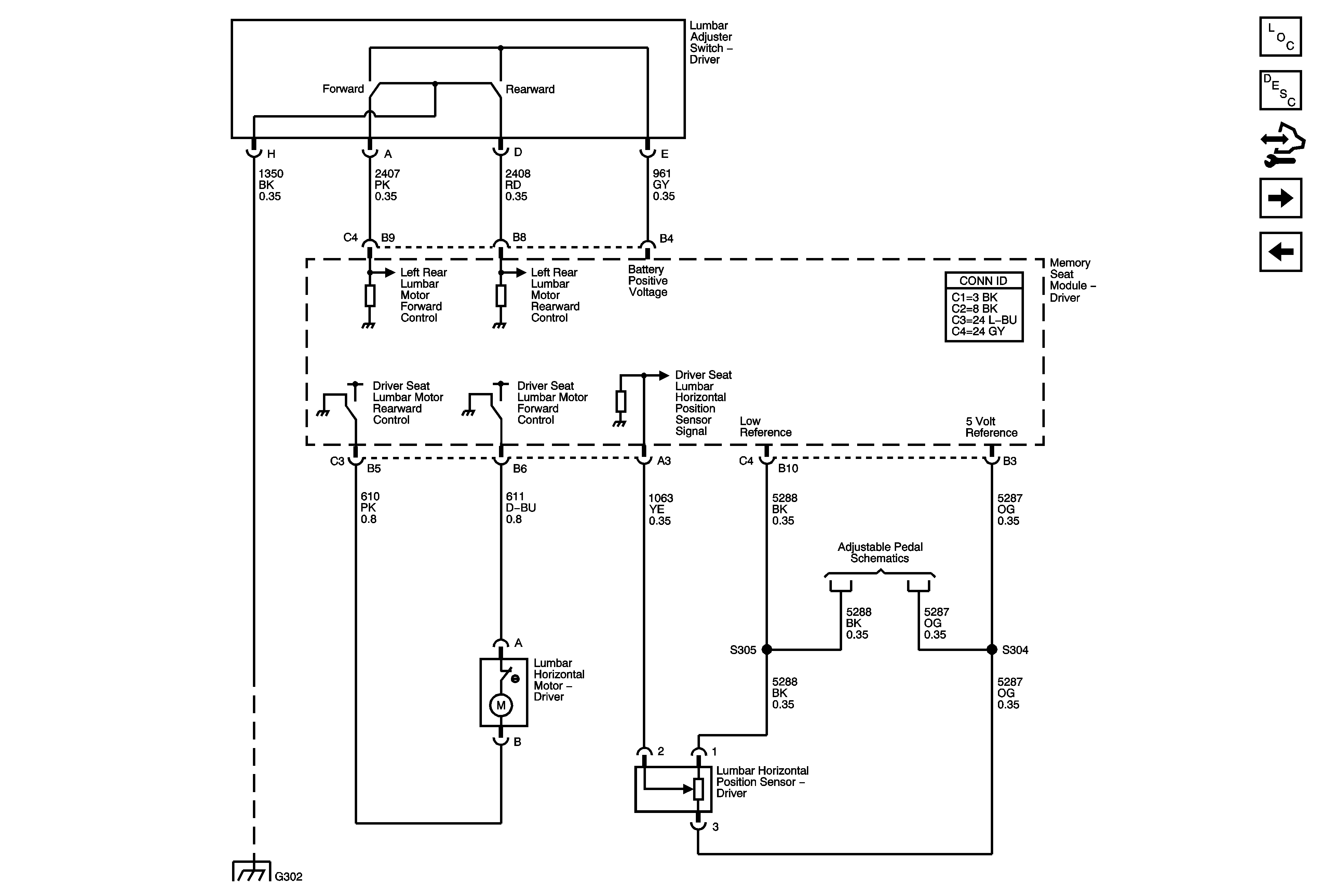
| Figure 5: |
Lumbar Controls - w/Memory
|
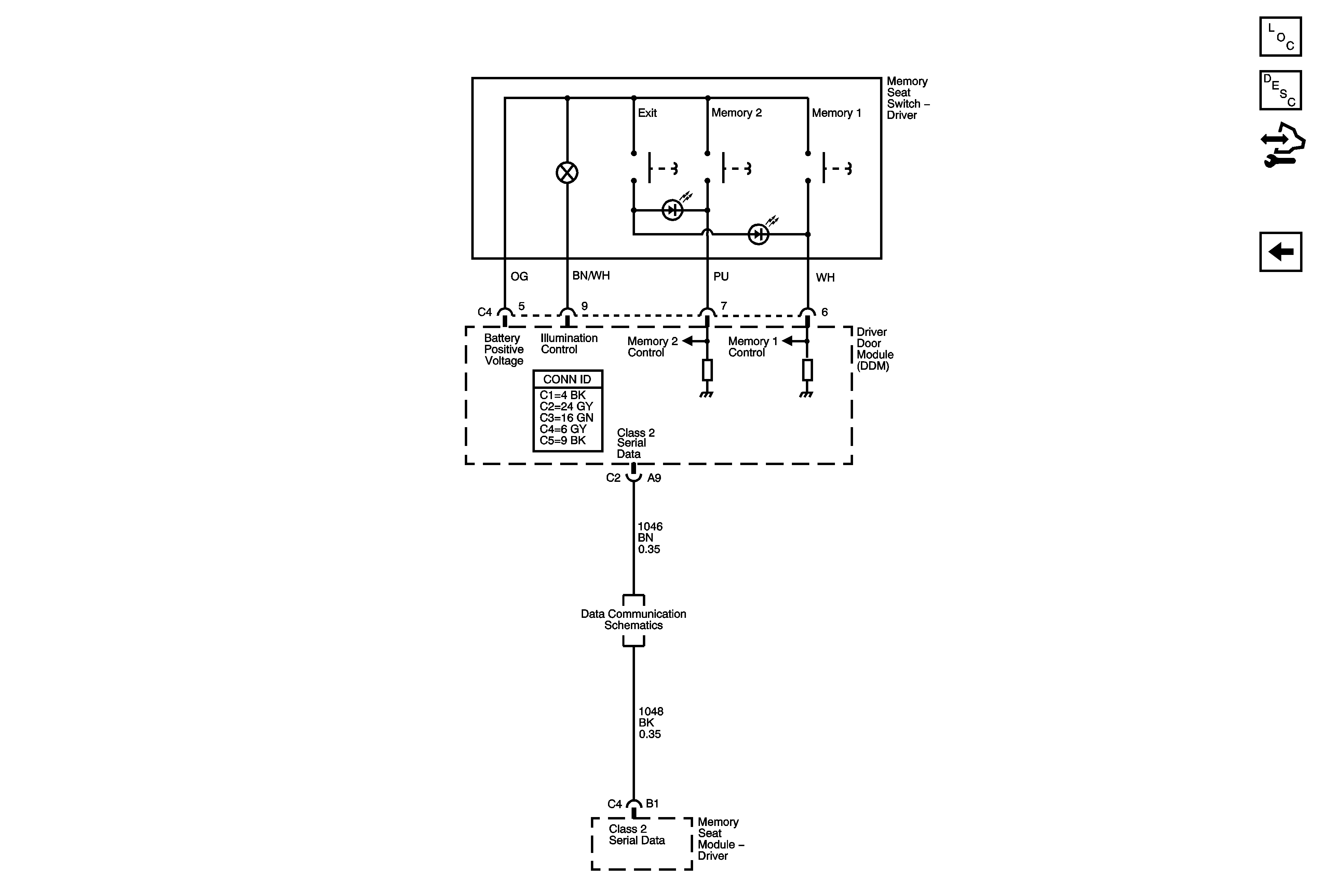
| Figure 6: |
Memory Controls
|