GM Service Manual Online
For 1990-2009 cars only
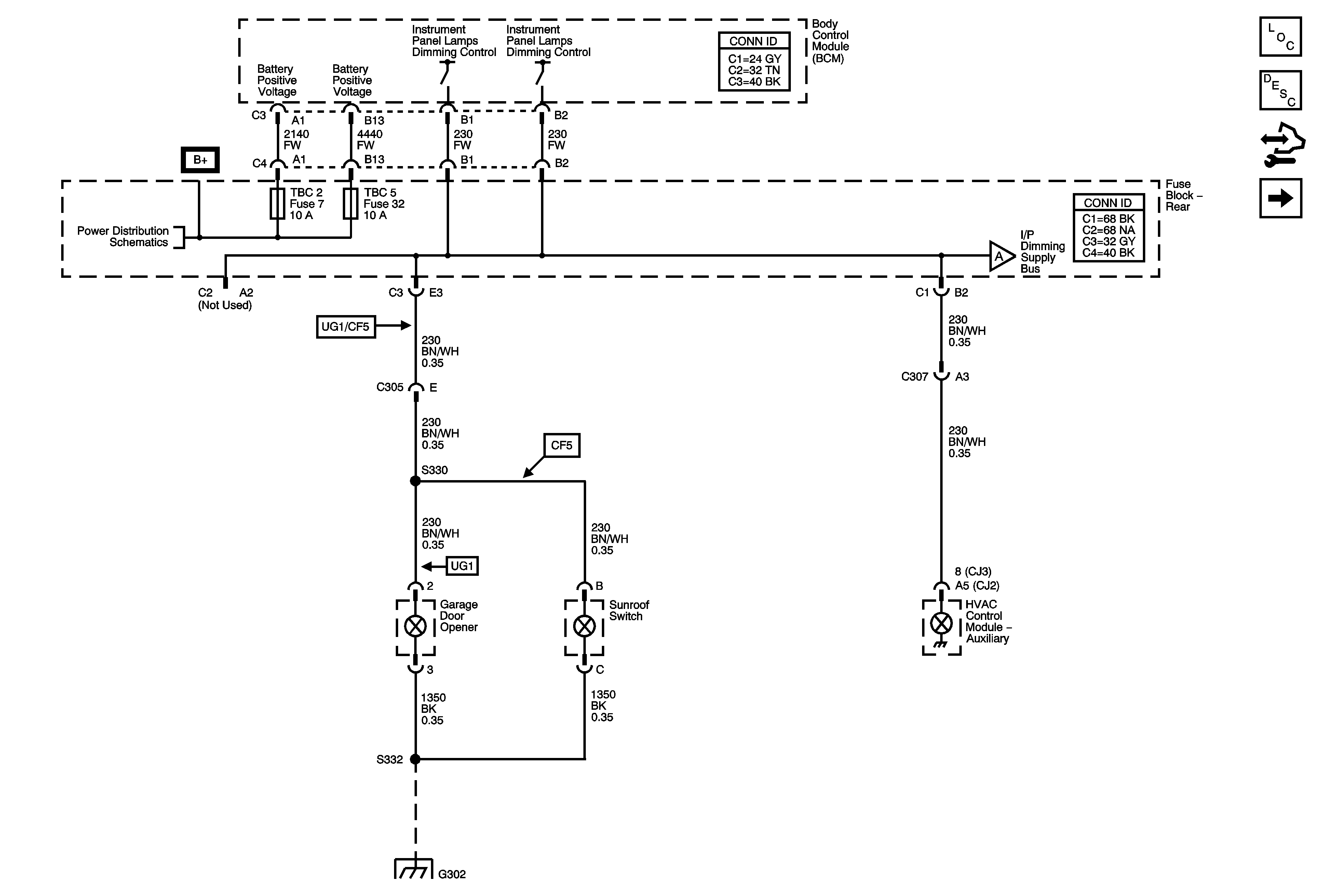
Figure 1:

I/P Dimming Supply - 1 of 2


Object Number: 1747668  Size: FS
Master Electrical Component List
Interior Lighting Systems Description and Operation
Control Module References
I/P Dimming Supply - 2 of 2
B+ Bus - Rear Fuse Block
I/P Dimming Supply - 2 of 2
G302 - 1 of 2, G303, and G304
Figure 2:

I/P Dimming Supply - 2 of 2


Object Number: 1747670  Size: FS
Master Electrical Component List
Interior Lighting Systems Description and Operation
Control Module References
Courtesy Lamp Supply
I/P Dimming Supply - 1 of 2
I/P Dimming Supply - 1 of 2
Headlamp Switch
G201 - 1 of 2
G201 - 1 of 2
G201 - 2 of 2, and G305
Figure 3:

Courtesy Lamp Supply


Object Number: 1747672  Size: FS
Master Electrical Component List
Interior Lighting Systems Description and Operation
Control Module References
I/P Dimming Supply - 2 of 2
SP205
SP306
Power, Ground, and Subsystem References
Fog Lights Schematics
Fog Lights Schematics