GM Service Manual Online
For 1990-2009 cars only
Makes
🢒
Buick
🢒
2007
🢒
Rainier
🢒
Power and Signal Distribution
🢒
Wiring Systems and Power Management
🢒 Power Moding Schematics
Master Electrical Component List
Power Mode Description and Operation
Control Module References
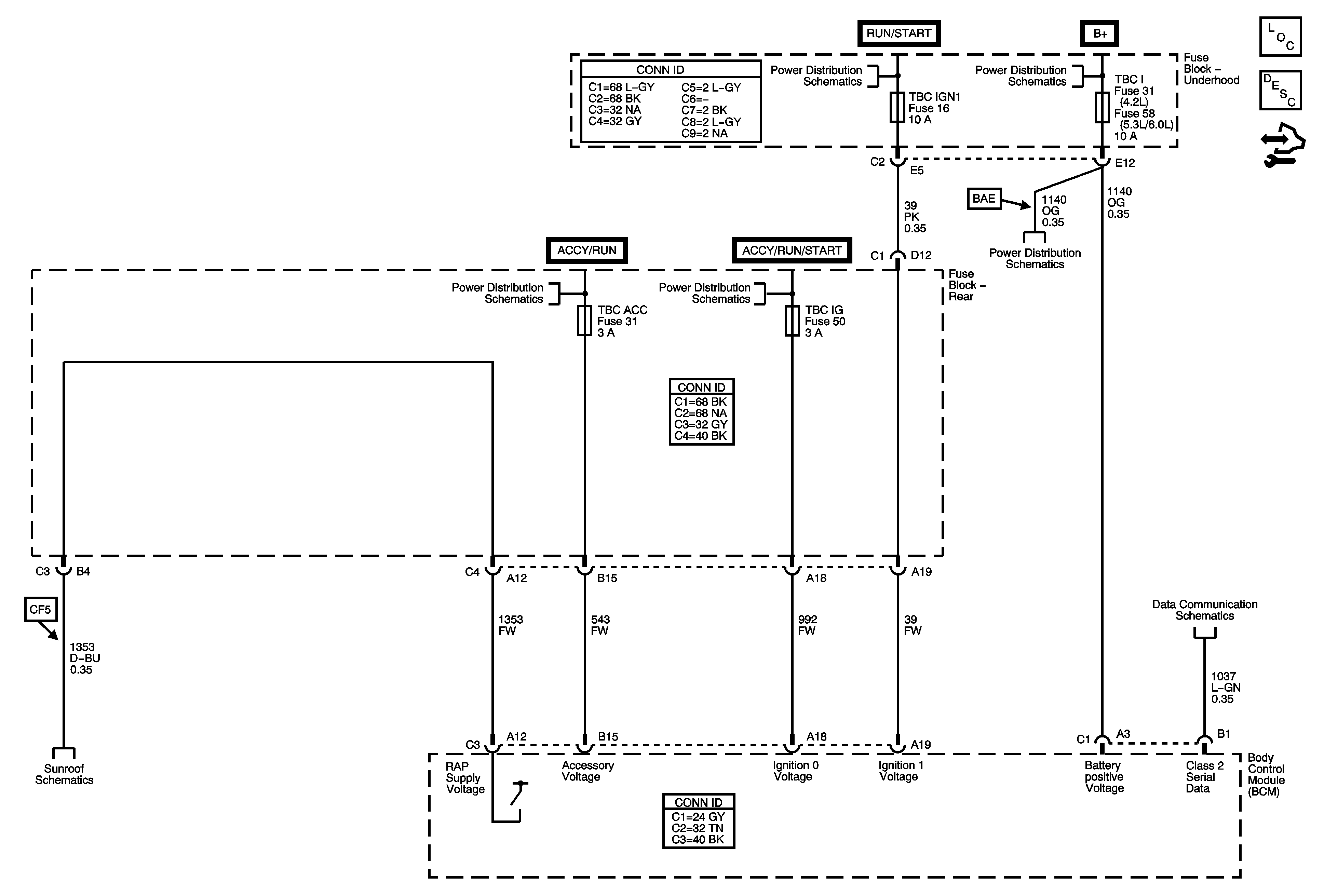
Ignition Switch - ACCY/RUN, RUN/START Bus Bars and IGN B Fuse
B+ Bus - Underhood Fuse Block
Ignition Switch - ACCY/RUN, RUN/START Bus Bars and IGN B Fuse
Ignition Switch - ACCY/RUN/START, RUN, and START Bus Bars, IGN A and CRNK Fuses
`AIR PUMP, EAP, ECM, HDM, HI HEADLAMP - LT, HI HEADLAMP - RT, IGN COILS, LO HEADLAMP - LT, LO HEADLAMP - RT, PCM B AND TBC I Fuses
Sunroof Schematics
SP205