GM Service Manual Online
For 1990-2009 cars only
Makes
🢒
Buick
🢒
2007
🢒
Rainier
🢒 Charging System
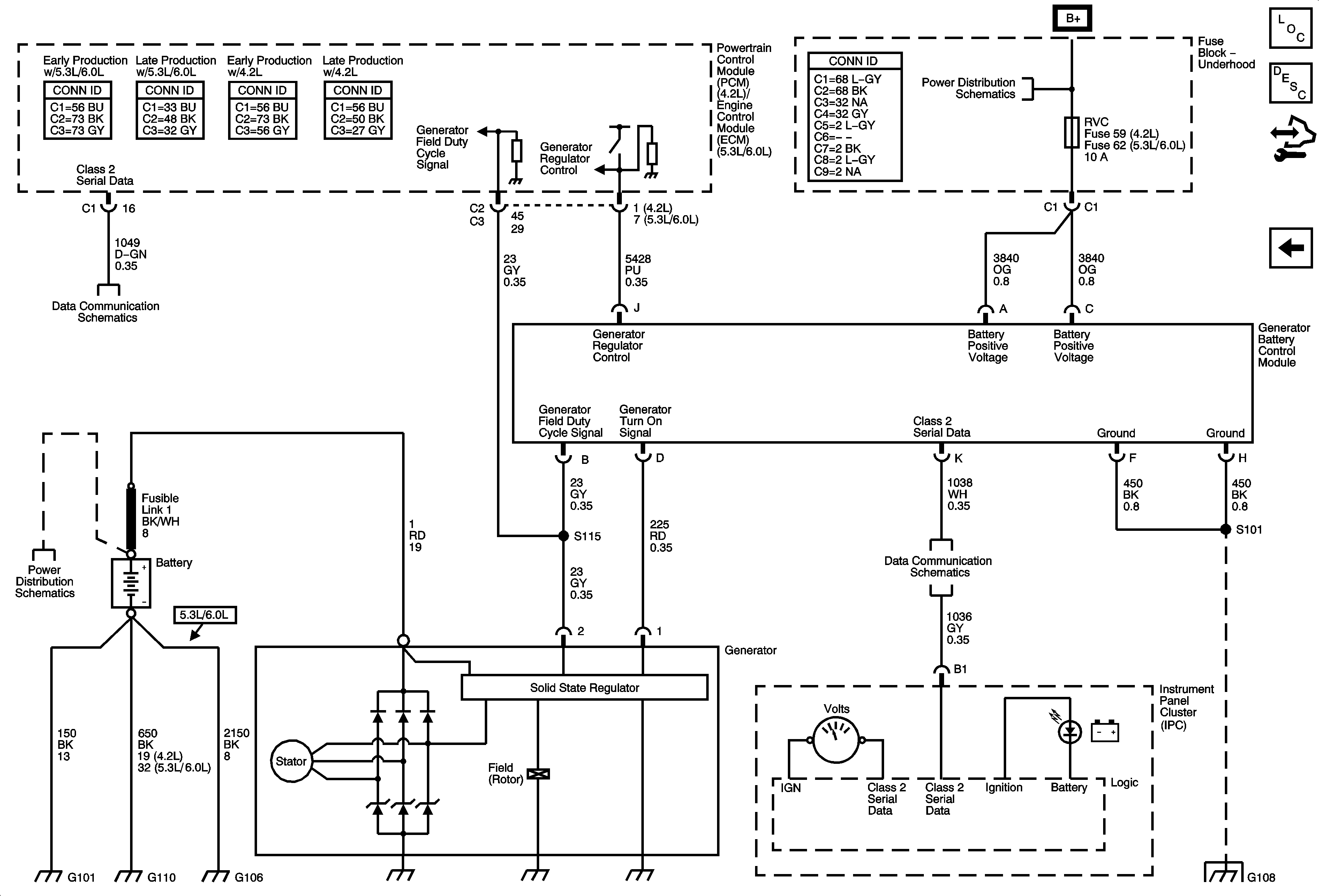
Charging System
Charging System
Master Electrical Component List
Charging System Description and Operation
Control Module References
Starting System
SP205
B+ Bus - Underhood Fuse Block
B+ Bus - Underhood Fuse Block
SP205
G108