GM Service Manual Online
For 1990-2009 cars only
Makes
🢒
Buick
🢒
2007
🢒
Rainier
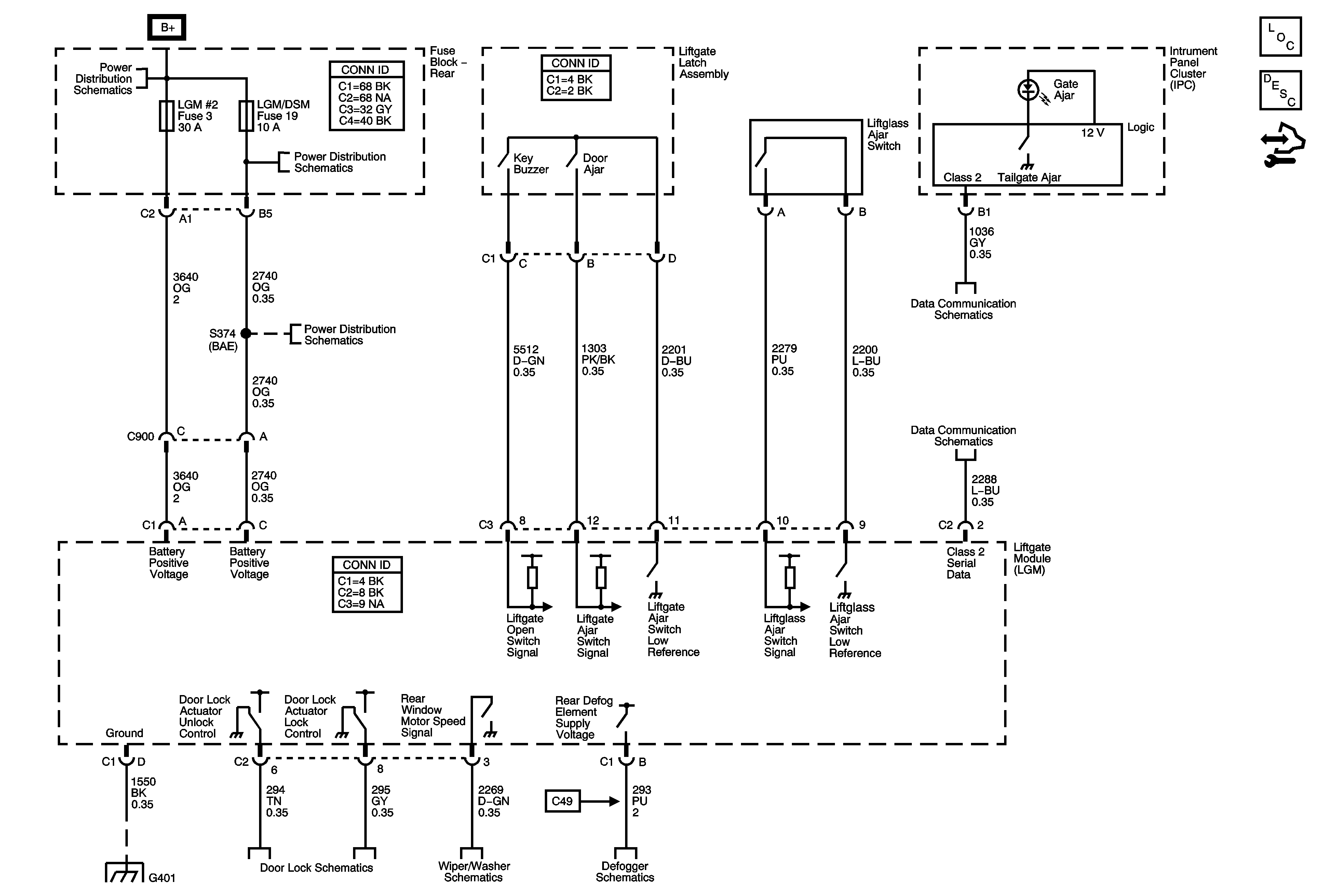
🢒 Liftgate Module
Liftgate Module
Master Electrical Component List
Body Control System Description and Operation
Control Module References
B+ Bus - Rear Fuse Block
HVAC B, LGM/DSM, OH BATT/ONSTAR, and RADIO Fuses
HVAC B, LGM/DSM, OH BATT/ONSTAR, and RADIO Fuses
SP205
SP306
G401, G402, and G403
Front Doors and Liftgate
Rear Window Wiper Motor
Defogger Schematics