GM Service Manual Online
For 1990-2009 cars only
Makes
🢒
Buick
🢒
2007
🢒
Rainier
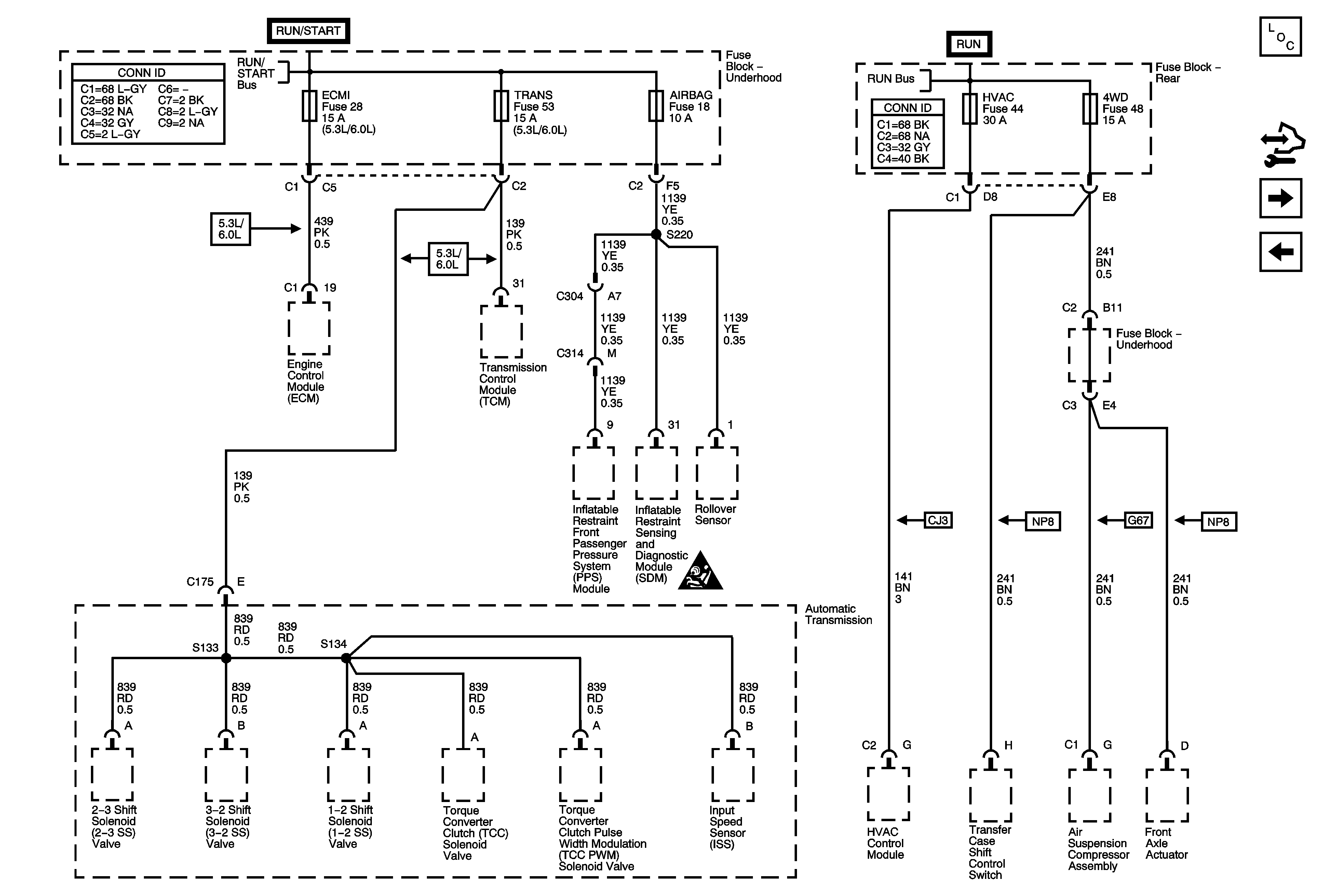
🢒 4WD, AIRBAG, ECMI, HVAC, and TRANS Fuses
4WD, AIRBAG, ECMI, HVAC, and TRANS Fuses
4WD, AIRBAG, ECMI, HVAC, and TRANS Fuses
Master Electrical Component List
Control Module References
BRAKE, HVAC I, and TBC RUN Fuses
AIR SOL and PCMI Fuses - 4.2L
Ignition Switch - ACCY/RUN, RUN/START Bus Bars and IGN B Fuse
Ignition Switch - ACCY/RUN/START, RUN, and START Bus Bars, IGN A and CRNK Fuses
Power and Grounding Schematic Icons