GM Service Manual Online
For 1990-2009 cars only
Makes
🢒
Buick
🢒
2007
🢒
Rainier
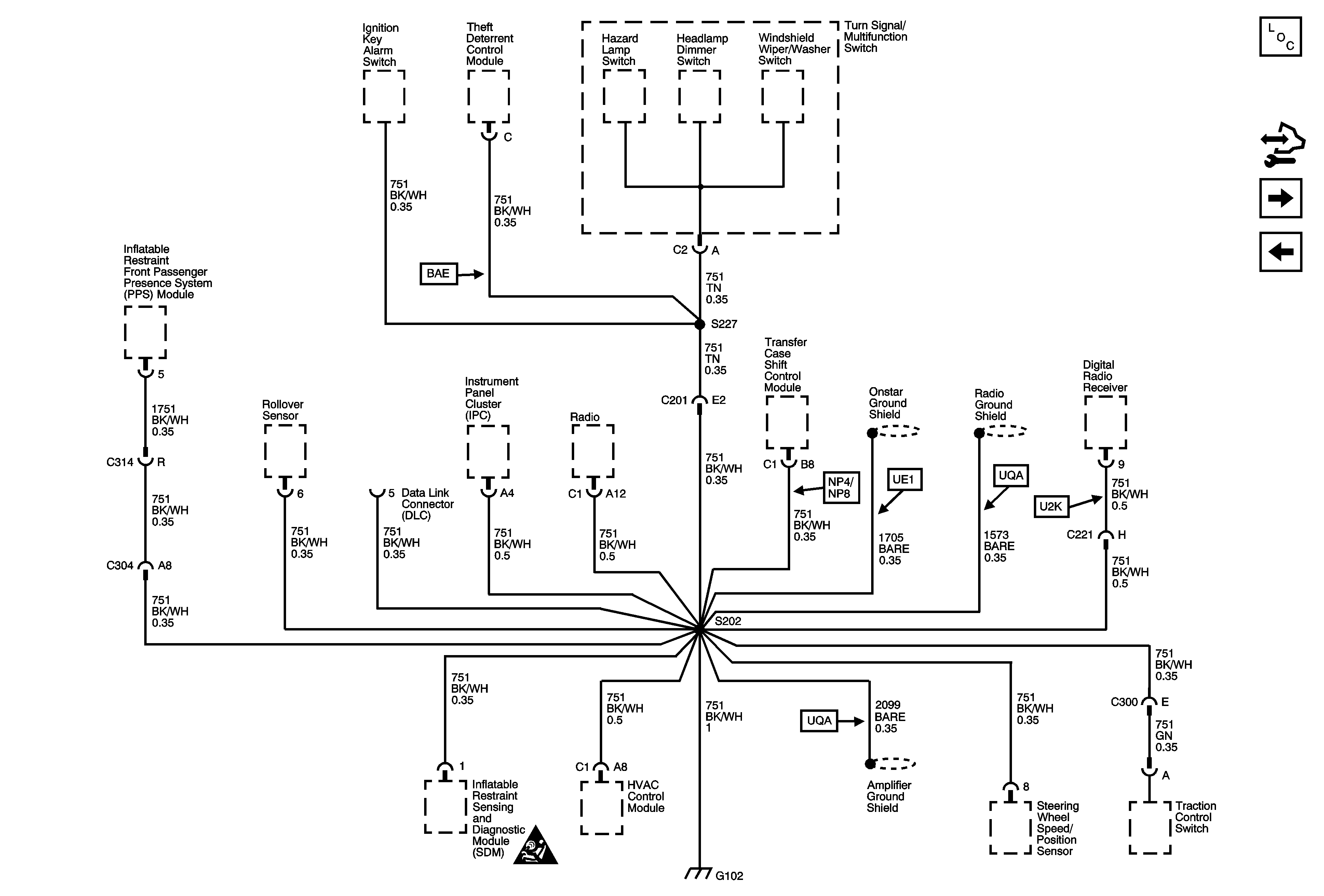
🢒 G102
G102
G102
Master Electrical Component List
Control Module References
G104, G105, and G107
G101, G103, G106, and G110
Power and Grounding Schematic Icons