GM Service Manual Online
For 1990-2009 cars only
Makes
🢒
Buick
🢒
2004
🢒
Rainier - 2WD
🢒
Accessories
🢒
Theft Deterrent - Immobilizer - Some Export Vehicles
🢒 Theft Deterrent System Schematics
Figure
1:
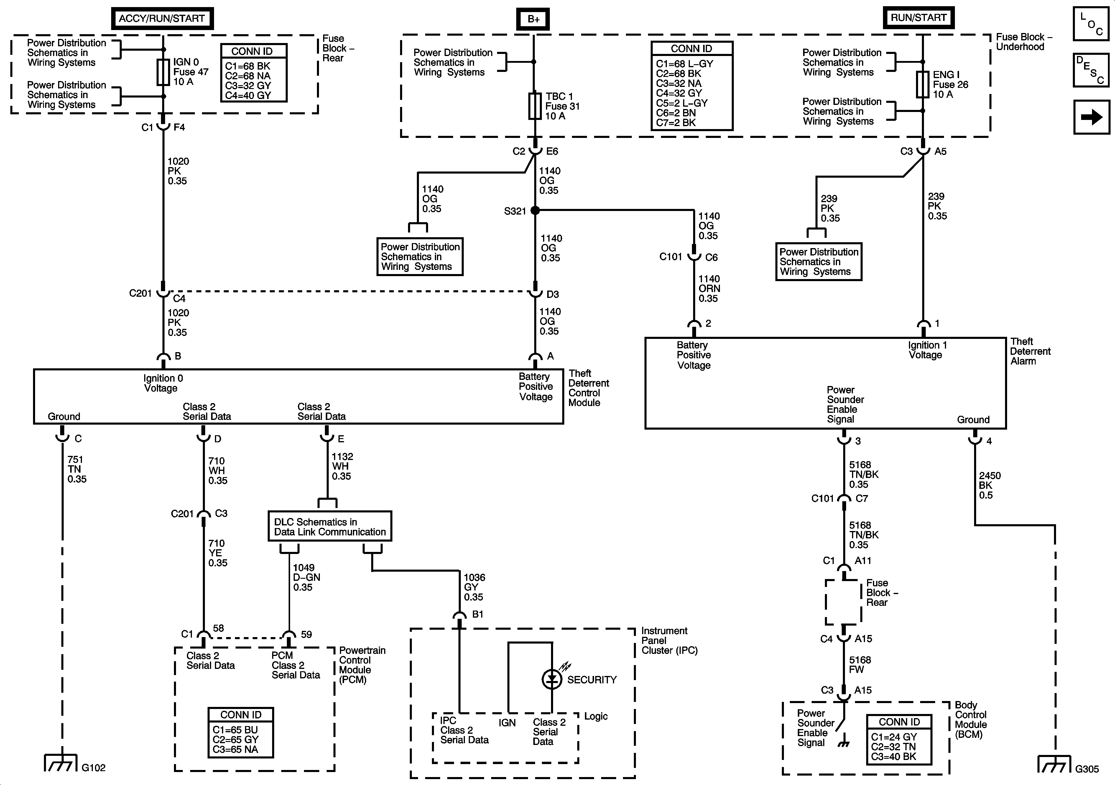
Theft Deterrent Control Module and Alarm
Master Electrical Component List
Theft Systems Description and Operation
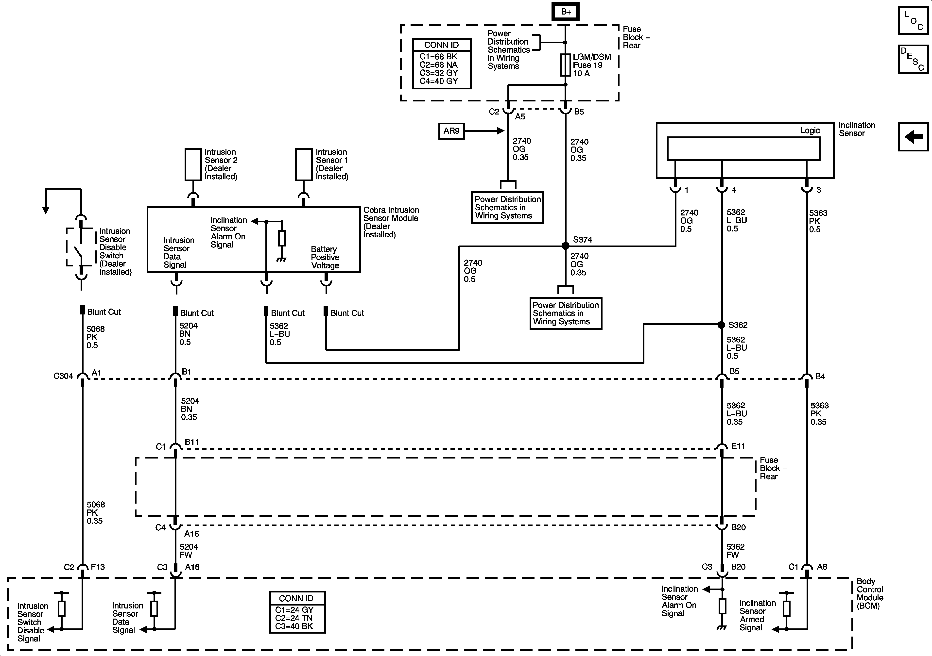
Intrusion and Inclination Sensor Signals
ACCY/RUN/START, RUN, and START Bus Bars
IGN 0, TBC IG, TBC ACC, FRT WPR, and RAIN Fuses
B+ Bus - Underhood Fuse Block
ACCY/RUN and RUN/START Bus Bars
O2, TAC, SIR, ENG I, HVAC, and 4WD Fuses
COILS, AIR, EAP, TBC 1, PCM B, LOW HDLP-RT, LOW HDLP-LT, HI HDLP-LT, and HI HDLP-RT Fuses
O2, TAC, SIR, ENG I, HVAC, and 4WD Fuses
Power, Ground, Data Link Connector, and SP205
G102
G201 - 2 of 2, and G305
Figure
2:
Intrusion and Inclination Sensor Signals
Master Electrical Component List
Theft Systems Description and Operation
Theft Deterrent Control Module and Alarm
B+ Bus - Rear Fuse Block
LGM/DSM, OH BATT/ONSTAR, RADIO, and HVAC B Fuses
LGM/DSM, OH BATT/ONSTAR, RADIO, and HVAC B Fuses