GM Service Manual Online
For 1990-2009 cars only
Makes
🢒
Buick
🢒
2004
🢒
Rainier - 2WD
🢒
Accessories
🢒
Power Outlets
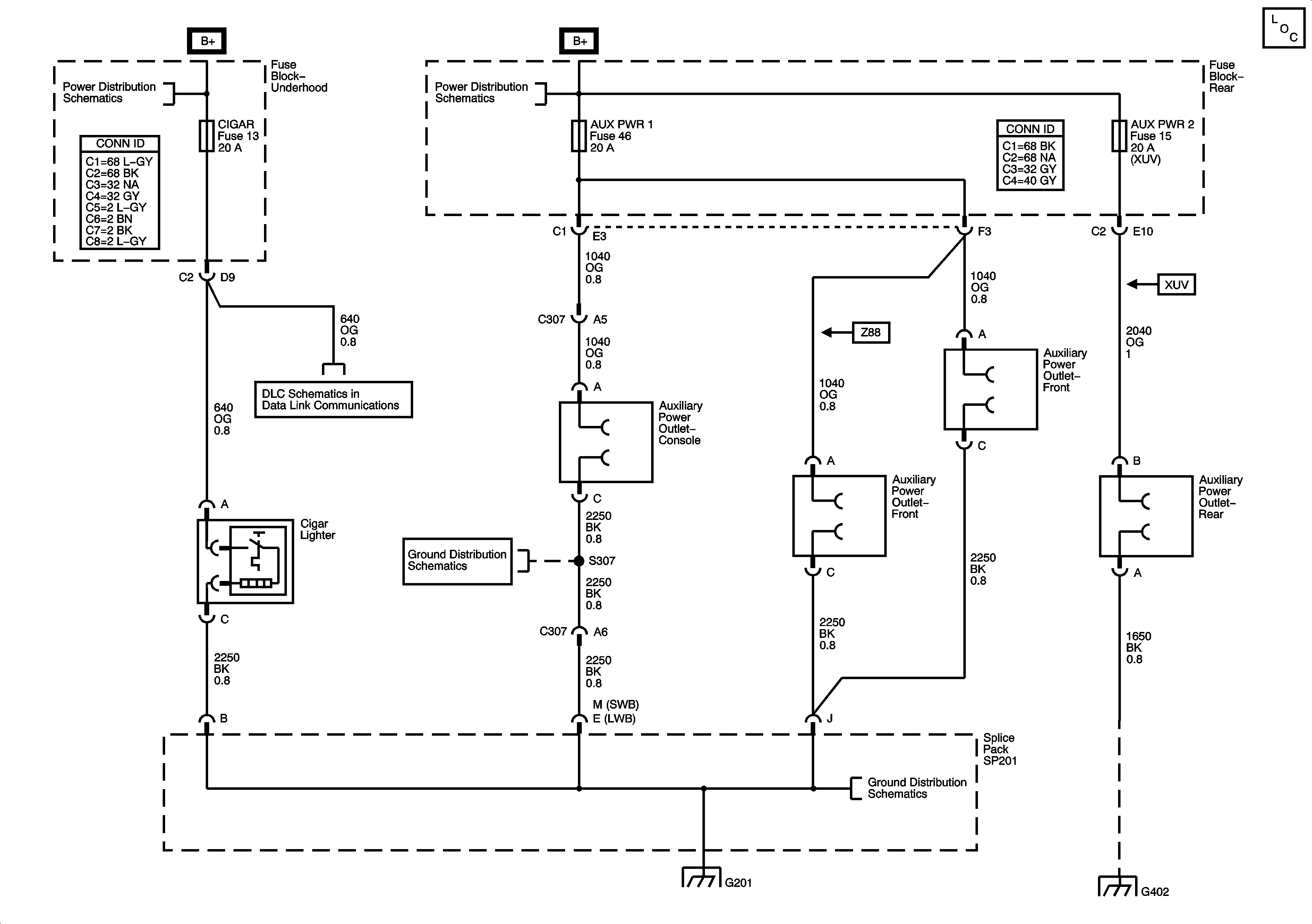
🢒 Cigar Lighter/Power Outlet Schematics
Master Electrical Component List
B+ Bus - Underhood Fuse Block
B+ Bus - Rear Fuse Block
Power, Ground, Data Link Connector, and SP205
G201 - 1 of 2
G201 - 1 of 2
G401, G402, and G403 - XUV