GM Service Manual Online
For 1990-2009 cars only
Makes
🢒
Buick
🢒
2004
🢒
Rainier - 2WD
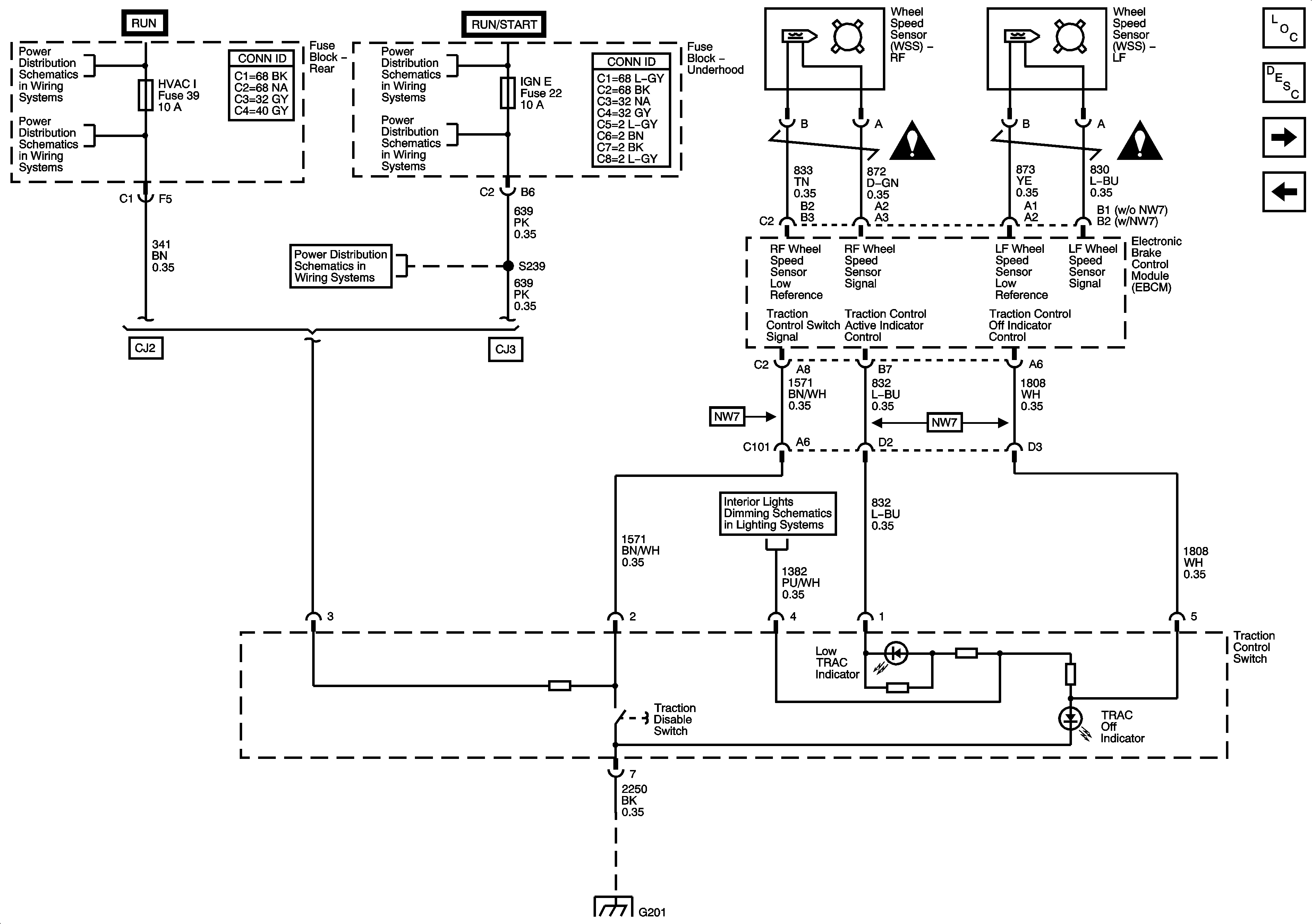
🢒 Traction Control (NW7) and Wheel Speed Sensors - Except Buick/Oldsmobile
Traction Control (NW7) and Wheel Speed Sensors - Except Buick/Oldsmobile
Traction Control (NW7) and Wheel Speed Sensors - Except Buick/Oldsmobile
Master Electrical Component List
ABS Description and Operation W/NW7
Traction Control (NW7) and Wheel Speed Sensors - Buick/Oldmobile
EBCM Power, Ground, Serial Data, Indicator, and Signal Circuits
ACCY/RUN/START, RUN, and START Bus Bars
ACCY/RUN and RUN/START Bus Bars
IGN E, TBC IGN 1, BACKUP, BTSI, and TRLR B/U Fuses
Antilock Brake System Schematic Icons
Antilock Brake System Schematic Icons
IGN E, TBC IGN 1, BACKUP, BTSI, and TRLR B/U Fuses
Courtesy Lamp Supply - 1 of 2
G201 - 2 of 2, and G305