GM Service Manual Online
For 1990-2009 cars only
Makes
🢒
Buick
🢒
2004
🢒
Rainier - 2WD
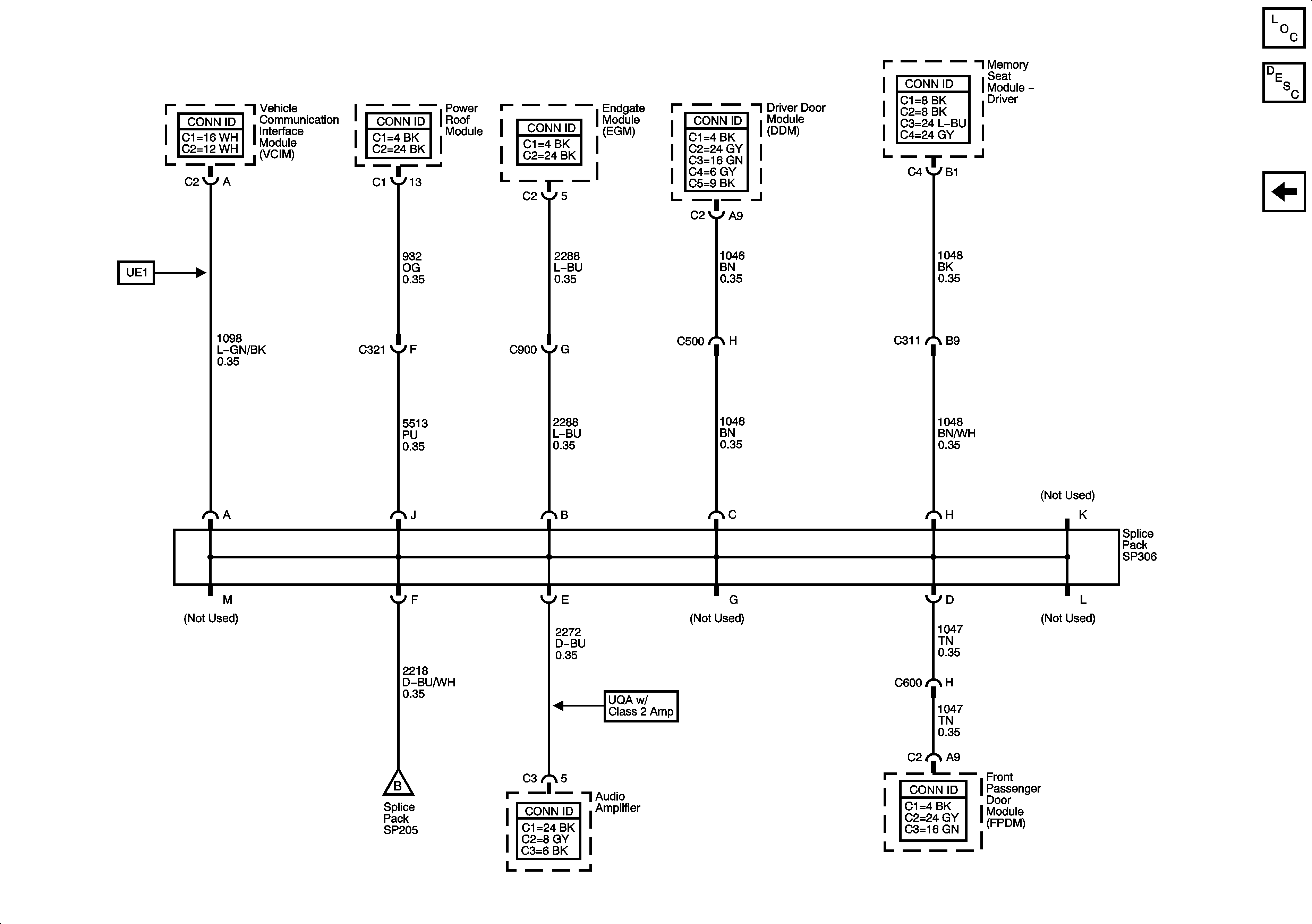
🢒 SP306 - XUV
SP306 - XUV
SP306 - XUV
Master Electrical Component List
Data Link Communications Description and Operation
SP306 - Except XUV
Power, Ground, Data Link Connector, and SP205