GM Service Manual Online
For 1990-2009 cars only
Makes
🢒
Buick
🢒
2004
🢒
Rainier - 2WD
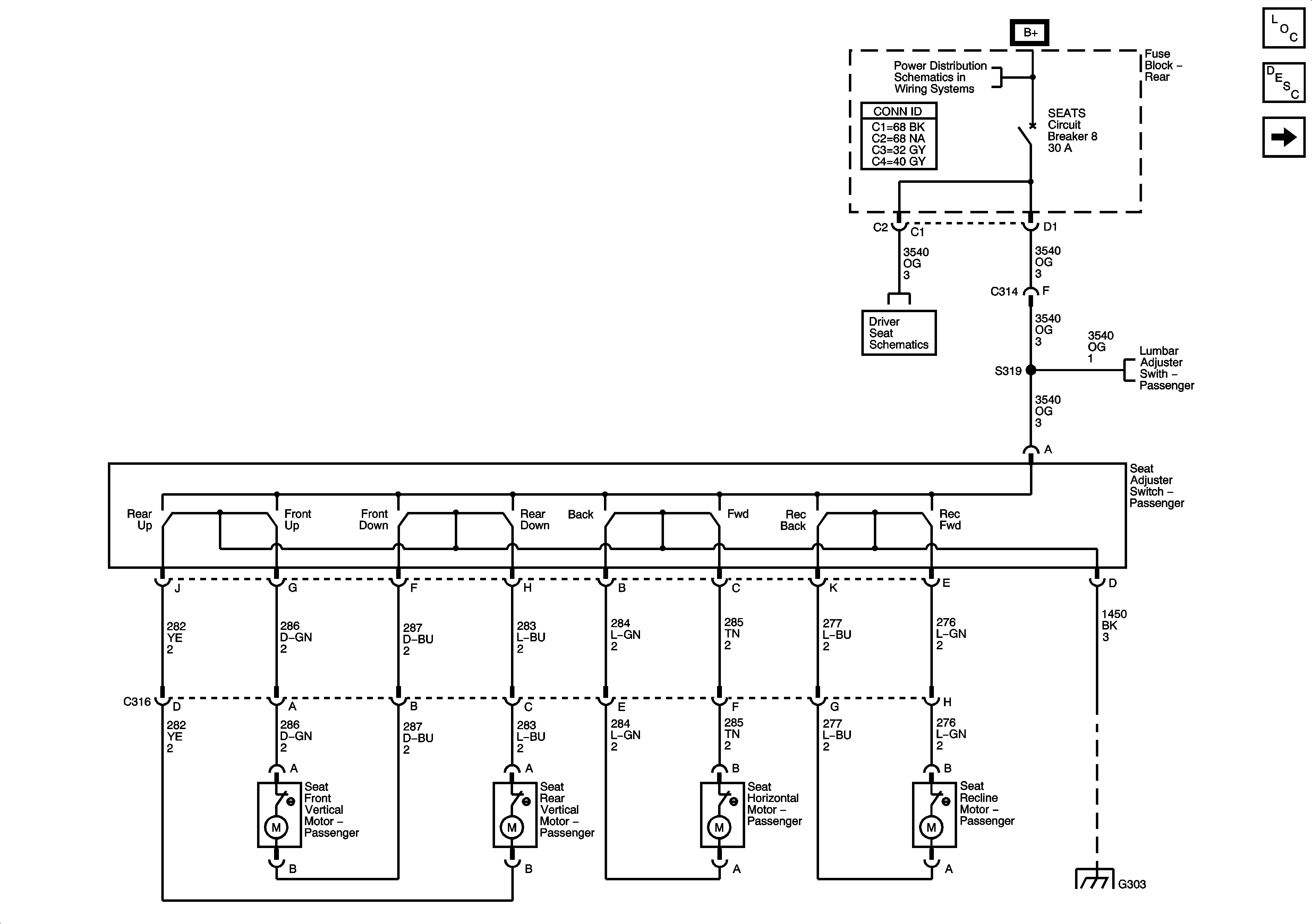
🢒 Power Seat Controls
Power Seat Controls
Power Seat Controls
Master Electrical Component List
Power Seats System Description and Operation
Lumbar Controls
B+ Bus - Rear Fuse Block
Power Seat Controls w/o Memory
Lumbar Controls
G302 - 1 of 2, G303, and G304