GM Service Manual Online
For 1990-2009 cars only
Figure 1:

Power Seat Controls w/o Memory


Object Number: 1429975  Size: FS
Master Electrical Component List
Power Seats System Description and Operation
Control Module References
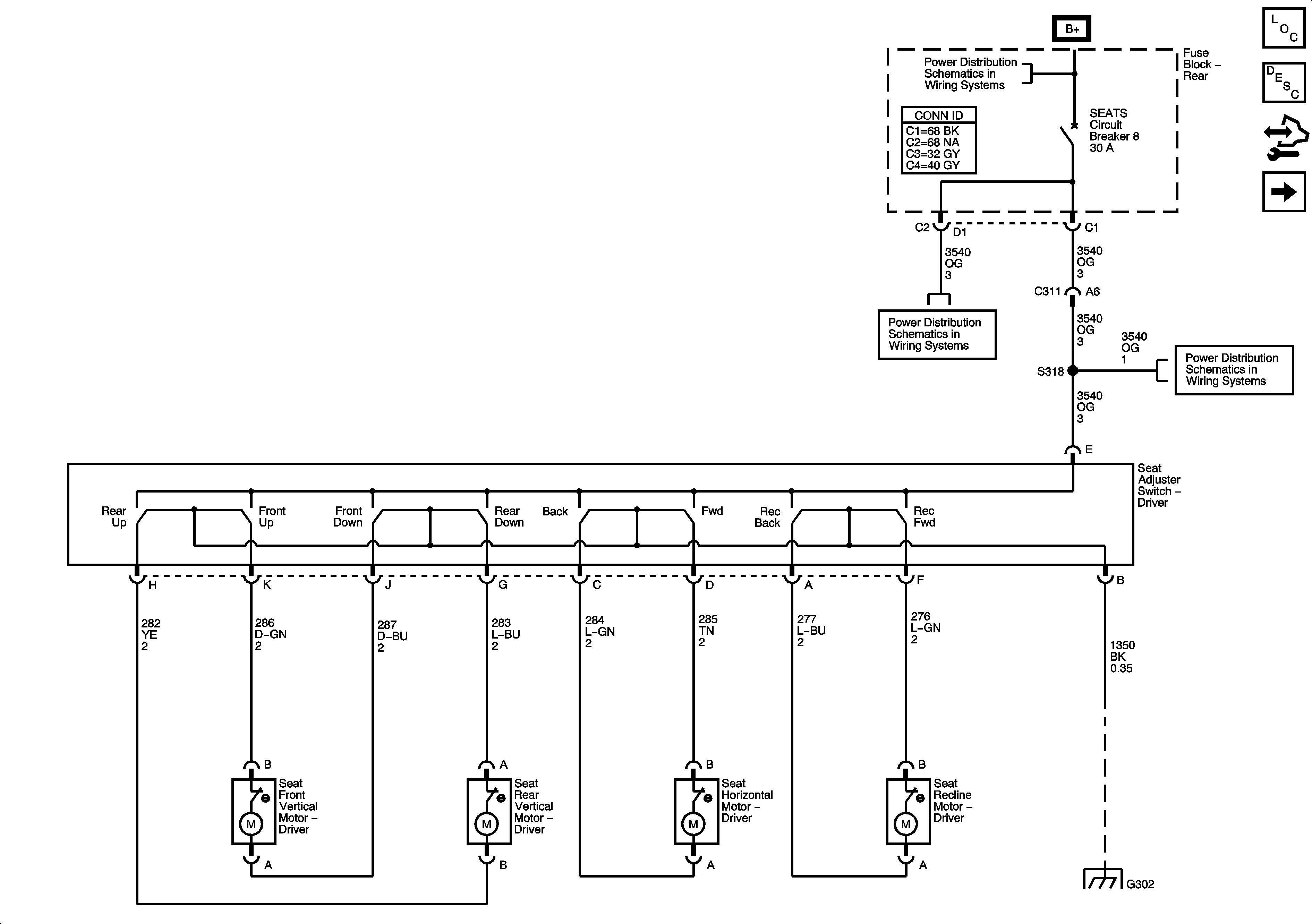
Power Seat Controls w/Memory - Power, Ground, and Switch Controls
B+ Bus - Rear Fuse Block
AMP, DDM, PDM Fuses, LT DOORS, RT DOORS, and SEATS Circuit Breakers
AMP, DDM, PDM Fuses, LT DOORS, RT DOORS, and SEATS Circuit Breakers
G302 - 1 of 2, G303, and G304
Figure 2:

Power Seat Controls w/Memory - Power, Ground, and Switch Controls


Object Number: 1429977  Size: FS
Master Electrical Component List
Memory Seats Description and Operation
Control Module References
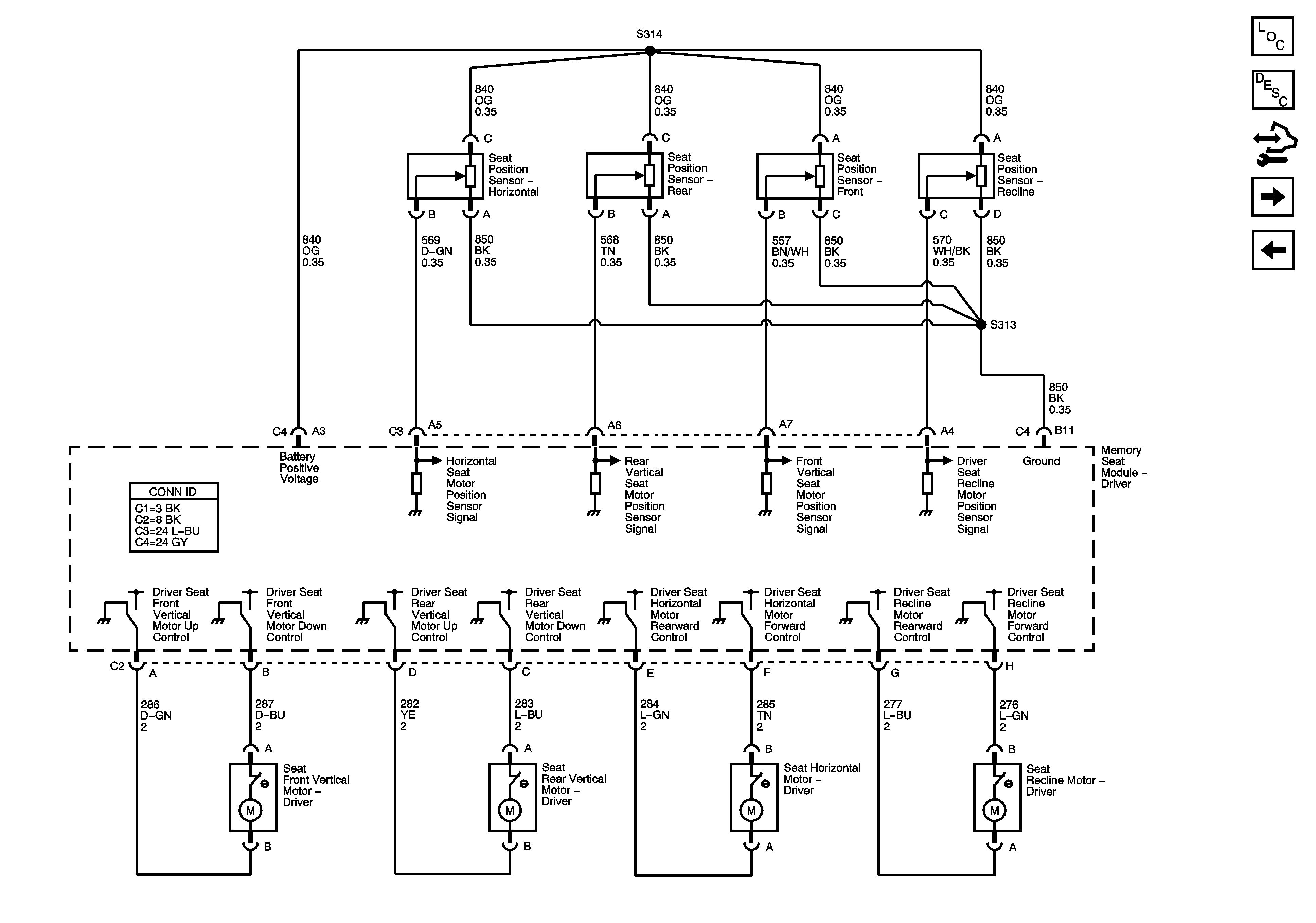
Power Seat Controls w/Memory - Motors and Position Sensors
Power Seat Controls w/o Memory
B+ Bus - Rear Fuse Block
AMP, DDM, PDM Fuses, LT DOORS, RT DOORS, and SEATS Circuit Breakers
HVAC B, LGM/DSM, OHBATT/ONSTAR, and RADIO Fuses
EGM#2, EGM/DSM, PWRLATCH, ROOF Fuses, ENDGLASS REG, MIDGATE REG, and ROOF REG Circuit Breakers - XUV
G302 - 1 of 2, G303, and G304
Figure 3:

Power Seat Controls w/Memory - Motors and Position Sensors


Object Number: 1429980  Size: FS
Master Electrical Component List
Memory Seats Description and Operation
Control Module References
Lumbar Controls w/o Memory
Power Seat Controls w/Memory - Power, Ground, and Switch Controls
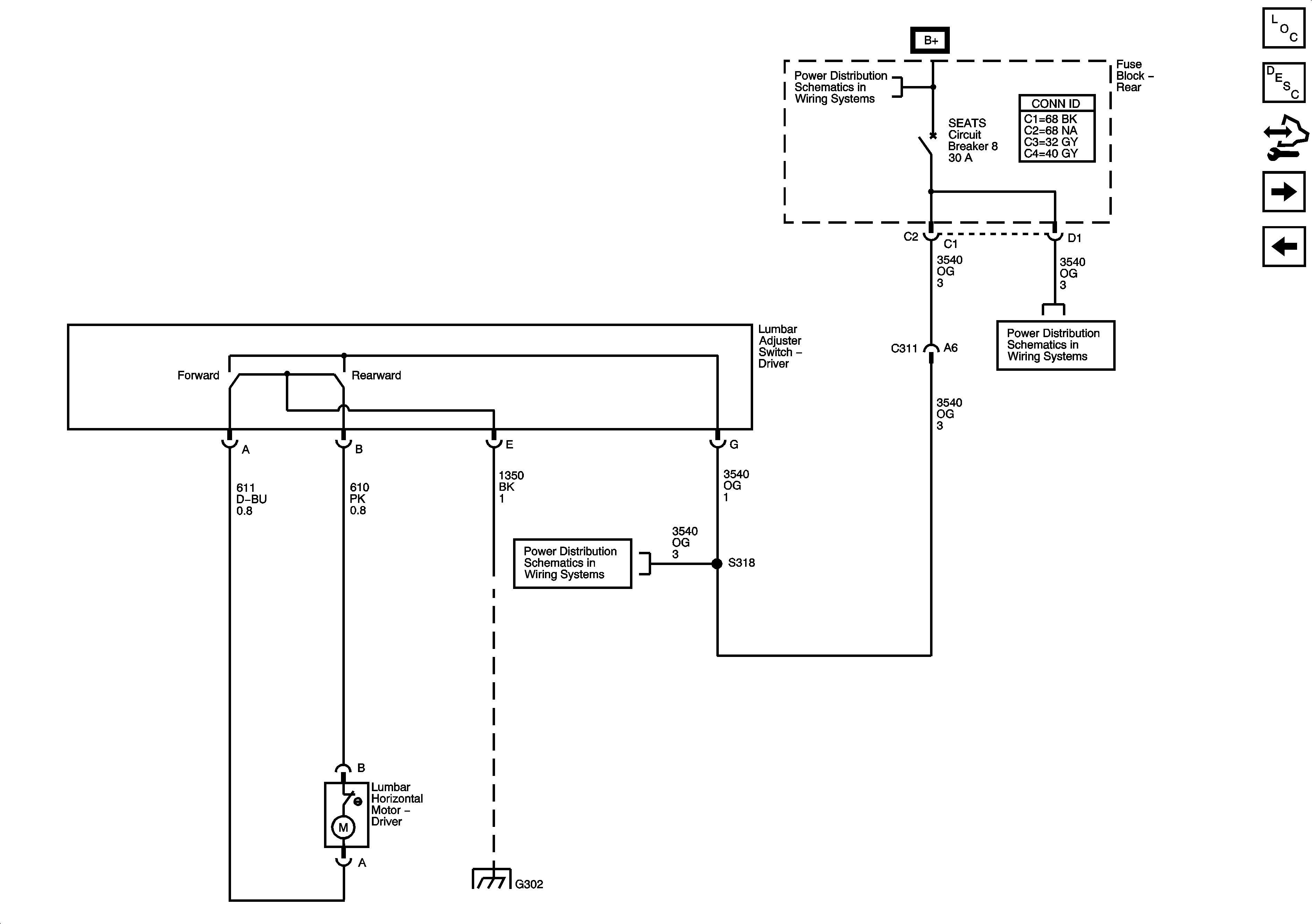
Figure 4:

Lumbar Controls w/o Memory


Object Number: 1429982  Size: FS
Master Electrical Component List
Lumbar Support Description and Operation
Control Module References
Lumbar Controls w/Memory
Power Seat Controls w/Memory - Motors and Position Sensors
B+ Bus - Rear Fuse Block
AMP, DDM, PDM Fuses, LT DOORS, RT DOORS, and SEATS Circuit Breakers
AMP, DDM, PDM Fuses, LT DOORS, RT DOORS, and SEATS Circuit Breakers
G302 - 1 of 2, G303, and G304
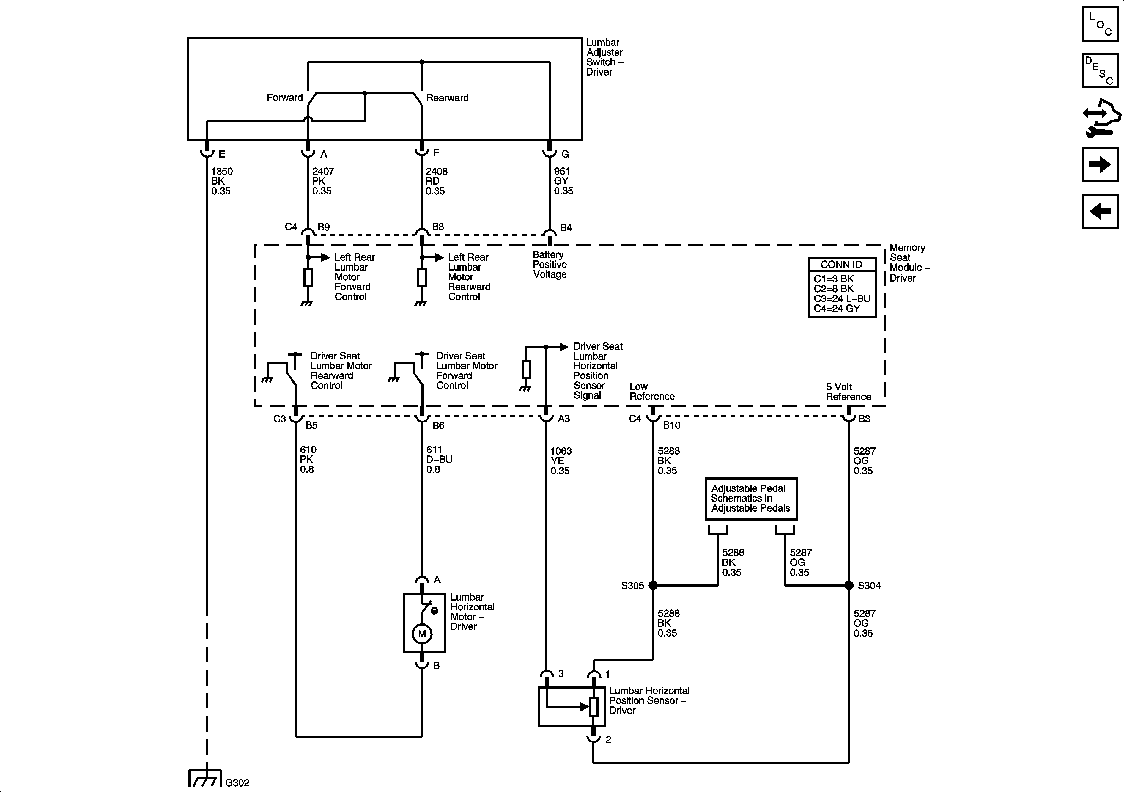
Figure 5:

Lumbar Controls w/Memory


Object Number: 1429985  Size: FS
Master Electrical Component List
Lumbar Support Description and Operation
Control Module References
Heat Controls
Lumbar Controls w/o Memory
Adjustable Pedals
G302 - 1 of 2, G303, and G304
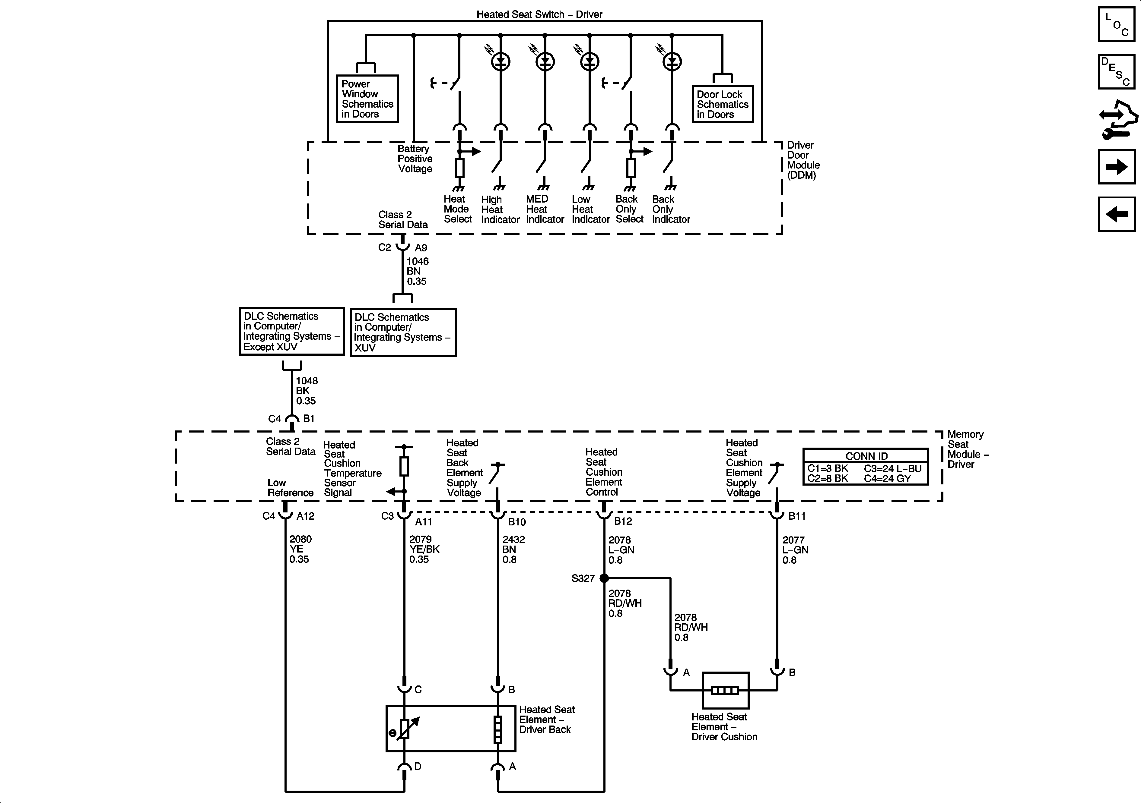
Figure 6:

Heat Controls


Object Number: 1429987  Size: FS
Master Electrical Component List
Heated Seats Description and Operation
Control Module References
Memory Controls
Lumbar Controls w/Memory
SP306 - except XUV
SP306 - XUV
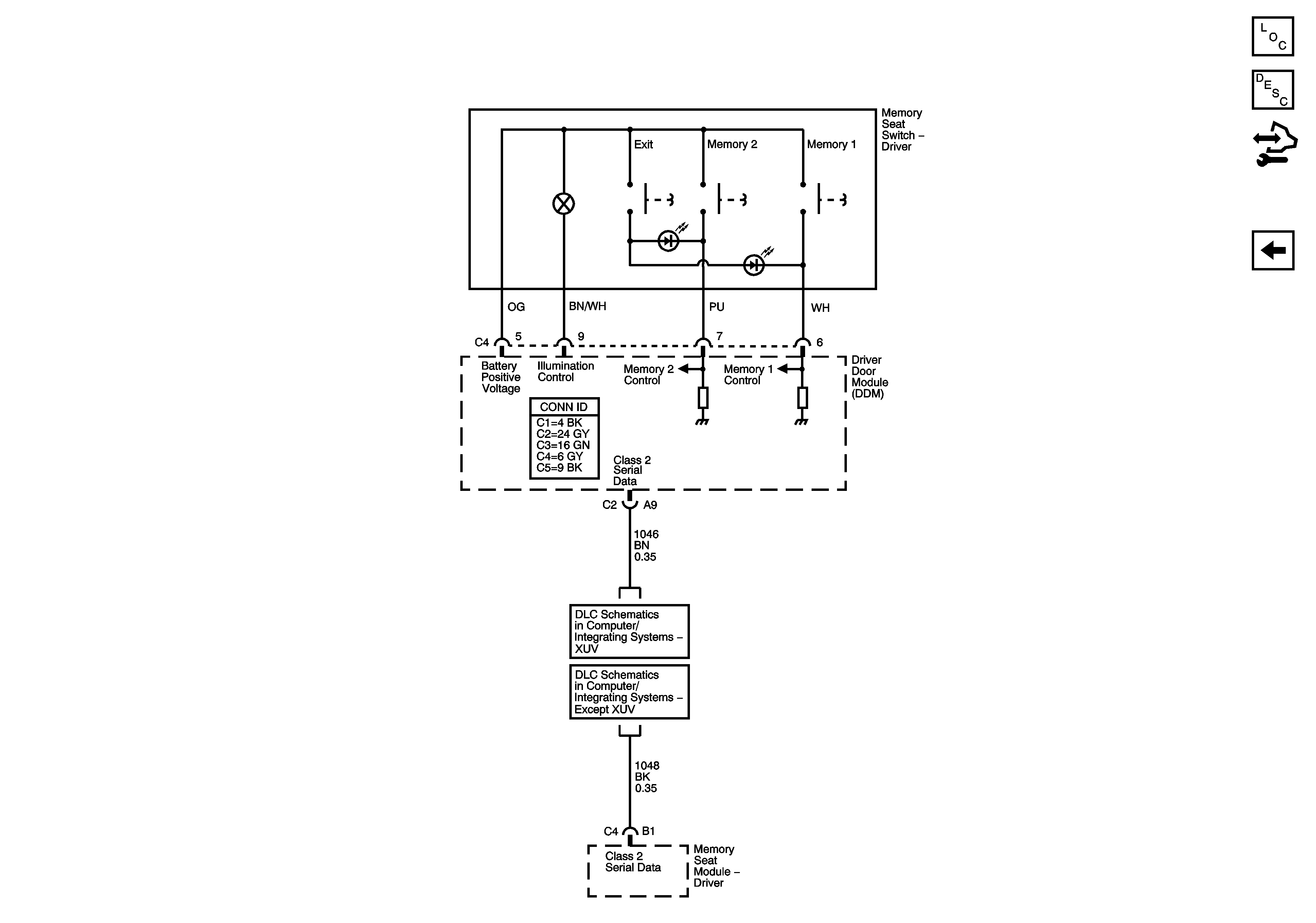
Figure 7:

Memory Controls


Object Number: 1429989  Size: FS
Master Electrical Component List
Memory Seats Description and Operation
Control Module References
Heat Controls
SP306 - XUV
SP306 - except XUV