GM Service Manual Online
For 1990-2009 cars only
Figure 1:

Module Power, Ground, Serial Data, Blower Motor, and Coolant Bypass Valve


Object Number: 1413177  Size: FS
Master Electrical Component List
Air Temperature Description and Operation
Control Module References
Compressor Controls
B+ Bus - Underhood Fuse Block
Ignition Switch - ACCY/RUN/START, RUN, and START Bus Bars, IGN A and CRANK Fuses
BRAKE, HVAC I, and TBC RUN Fuses
B+ Bus - Rear Fuse Block
BRAKE, HVAC I, and TBC RUN Fuses
HVAC B, LGM/DSM, OHBATT/ONSTAR, and RADIO Fuses
SP205
Rear Mode Controls - SWB and XUV
G201 - 1 of 2
G101, G103, G106, and G110
G102
Figure 2:

Compressor Controls


Object Number: 1413179  Size: FS
Master Electrical Component List
Air Temperature Description and Operation
Control Module References
Air Delivery/Temperature Actuators
Module Power, Ground, Serial Data, Blower Motor, and Coolant Bypass Valve
Ignition Switch - ACCY/RUN and RUN/START Bus Bars, IGN B Fuse
Ignition Switch - ACCY/RUN and RUN/START Bus Bars, IGN B Fuse
B+ Bus - Underhood Fuse Block
SP205
G104, G105, and G107
G101, G103, G106, and G110
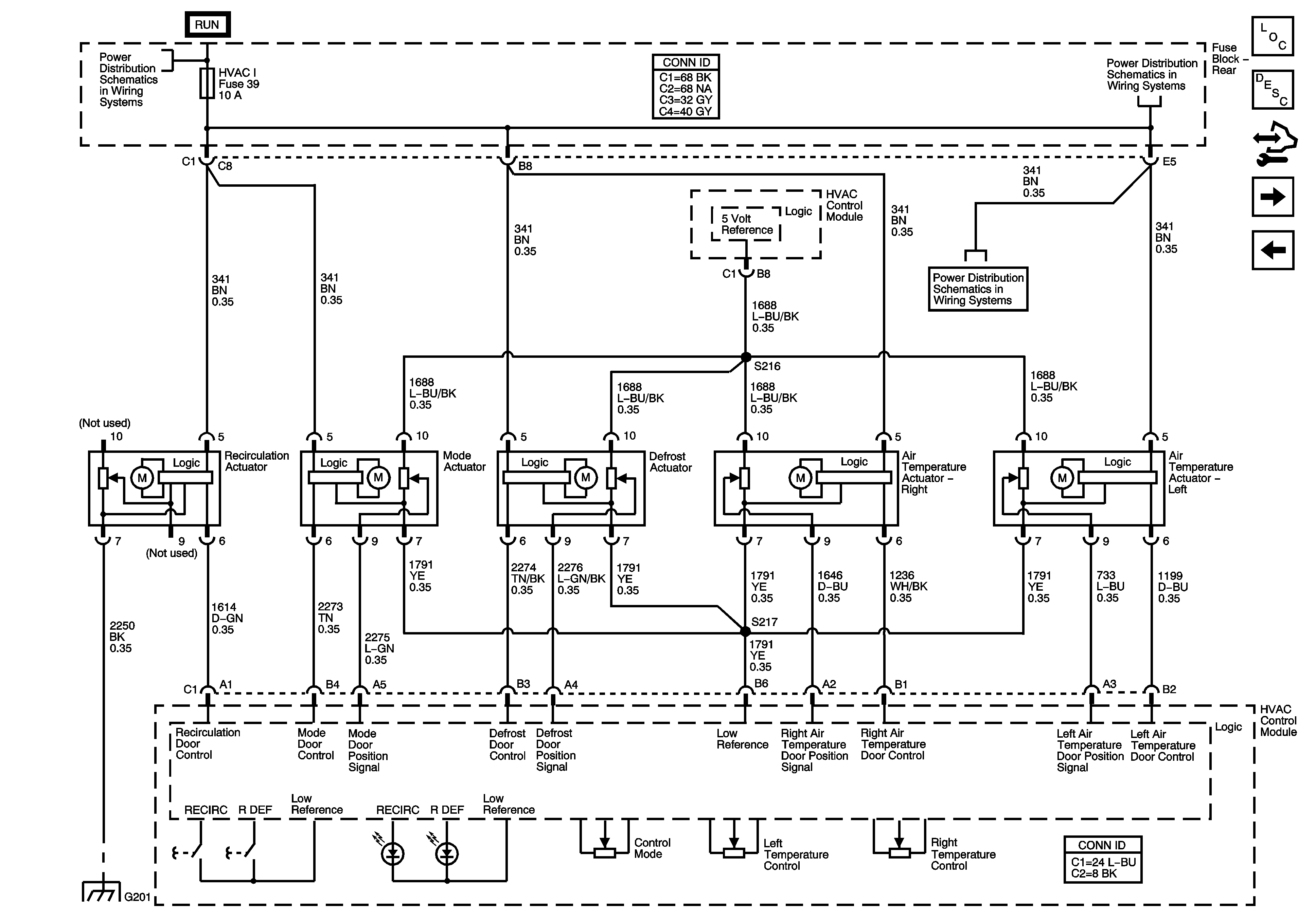
Figure 3:

Air Delivery/Temperature Actuators


Object Number: 1413180  Size: FS
Master Electrical Component List
Air Temperature Description and Operation
Control Module References
Rear Mode Controls - SWB and XUV
Compressor Controls
Ignition Switch - ACCY/RUN/START, RUN, and START Bus Bars, IGN A and CRANK Fuses
BRAKE, HVAC I, and TBC RUN Fuses
BRAKE, HVAC I, and TBC RUN Fuses
G201 - 1 of 2
Figure 4:

Rear Mode Controls - SWB and XUV


Object Number: 1413181  Size: FS
Master Electrical Component List
Air Delivery Description and Operation
Control Module References
Rear Mode Controls - LWB except XUV
Air Delivery/Temperature Actuators
Module Power, Ground, Serial Data, Blower Motor, and Coolant Bypass Valve
Ignition Switch - ACCY/RUN/START, RUN, and START Bus Bars, IGN A and CRANK Fuses
BRAKE, HVAC I, and TBC RUN Fuses
BRAKE, HVAC I, and TBC RUN Fuses
BRAKE, HVAC I, and TBC RUN Fuses
G201 - 1 of 2
Figure 5:

Rear Mode Controls (LWB except XUV)


Object Number: 1413184  Size: FS
Master Electrical Component List
Air Temperature Description and Operation
Control Module References
Water Pump Controls - LWB Except XUV
Rear Mode Controls - SWB and XUV
I/P Dimming Supply - 1 of 2
B+ Bus - Rear Fuse Block
HVAC B, LGM/DSM, OHBATT/ONSTAR, and RADIO Fuses
SP205
G201 - 1 of 2
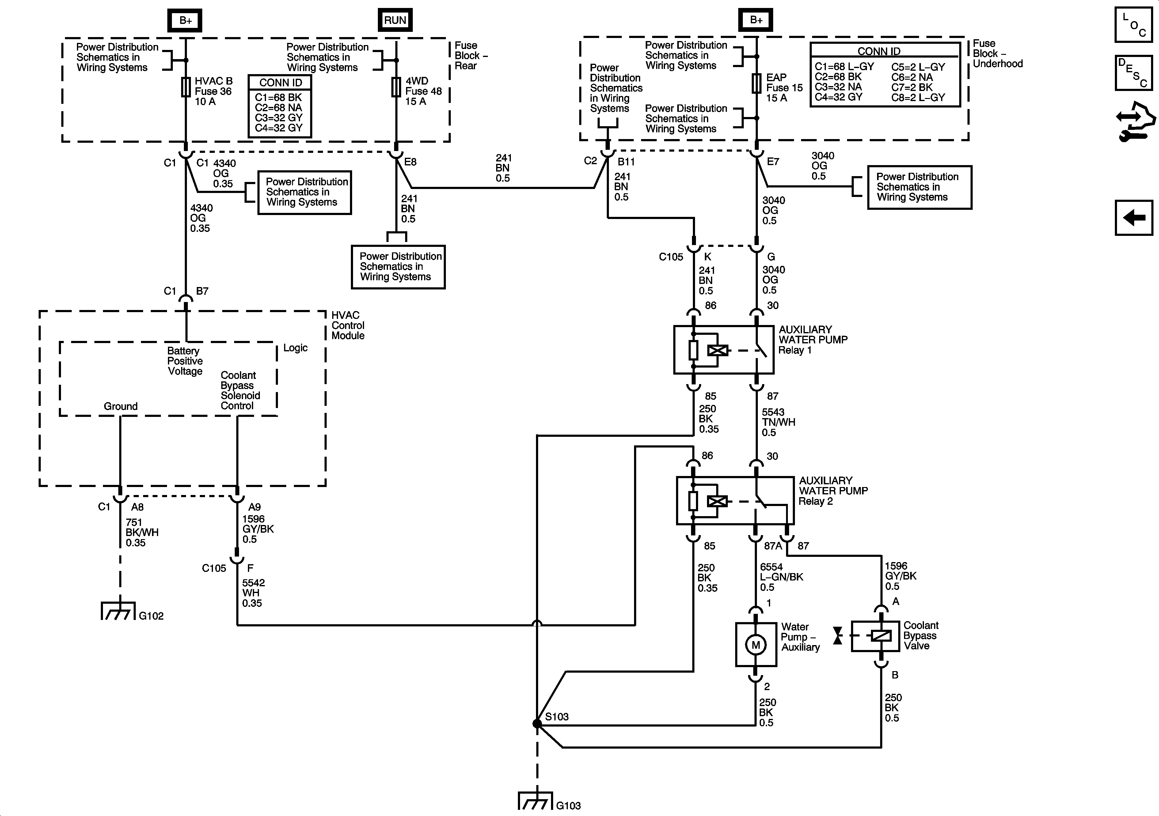
Figure 6:

Water Pump Controls - LWB Except XUV


Object Number: 1545209  Size: FS
Air Temperature Description and Operation
Rear Mode Controls - LWB except XUV
HVAC B, LGM/DSM, OHBATT/ONSTAR, and RADIO Fuses
Ignition Switch - ACCY/RUN/START, RUN, and START Bus Bars, IGN A and CRANK Fuses
HVAC B, LGM/DSM, OHBATT/ONSTAR, and RADIO Fuses
4WD, ENG I, HVAC, O2, SIR, and TAC Fuses
4WD, ENG I, HVAC, O2, SIR, and TAC Fuses
B+ Bus - Underhood Fuse Block
AIR, COILS, EAP, ECM, HDM, HI HDLP-LT, HI HDLP-RT, LOW HDLP-RT, LOW HDLP-LT, PCMB, and TCB1 Fuses
AIR, COILS, EAP, ECM, HDM, HI HDLP-LT, HI HDLP-RT, LOW HDLP-RT, LOW HDLP-LT, PCMB, and TCB1 Fuses
G102
G101, G103, G106, and G110