GM Service Manual Online
For 1990-2009 cars only
Makes
🢒
Buick
🢒
2005
🢒
Rainier - 2WD
🢒
Vehicle Control Systems
🢒
Vehicle DTC Information
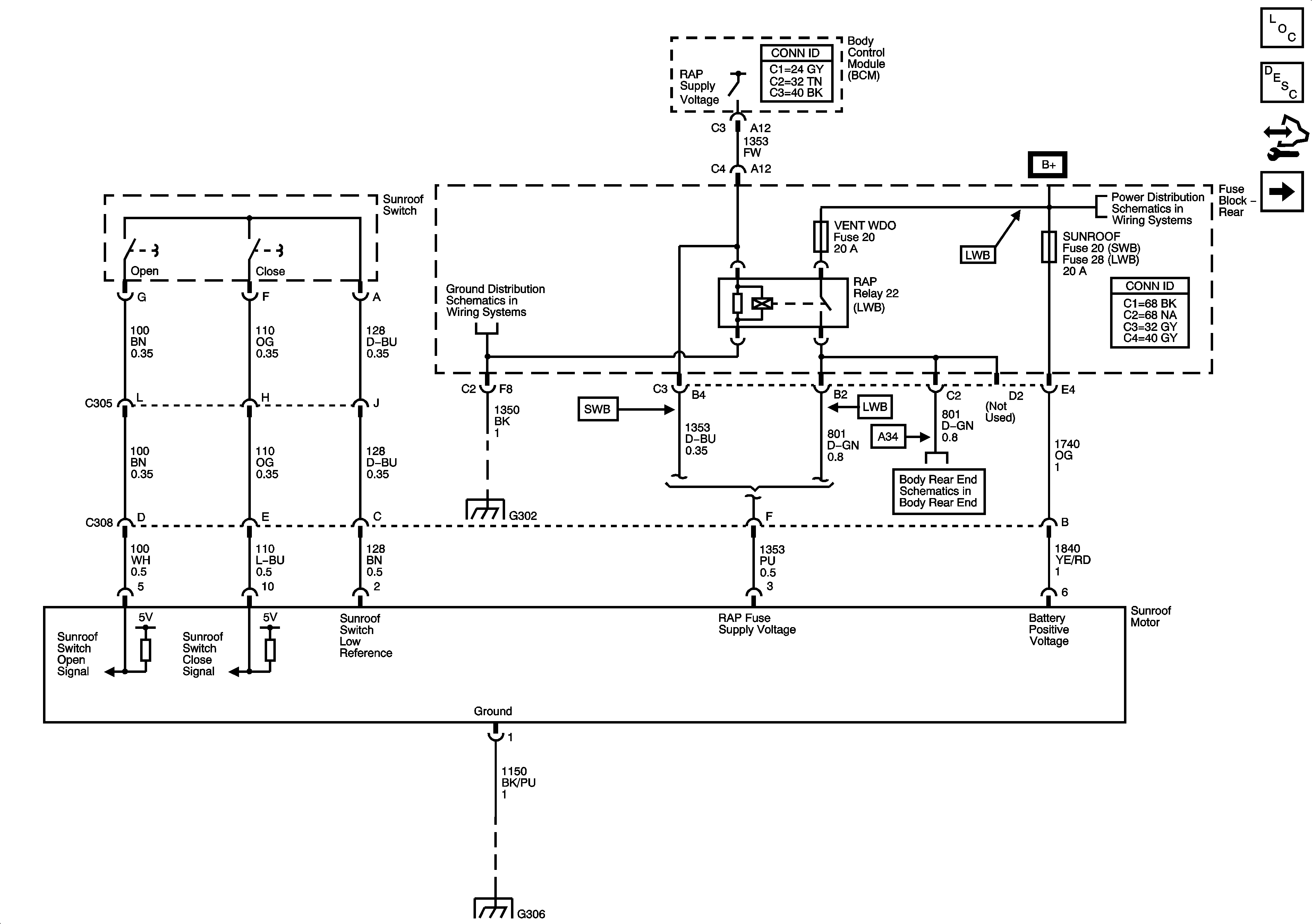
🢒 Sunroof Schematics
Figure
1:
Power Sunroof - Except XUV
Master Electrical Component List
Sunroof Description and Operation
Control Module References
Roof -XUV
G302 - 2 of 2
B+ Bus - Rear Fuse Block
G302 - 1 of 2, G303, and G304
Quarter Glass Windows
G306
Figure
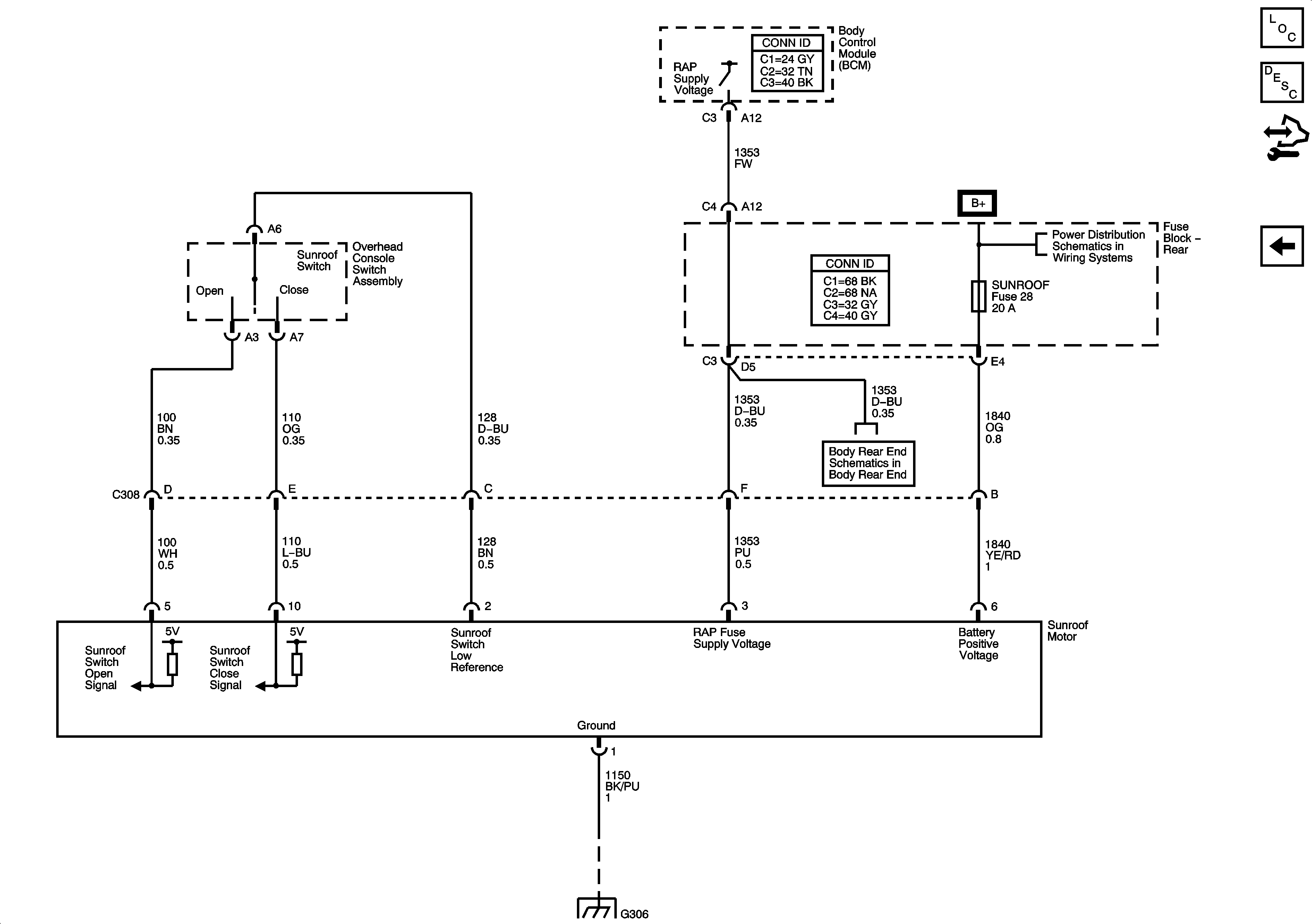
2:
Power Sunroof - XUV
Master Electrical Component List
Sunroof Description and Operation
Control Module References
Roof - Except XUV
B+ Bus - Rear Fuse Block
Midgate - XUV
G306