GM Service Manual Online
For 1990-2009 cars only
Makes
🢒
Buick
🢒
2005
🢒
Rainier - 2WD
🢒
Vehicle Control Systems
🢒
Vehicle DTC Information
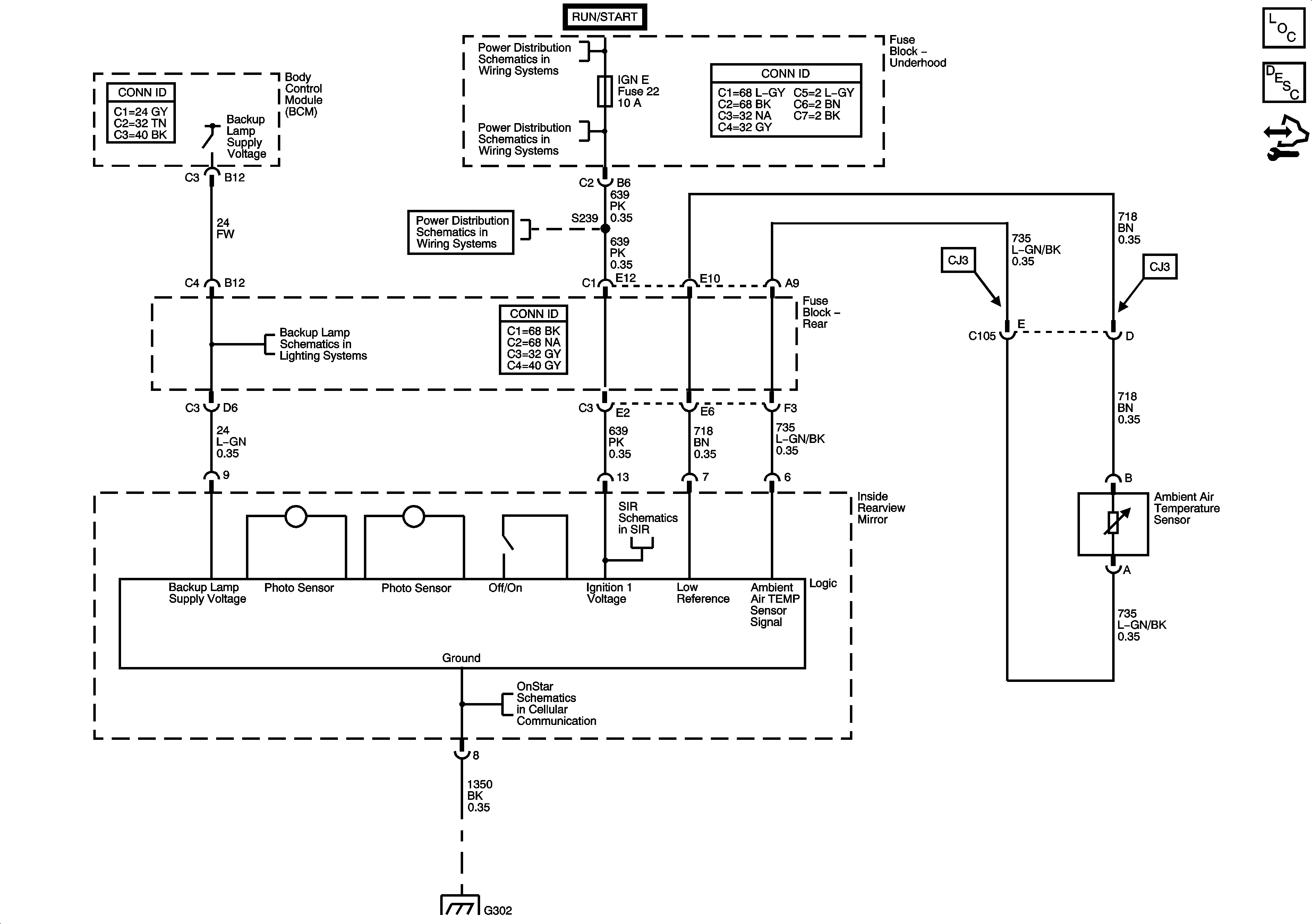
🢒 Inside Rearview Mirror Schematics
Master Electrical Component List
Automatic Day-Night Mirror Description and Operation
Control Module References
Ignition Switch - ACCY/RUN and RUN/START Bus Bars, IGN B Fuse
BACK UP, BTSI, IGNE, TBC IGN1, and TRLR B/U Fuses
BACK UP, BTSI, IGNE, TBC IGN1, and TRLR B/U Fuses
Backup Lamps
PPS Sensors and Indicators
OnStar
G302 - 2 of 2