GM Service Manual Online
For 1990-2009 cars only
Makes
🢒
Buick
🢒
2005
🢒
Rainier - 2WD
🢒
Vehicle Control Systems
🢒
Vehicle DTC Information
🢒 Transfer Case Control Schematics
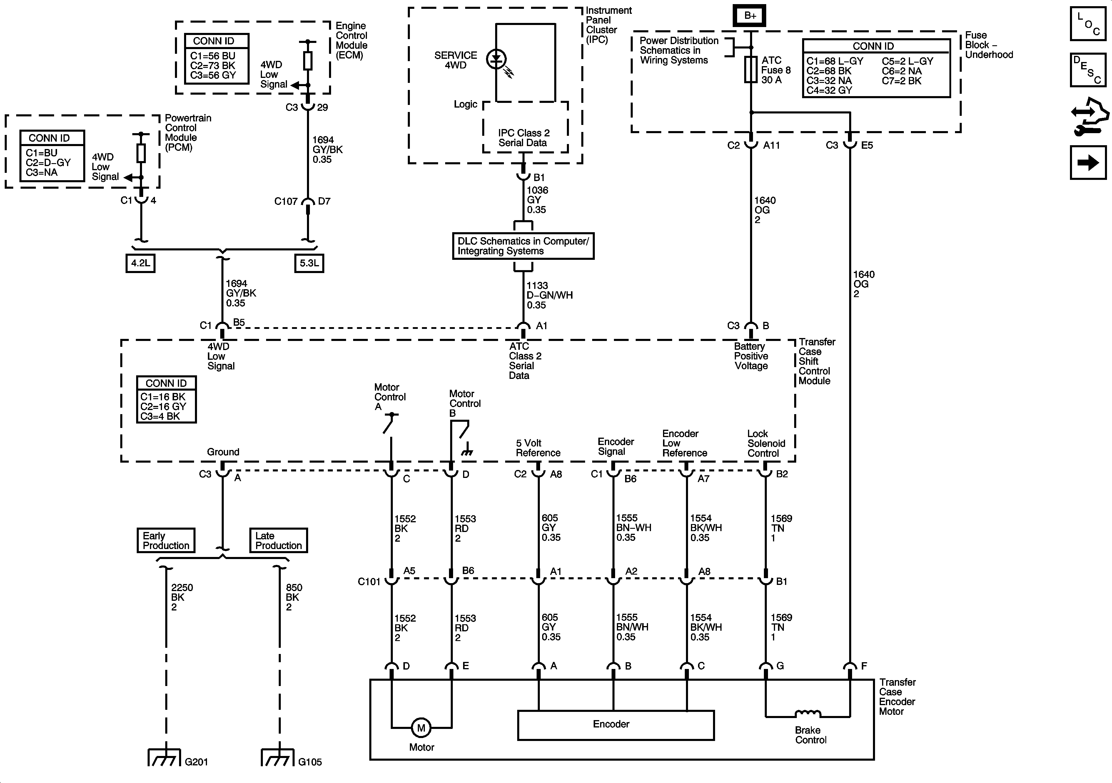
Figure
1:
Power, Ground, Serial Data, and Transfer Case Encoder Motor
Master Electrical Component List
Transfer Case Description and Operation
Control Module References
Speed Signal, Front Axle Actuator, and Indicators
B+ Bus - Underhood Fuse Block
SP205
G201 - 1 of 2
G104, G105, and G107
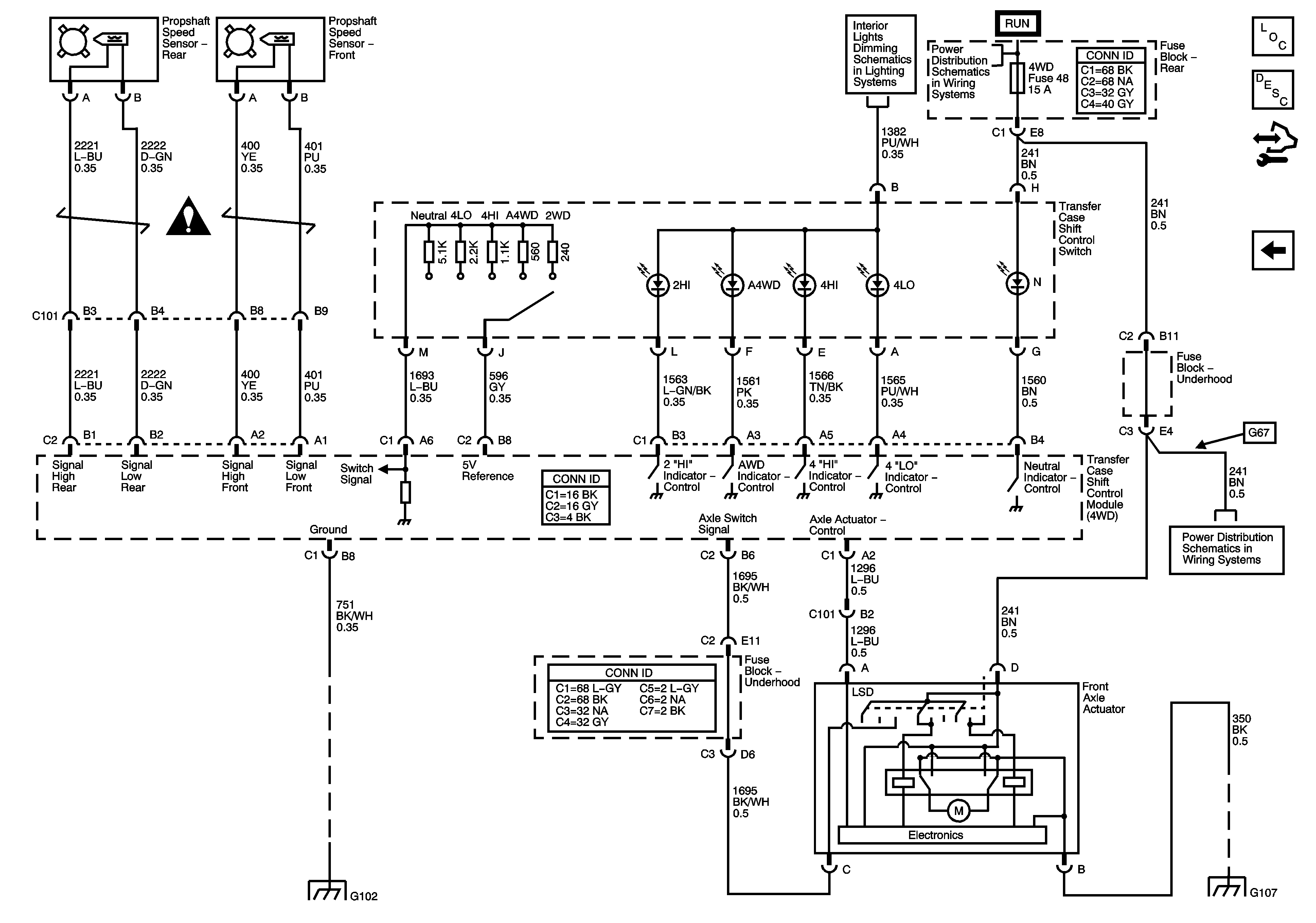
Figure
2:
Speed Signal, Front Axle Actuator, and Indicators
Master Electrical Component List
Transfer Case Description and Operation
Control Module References
Power, Ground, Serial Data, and Transfer Case Encoder Motor
Courtesy Lamp Supply - 2 of 2
Ignition Switch - ACCY/RUN/START, RUN, and START Bus Bars, IGN A and CRANK Fuses
Transfer Case Control Schematic Icons
4WD, ENG I, HVAC, O2, SIR, and TAC Fuses
G102
G104, G105, and G107