GM Service Manual Online
For 1990-2009 cars only
Makes
🢒
Buick
🢒
2005
🢒
Rainier - 2WD
🢒
Body
🢒
Wiring Systems
🢒 Cruise Control Schematics
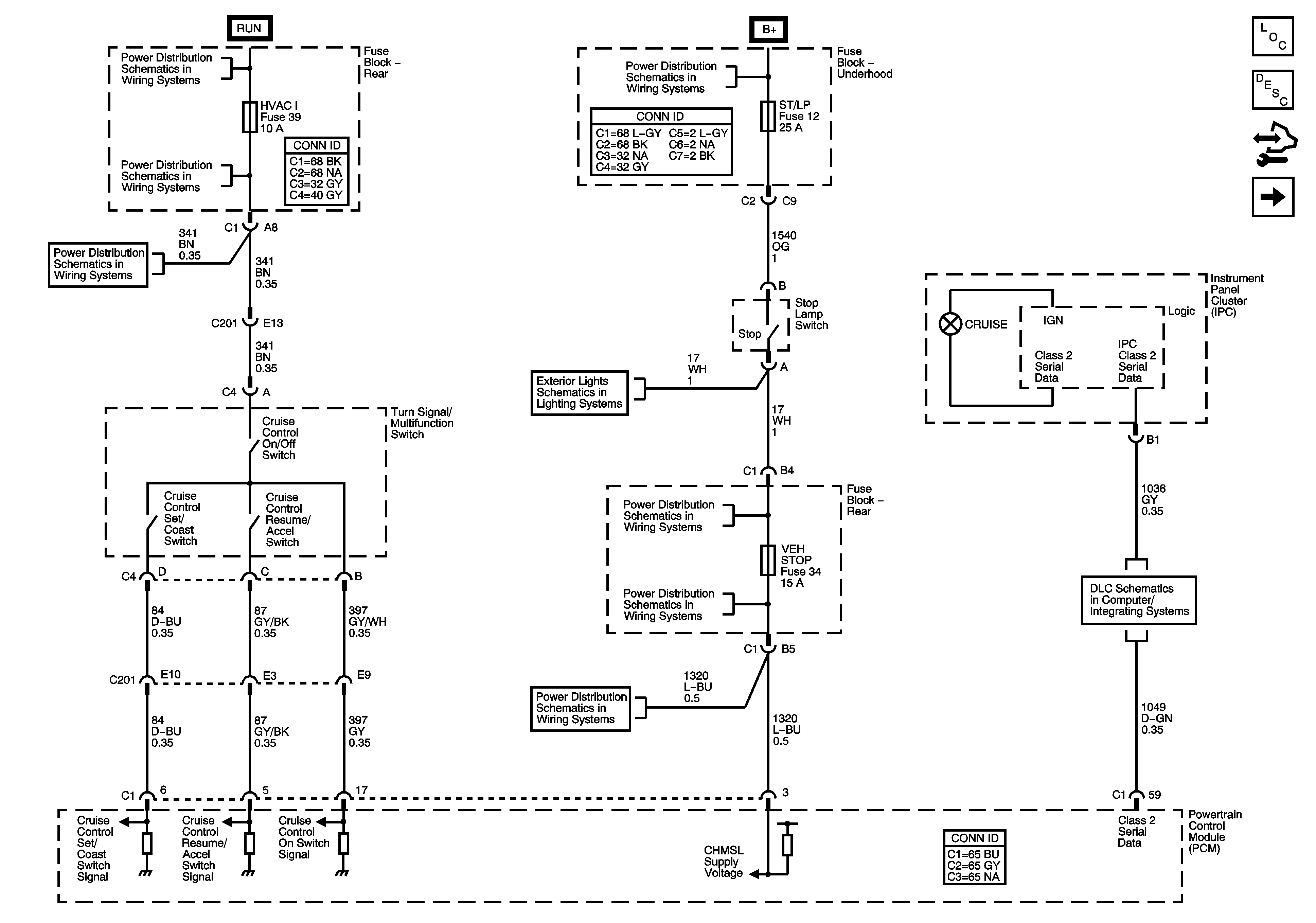
Figure
1:
Cruise Control - 4.2L
Master Electrical Component List
Cruise Control Description and Operation 4.2L
Control Module References
Cruise Control 5.3L
Ignition Switch - ACCY/RUN/START, RUN, and START Bus Bars, IGN A and CRANK Fuses
B+ Bus - Underhood Fuse Block
BRAKE, HVAC I, and TBC RUN Fuses
BRAKE, HVAC I, and TBC RUN Fuses
Stop Lamps
ABS, ATC, BLOWER, CIGAR, ECAS, ELEC BRK, FLASH, IPC/DIC, ST/LP, TRAILER, VEH CHMSL, and VEH STOP Fuses
ABS, ATC, BLOWER, CIGAR, ECAS, ELEC BRK, FLASH, IPC/DIC, ST/LP, TRAILER, VEH CHMSL, and VEH STOP Fuses
ABS, ATC, BLOWER, CIGAR, ECAS, ELEC BRK, FLASH, IPC/DIC, ST/LP, TRAILER, VEH CHMSL, and VEH STOP Fuses
SP205
Figure
2:
Cruise Control - 5.3L
Master Electrical Component List
Cruise Control Description and Operation 5.3L
Control Module References
Cruise Control 4.2L
BRAKE, HVAC I, and TBC RUN Fuses
Ignition Switch - ACCY/RUN/START, RUN, and START Bus Bars, IGN A and CRANK Fuses
BRAKE, HVAC I, and TBC RUN Fuses
B+ Bus - Underhood Fuse Block
Stop Lamps
ABS, ATC, BLOWER, CIGAR, ECAS, ELEC BRK, FLASH, IPC/DIC, ST/LP, TRAILER, VEH CHMSL, and VEH STOP Fuses
ABS, ATC, BLOWER, CIGAR, ECAS, ELEC BRK, FLASH, IPC/DIC, ST/LP, TRAILER, VEH CHMSL, and VEH STOP Fuses
SP205
ABS, ATC, BLOWER, CIGAR, ECAS, ELEC BRK, FLASH, IPC/DIC, ST/LP, TRAILER, VEH CHMSL, and VEH STOP Fuses
G108