GM Service Manual Online
For 1990-2009 cars only
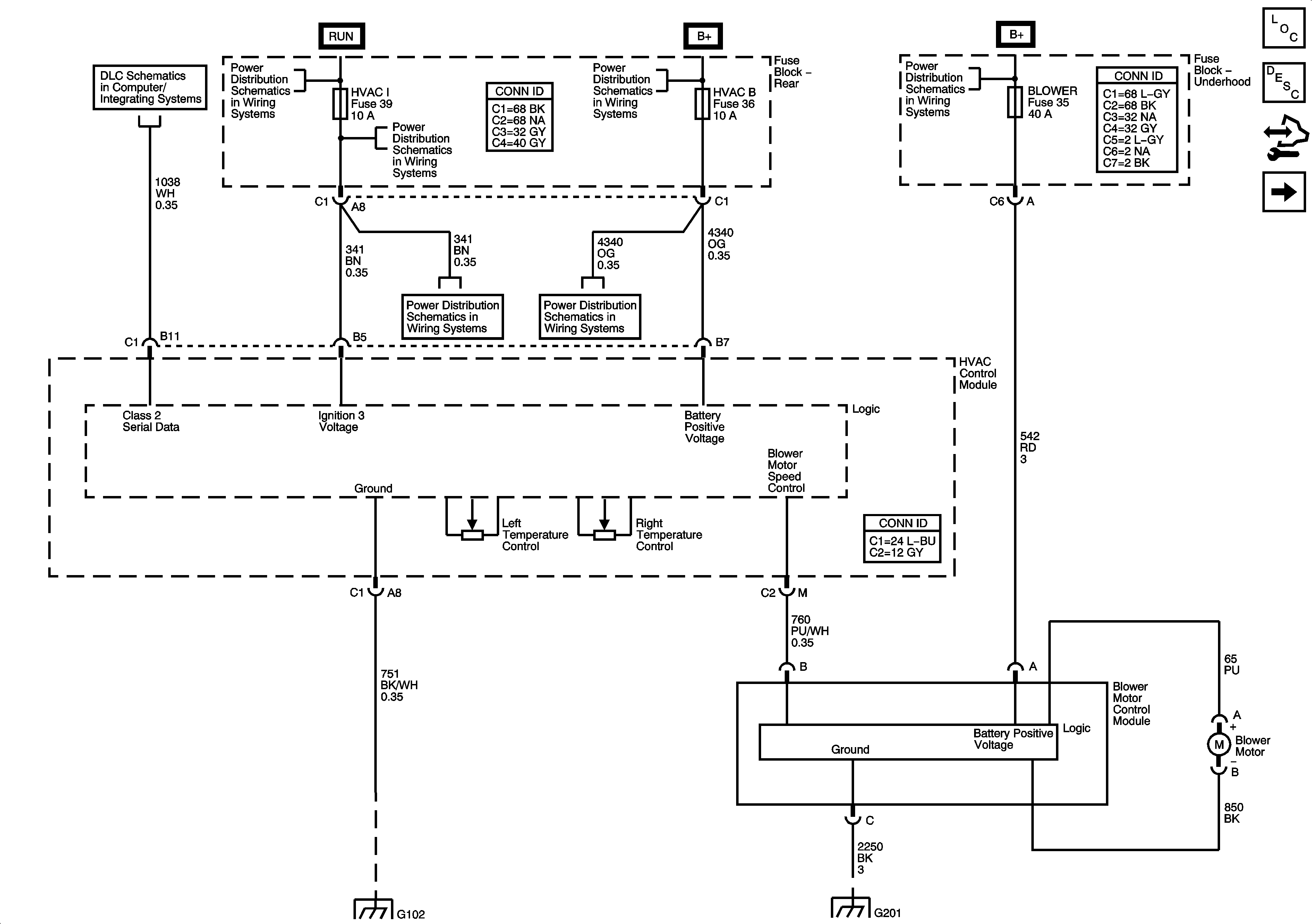
Figure 1:

Module Power, Ground, Serial Data, Blower Motor, and Coolant Bypass Valve


Object Number: 1413221  Size: FS
Master Electrical Component List
Air Temperature Description and Operation
Control Module References
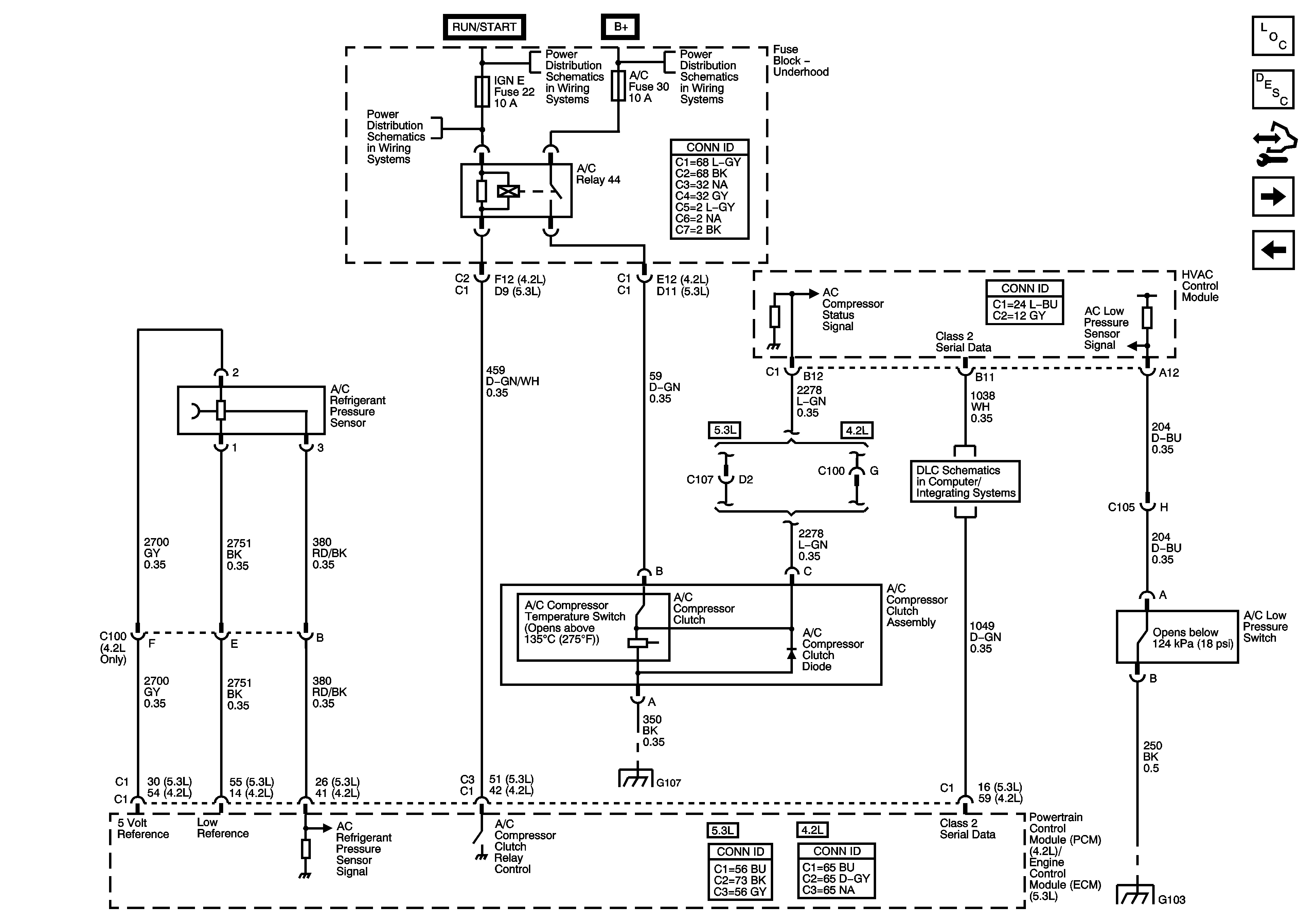
Compressor Controls
SP205
Ignition Switch - ACCY/RUN/START, RUN, and START Bus Bars, IGN A and CRANK Fuses
BRAKE, HVAC I, and TBC RUN Fuses
B+ Bus - Rear Fuse Block
B+ Bus - Underhood Fuse Block
BRAKE, HVAC I, and TBC RUN Fuses
BRAKE, HVAC I, and TBC RUN Fuses
G101, G103, G106, and G110
G102
G201 - 1 of 2
Figure 2:

Compressor Controls


Object Number: 1413222  Size: FS
Master Electrical Component List
Air Temperature Description and Operation
Control Module References
Air Delivery/Temperature Actuators
Module Power, Ground, Serial Data, Blower Motor, and Coolant Bypass Valve
Ignition Switch - ACCY/RUN and RUN/START Bus Bars, IGN B Fuse
Ignition Switch - ACCY/RUN and RUN/START Bus Bars, IGN B Fuse
B+ Bus - Underhood Fuse Block
SP205
G104, G105, and G107
G101, G103, G106, and G110
Figure 3:

Air Delivery/Temperature Actuators


Object Number: 1413223  Size: FS
Master Electrical Component List
Air Temperature Description and Operation
Control Module References
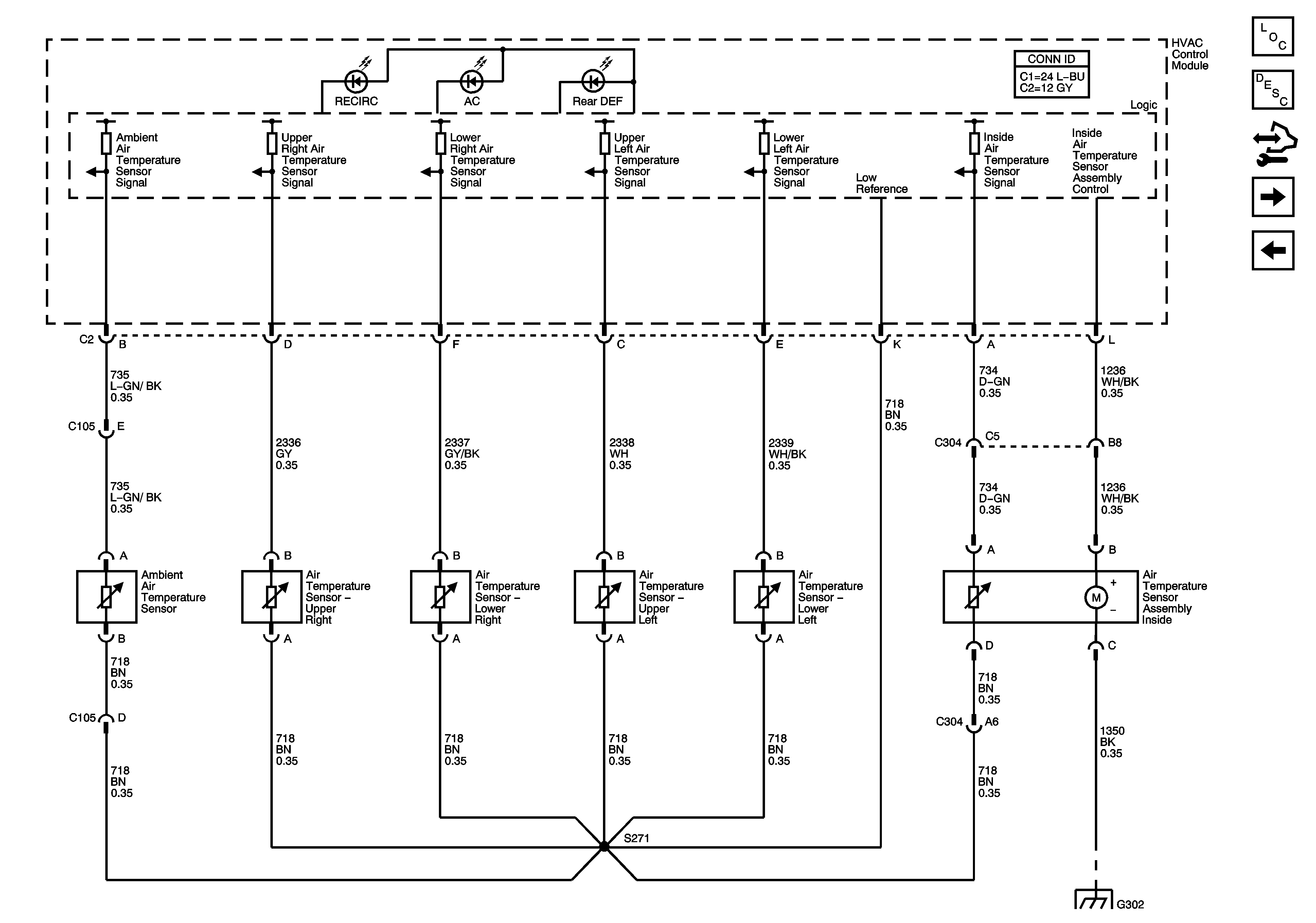
Air Temperature Sensors
Compressor Controls
Ignition Switch - ACCY/RUN/START, RUN, and START Bus Bars, IGN A and CRANK Fuses
BRAKE, HVAC I, and TBC RUN Fuses
BRAKE, HVAC I, and TBC RUN Fuses
Figure 4:

Air Temperature Sensors


Object Number: 1413225  Size: FS
Master Electrical Component List
Air Temperature Description and Operation
Control Module References
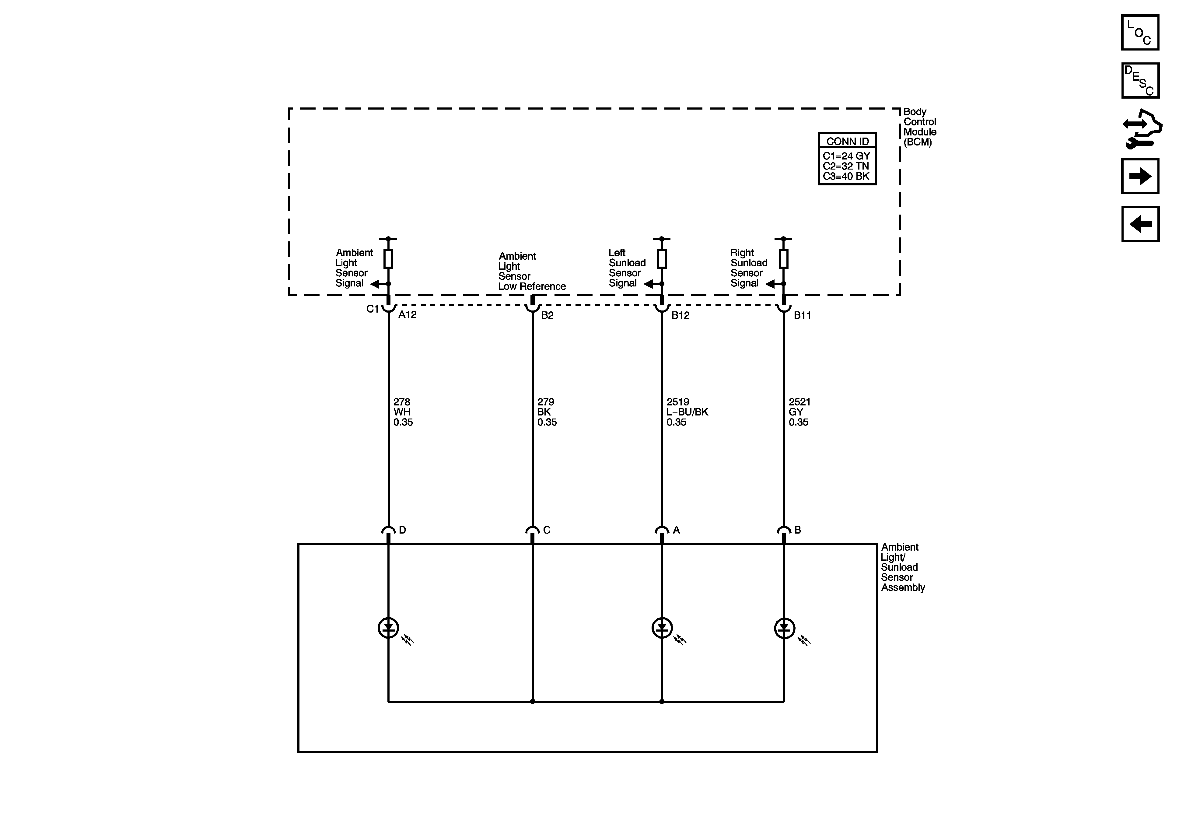
Ambient Light/Sunload Sensor
Air Delivery/Temperature Actuators
G302 - 1 of 2, G303, and G304
Figure 5:

Ambient LIght/Sunload Sensors


Object Number: 1413226  Size: FS
Master Electrical Component List
Air Temperature Description and Operation
Control Module References
Rear Auxiliary Controls - SWB and XUV
Air Temperature Sensors
Figure 6:

Rear Auxiliary Controls


Object Number: 1413227  Size: FS
Master Electrical Component List
Air Temperature Description and Operation
Control Module References
Rear HVAC w/RSA - LWB except XUV
Ambient Light/Sunload Sensor
SP205
B+ Bus - Rear Fuse Block
Ignition Switch - ACCY/RUN/START, RUN, and START Bus Bars, IGN A and CRANK Fuses
BRAKE, HVAC I, and TBC RUN Fuses
HVAC B, LGM/DSM, OHBATT/ONSTAR, and RADIO Fuses
BRAKE, HVAC I, and TBC RUN Fuses
BRAKE, HVAC I, and TBC RUN Fuses
G201 - 1 of 2
G201 - 1 of 2
Figure 7:

Rear HVAC w/RSA - LWB except XUV


Object Number: 1413228  Size: FS
Master Electrical Component List
Air Temperature Description and Operation
Control Module References
Water Pump Controls - LWB Except XUV
Rear Auxiliary Controls - SWB and XUV
B+ Bus - Rear Fuse Block
HVAC B, LGM/DSM, OHBATT/ONSTAR, and RADIO Fuses
SP205
G401, G402, and G403 - Except XUV
G201 - 1 of 2
Figure 8:

Water Pump Controls - LWB Except XUV


Object Number: 1545209  Size: FS
Air Temperature Description and Operation
Rear HVAC w/RSA - LWB except XUV
HVAC B, LGM/DSM, OHBATT/ONSTAR, and RADIO Fuses
Ignition Switch - ACCY/RUN/START, RUN, and START Bus Bars, IGN A and CRANK Fuses
HVAC B, LGM/DSM, OHBATT/ONSTAR, and RADIO Fuses
4WD, ENG I, HVAC, O2, SIR, and TAC Fuses
4WD, ENG I, HVAC, O2, SIR, and TAC Fuses
B+ Bus - Underhood Fuse Block
AIR, COILS, EAP, ECM, HDM, HI HDLP-LT, HI HDLP-RT, LOW HDLP-RT, LOW HDLP-LT, PCMB, and TCB1 Fuses
AIR, COILS, EAP, ECM, HDM, HI HDLP-LT, HI HDLP-RT, LOW HDLP-RT, LOW HDLP-LT, PCMB, and TCB1 Fuses
G102
G101, G103, G106, and G110