GM Service Manual Online
For 1990-2009 cars only
Figure 1:

Liftgate


Object Number: 1430266  Size: FS
Master Electrical Component List
Rear Hatch/Gate Ajar Indicator Description and Operation
Control Module References
Quarter Glass Windows
B+ Bus - Rear Fuse Block
HVAC B, LGM/DSM, OHBATT/ONSTAR, and RADIO Fuses
HVAC B, LGM/DSM, OHBATT/ONSTAR, and RADIO Fuses
SP205
SP306 - except XUV
G401, G402, and G403 - Except XUV
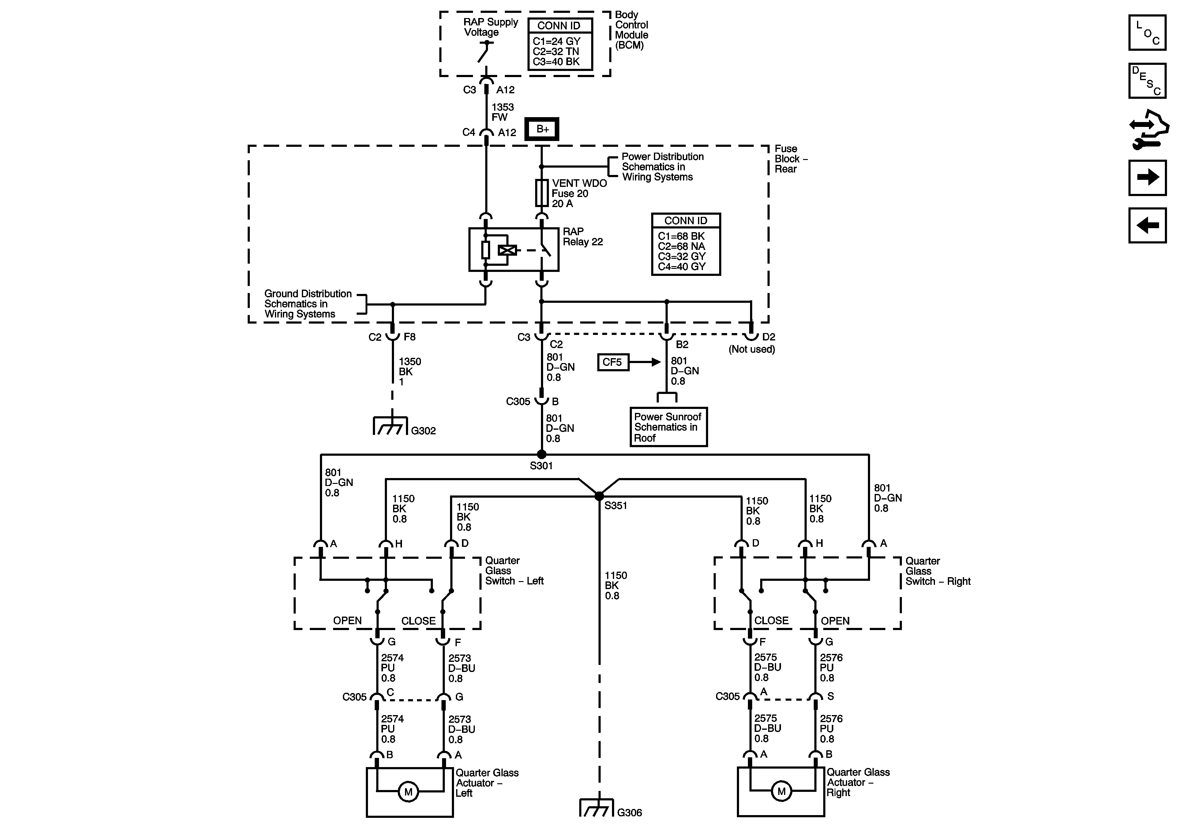
Figure 2:

Quarter Glass Windows


Object Number: 1430269  Size: FS
Master Electrical Component List
Rear Quarter Window Description and Operation
Control Module References
Midgate - XUV
Liftgate
B+ Bus - Rear Fuse Block
G302 - 2 of 2
G302 - 1 of 2, G303, and G304
Roof - Except XUV
G306
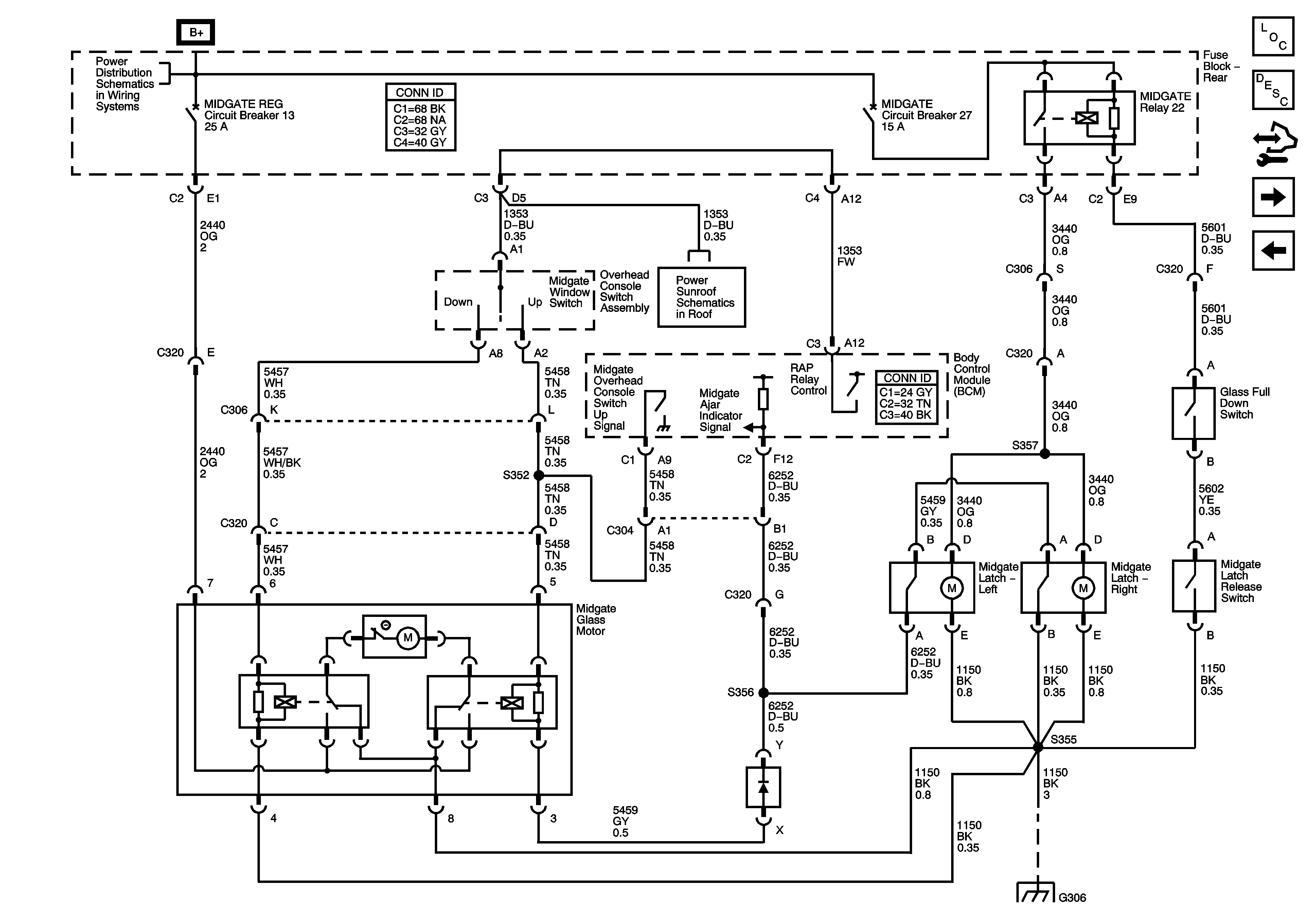
Figure 3:

Midgate - XUV only


Object Number: 1430271  Size: FS
Master Electrical Component List
Midgate Description and Operation
Control Module References
Endgate Power, Ground, and Gate Ajar - XUV
Quarter Glass Windows
B+ Bus - Rear Fuse Block
Roof -XUV
G306
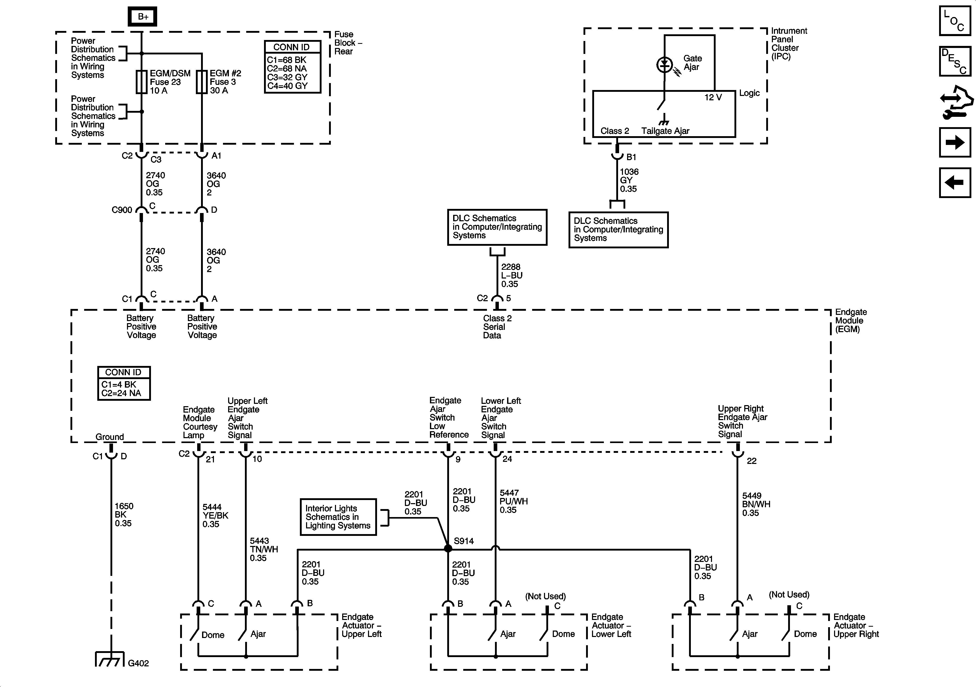
Figure 4:

Endgate Power, Ground, and Gate Ajar - XUV only


Object Number: 1430272  Size: FS
Master Electrical Component List
Endgate Description and Operation
Control Module References
Endgate Window Controls - XUV
Midgate - XUV
B+ Bus - Rear Fuse Block
EGM#2, EGM/DSM, PWRLATCH, ROOF Fuses, ENDGLASS REG, MIDGATE REG, and ROOF REG Circuit Breakers - XUV
SP306 - XUV
SP205
Liftgate Module (except XUV) and Endgate Module (XUV) Switch Inputs
G401, G402, G403 - XUV
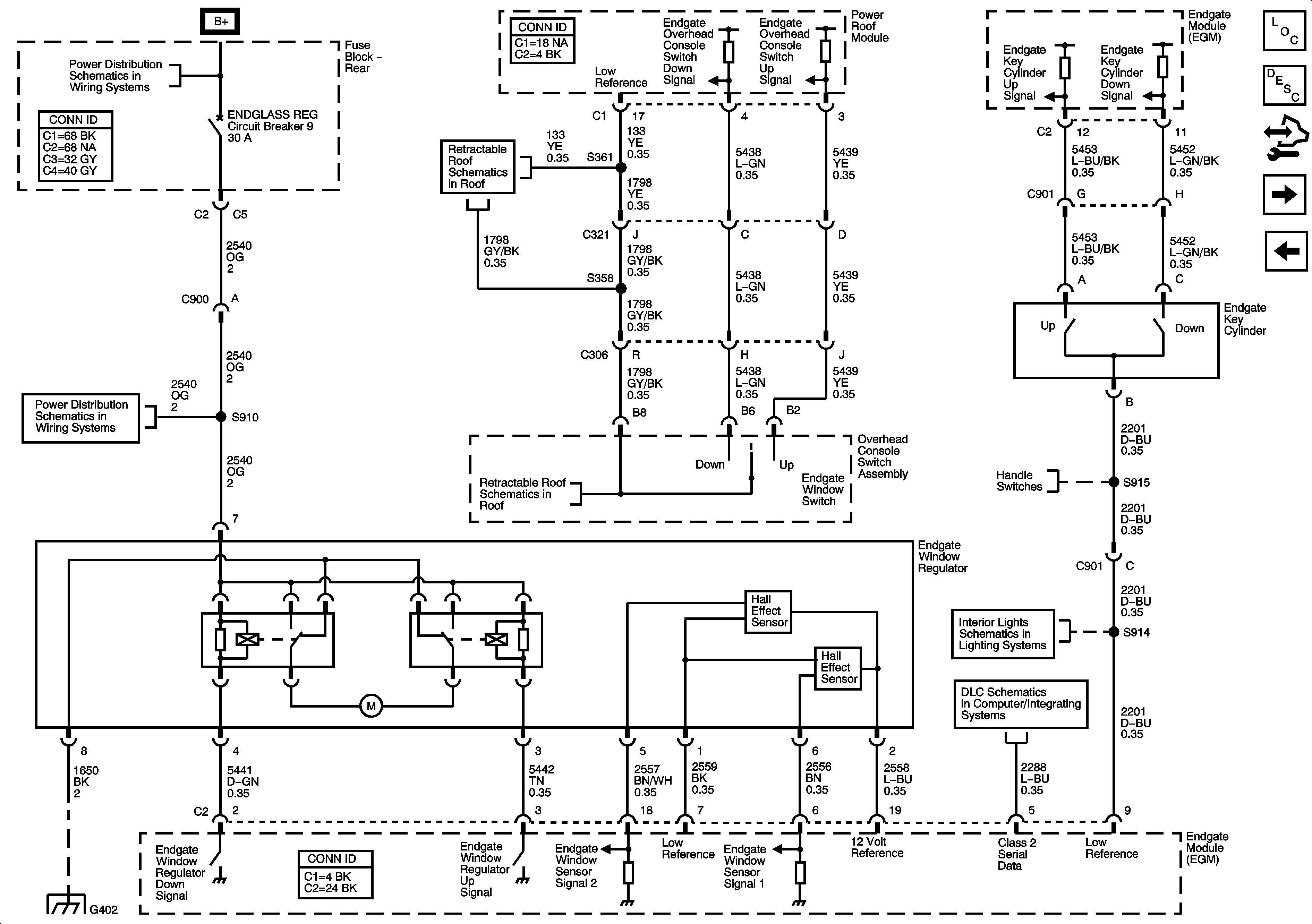
Figure 5:

Endgate Window Controls - XUV only


Object Number: 1430277  Size: FS
Master Electrical Component List
Endgate Power Window Description and Operation
Control Module References
Endgate Release - XUV
Endgate Power, Ground, and Gate Ajar - XUV
B+ Bus - Rear Fuse Block
Retractable Roof
EGM#2, EGM/DSM, PWRLATCH, ROOF Fuses, ENDGLASS REG, MIDGATE REG, and ROOF REG Circuit Breakers - XUV
Retractable Roof
Endgate Release - XUV
Liftgate Module (except XUV) and Endgate Module (XUV) Switch Inputs
SP306 - XUV
G401, G402, G403 - XUV
Figure 6:

Endgate Release - XUV only


Object Number: 1430278  Size: FS
Master Electrical Component List
Endgate Description and Operation
Control Module References
Endgate Window Controls - XUV
B+ Bus - Rear Fuse Block
SP306 - XUV
G401, G402, G403 - XUV
Endgate Window Controls - XUV
Liftgate Module (except XUV) and Endgate Module (XUV) Switch Inputs