GM Service Manual Online
For 1990-2009 cars only
Makes
🢒
Buick
🢒
2005
🢒
Rainier - 2WD
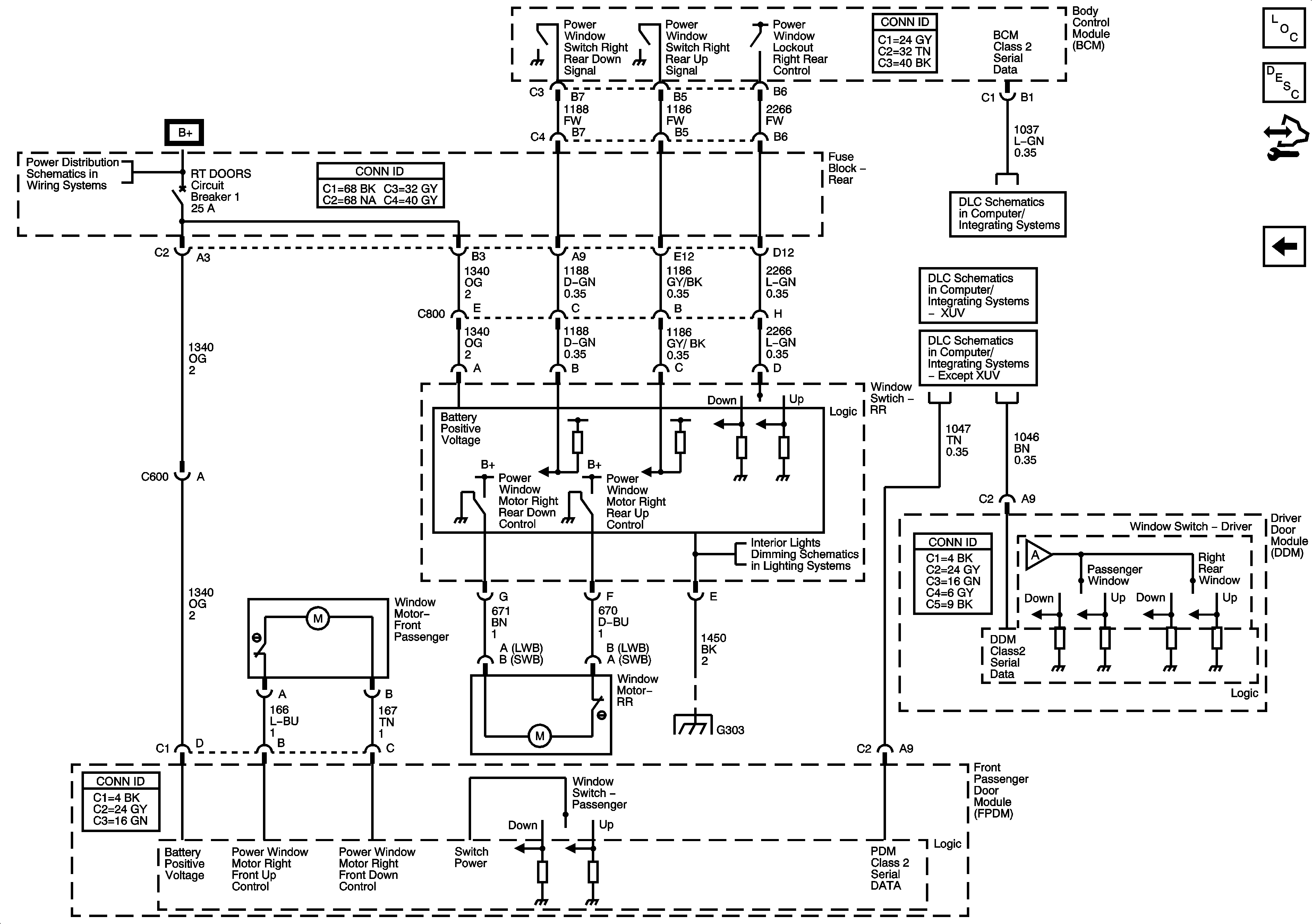
🢒 Power Windows - Right
Power Windows - Right
Power Windows - Right
Master Electrical Component List
Power Windows Description and Operation
Control Module References
Power Windows - Left
AMP, DDM, PDM Fuses, LT DOORS, RT DOORS, and SEATS Circuit Breakers
SP205
SP306 - XUV
SP306 - except XUV
I/P Dimming Supply - 1 of 2
Power Windows - Left
G302 - 1 of 2, G303, and G304