GM Service Manual Online
For 1990-2009 cars only

A/C SYSTEMS DISCHARED OR A/C LINE CONTACTS BATTERY CABLE

VEHICLES AFFECTED: 1989 E

Some 1989 Rivieras built after VIN 1G4EZ11C5KU411752 and some 1989 Toronados built after VIN 1G3EV11C7KU305979) thru end of Production may experience a condition of the A/C system discharged due to a cracked or worn A/C line near the compressor, or an underhood knock on hard acceleration due to interference between the battery cable and the A/C line near the A/C compressor. Use the following procedures:

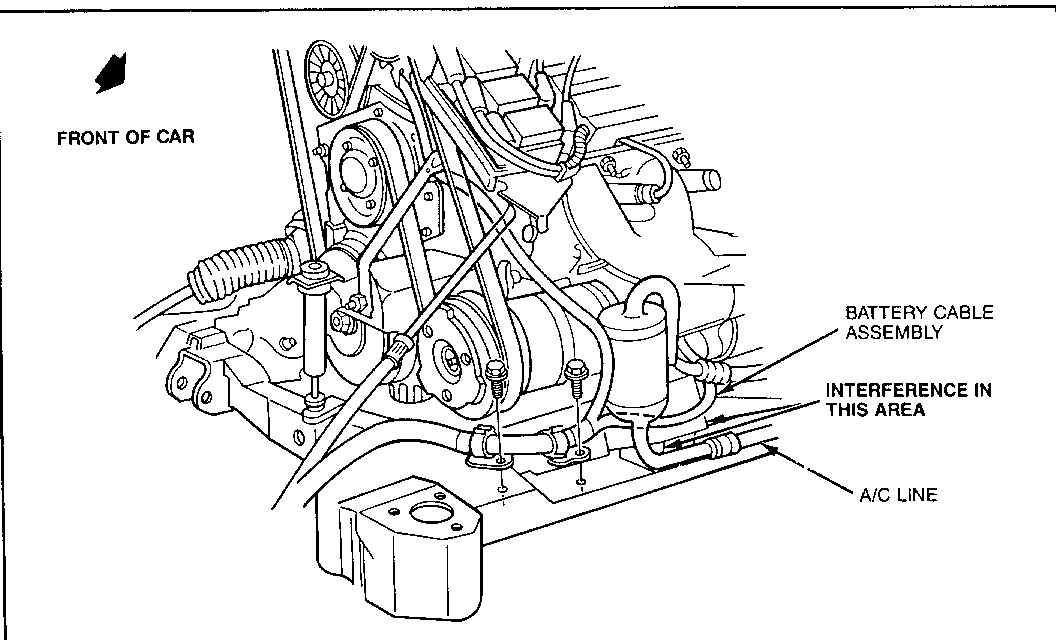
When repairing the knock on hard acceleration or when servicing the A/C line or battery cable, route the battery cable near the A/C compressor at the front right motor mount. Refer to Fig. 1. This should provide clearance to the A/C line when the engine is rocked on the motor mount.

. The battery cable may be rerouted by loosening the two frame attaching clips and moving the cable as far to the passenger side of the car as possible.

. Reposition the frame attaching clips and secure them in the original frame holes.

. Be certain that the cable assembly does not interfere with the accessory drive belt.


Object Number: 85355  Size: FS

General Motors bulletins are intended for use by professional technicians, not a "do-it-yourselfer". They are written to inform those technicians of conditions that may occur on some vehicles, or to provide information that could assist in the proper service of a vehicle. Properly trained technicians have the equipment, tools, safety instructions and know-how to do a job properly and safely. If a condition is described, do not assume that the bulletin applies to your vehicle, or that your vehicle will have that condition. See a General Motors dealer servicing your brand of General Motors vehicle for information on whether your vehicle may benefit from the information.