GM Service Manual Online
For 1990-2009 cars only

OIL DRIPS OFF AXLE OR CRADLE AFTER OIL FILTER CHANGE

SUBJECT: OIL DRIPS OFF AXLE OR CRADLE WHEN OIL FILTER IS REMOVED (NEW OIL DROP PAN ASSEMBLY)

VEHICLES AFFECTED: 1991 C AND E MODELS

CONDITION:

---------- Some owners of the above vehicles may comment that oil drips off the cradle or axle onto the garage floor shortly after an oil filter change.

CORRECTION:

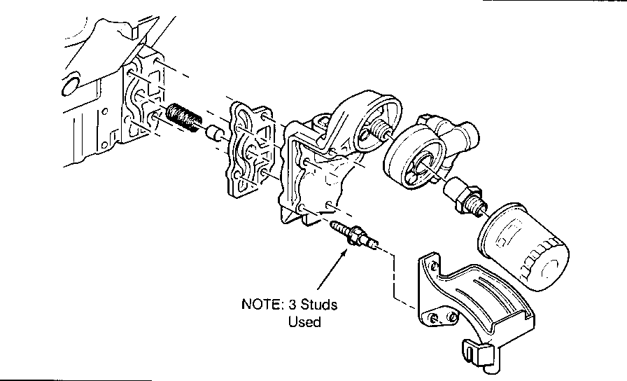
------------- An oil drip pan assembly has been released for service.

24500643 Pan Assembly 24501057 Fastener

INSTALLATION PROCEDURE:

1. Raise the vehicle.

2. Snap drip pan onto studs as shown in Figure 1.

3. Press fastener #24501057 into the transaxle extension housing to secure drain end of the drip pan.(Park Avenue/Ultra only)

4. Lower vehicle.


Object Number: 88466  Size: MF

General Motors bulletins are intended for use by professional technicians, not a "do-it-yourselfer". They are written to inform those technicians of conditions that may occur on some vehicles, or to provide information that could assist in the proper service of a vehicle. Properly trained technicians have the equipment, tools, safety instructions and know-how to do a job properly and safely. If a condition is described, do not assume that the bulletin applies to your vehicle, or that your vehicle will have that condition. See a General Motors dealer servicing your brand of General Motors vehicle for information on whether your vehicle may benefit from the information.