GM Service Manual Online
For 1990-2009 cars only

SMU - SECTION 6E3 - C8 DRIVEABILITY AND EMISSIONS

SUBJECT: SERVICE MANUAL UPDATE - SECTION 6E3-C8- DRIVEABILITY AND EMISSIONS

MODELS: 1992 BUICK REGAL 1992 CHEVROLET LUMINA 1992 OLDSMOBILE CUTLASS SUPREME 1992 PONTIAC GRAND PRIX WITH 3.1 V-6 ENGINE (VIN T - RPO LH0)

THIS BULLETIN CONTAINS REVISIONS TO SECTION 6E3-C8.

THESE CHARTS ARE BEING REVISED FOR THE CHEVROLET LUMINA AND ARE TO BE ADDED TO THE BUICK REGAL, OLDSMOBILE CUTLASS SUPREME AND PONTIAC GRAND PRIX.

MARK A REFERENCE TO THIS BULLETIN ON THE FOLLOWING PAGES OF YOUR COPY OF THE SERVICE MANUAL.

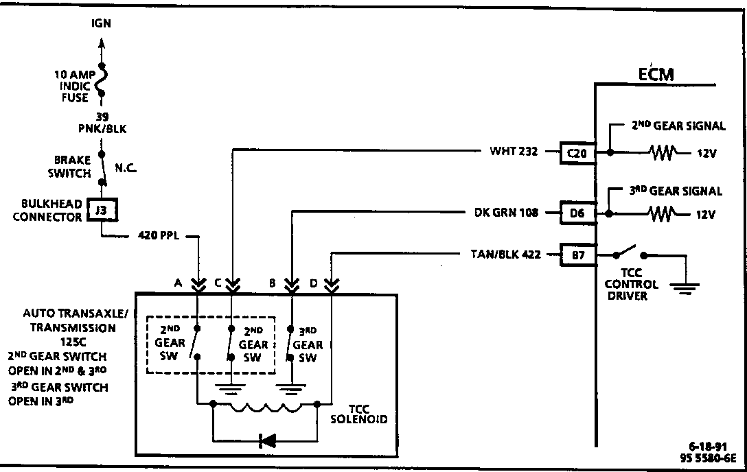
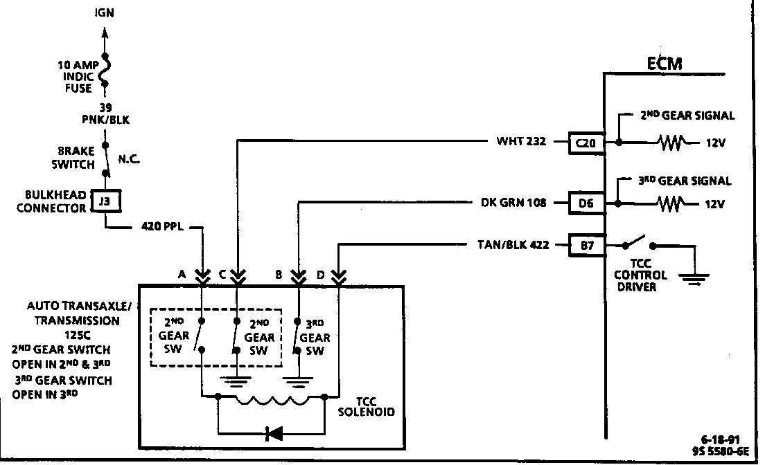
6E3-C8-1 TCC SYSTEM 6E3-C8-6 CHART C-8A 6E3-C8-7 CHART C-8A 6E3-C8-8 CHART C-8A 6E3-C8-9 CHART C-8A

FIGURES: 0 ATTACHMENTS: 5


Object Number: 93239  Size: MF


Object Number: 81136  Size: FS


Object Number: 81135  Size: FS


Object Number: 82979  Size: FS


Object Number: 82978  Size: FS

GENERAL MOTORS BULLETINS ARE INTENDED FOR USE BY PROFESSIONAL TECHNICIANS, NOT A "DO-IT-YOURSELFER". THEY ARE WRITTEN TO INFORM THOSE TECHNICIANS OF CONDITIONS THAT MAY OCCUR ON SOME VEHICLES, OR TO PROVIDE INFORMATION THAT COULD ASSIST IN THE PROPER SERVICE OF A VEHICLE. PROPERLY TRAINED TECHNICIANS HAVE THE EQUIPMENT, TOOLS, SAFETY INSTRUCTIONS AND KNOW-HOW TO DO A JOB PROPERLY AND SAFELY. IF A CONDITION IS DESCRIBED, DO NOT ASSUME THAT THE BULLETIN APPLIES TO YOUR VEHICLE, OR THAT YOUR VEHICLE WILL HAVE THAT CONDITION. SEE A GENERAL MOTORS DEALER SERVICING YOUR BRAND OF GENERAL MOTORS VEHICLE FOR INFORMATION ON WHETHER YOUR VEHICLE MAY BENEFIT FROM THE INFORMATION.

COPYRIGHT 1994 GENERAL MOTORS CORPORATION. ALL RIGHTS RESERVED.