GM Service Manual Online
For 1990-2009 cars only
Makes
🢒
Buick
🢒
1997
🢒
Regal
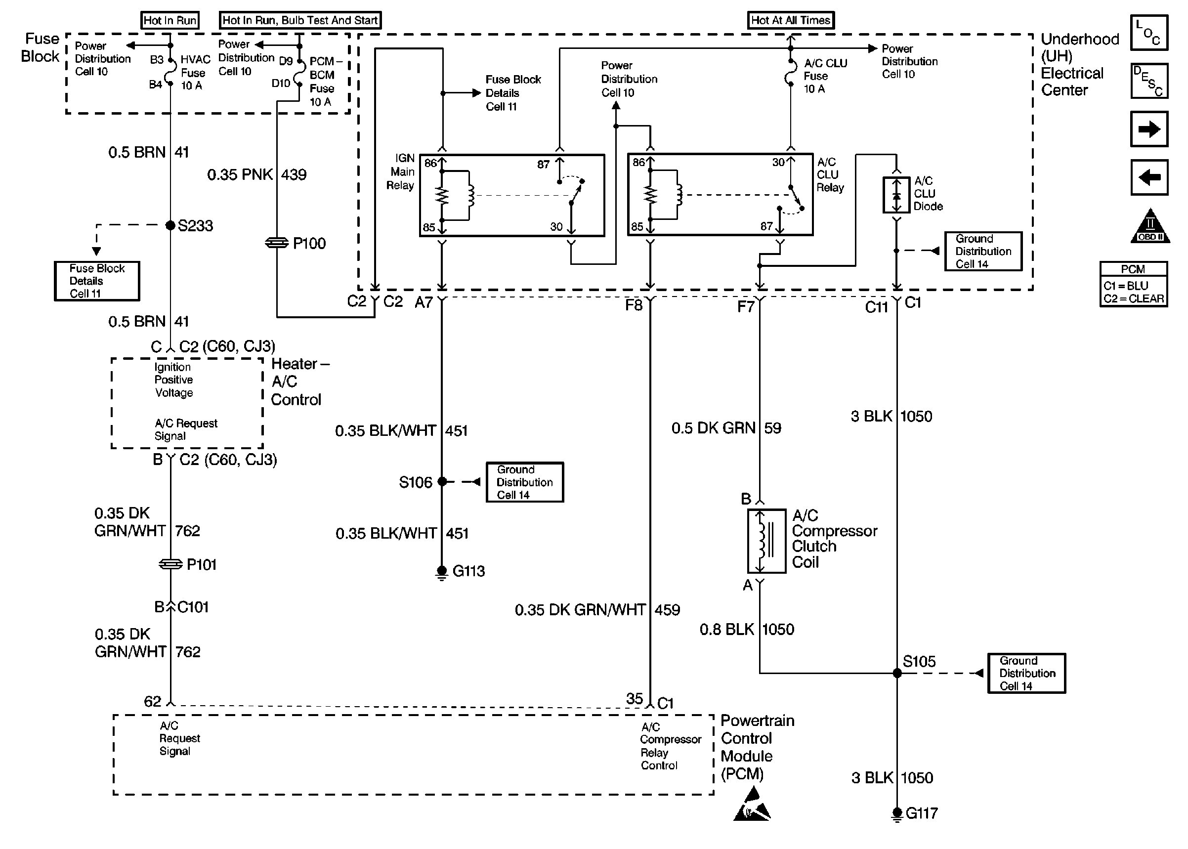
🢒 A/C Compressor Controls
A/C Compressor Controls
A/C Compressor Controls
Engine Controls Components
Information Sensors
Coolant Fans
Automatic Transaxle, TCC Switch
OBD II Symbol Description Notice
Handling ESD Sensitive Parts Notice