GM Service Manual Online
For 1990-2009 cars only
Makes
🢒
Buick
🢒
1997
🢒
Regal
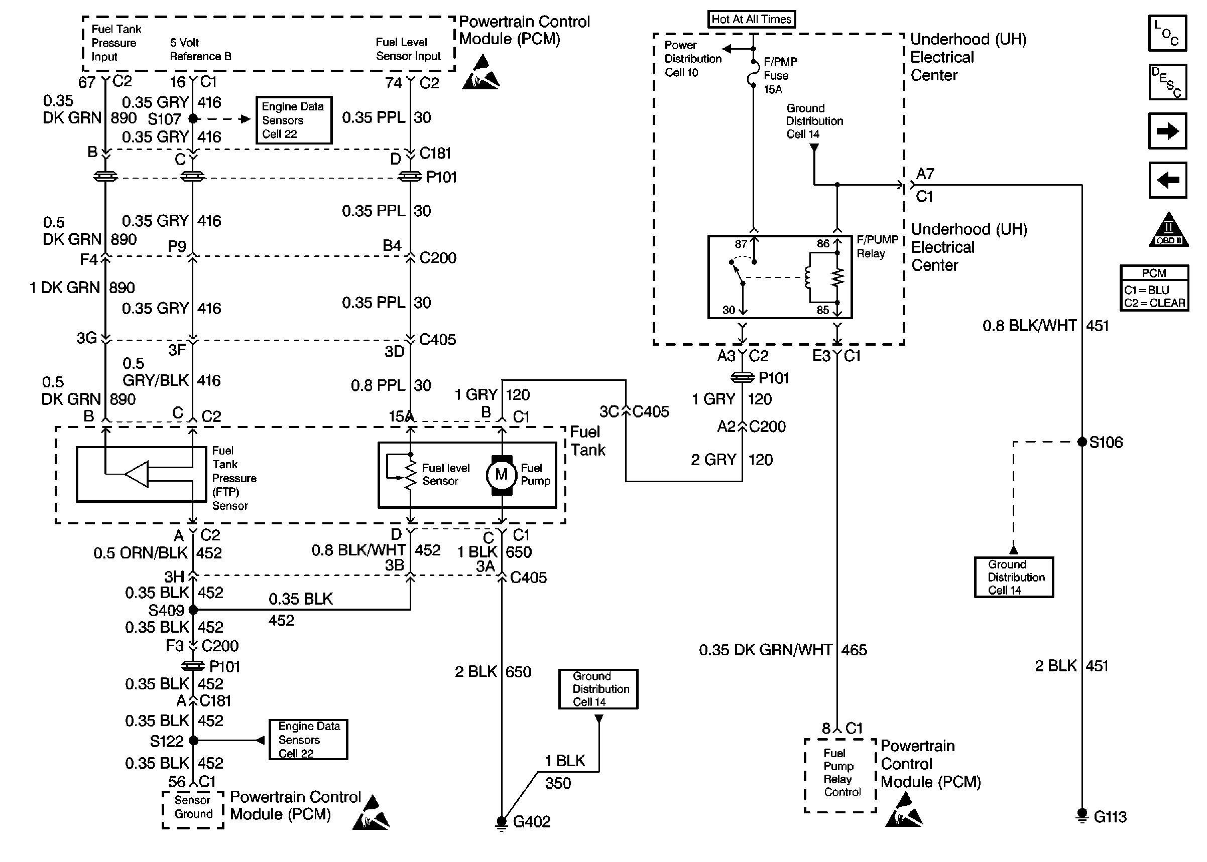
🢒 Fuel Control (VIN K)
Fuel Control (VIN K)
Fuel Control (VIN K)
Engine Controls Components Component Locations
Information Sensors
Fuel Control (VIN 1)
Ignition System, Knock Sensors
OBD II Symbol Description Notice
Handling ESD Sensitive Parts Notice
Handling ESD Sensitive Parts Notice