GM Service Manual Online
For 1990-2009 cars only
Makes
🢒
Buick
🢒
1997
🢒
Regal
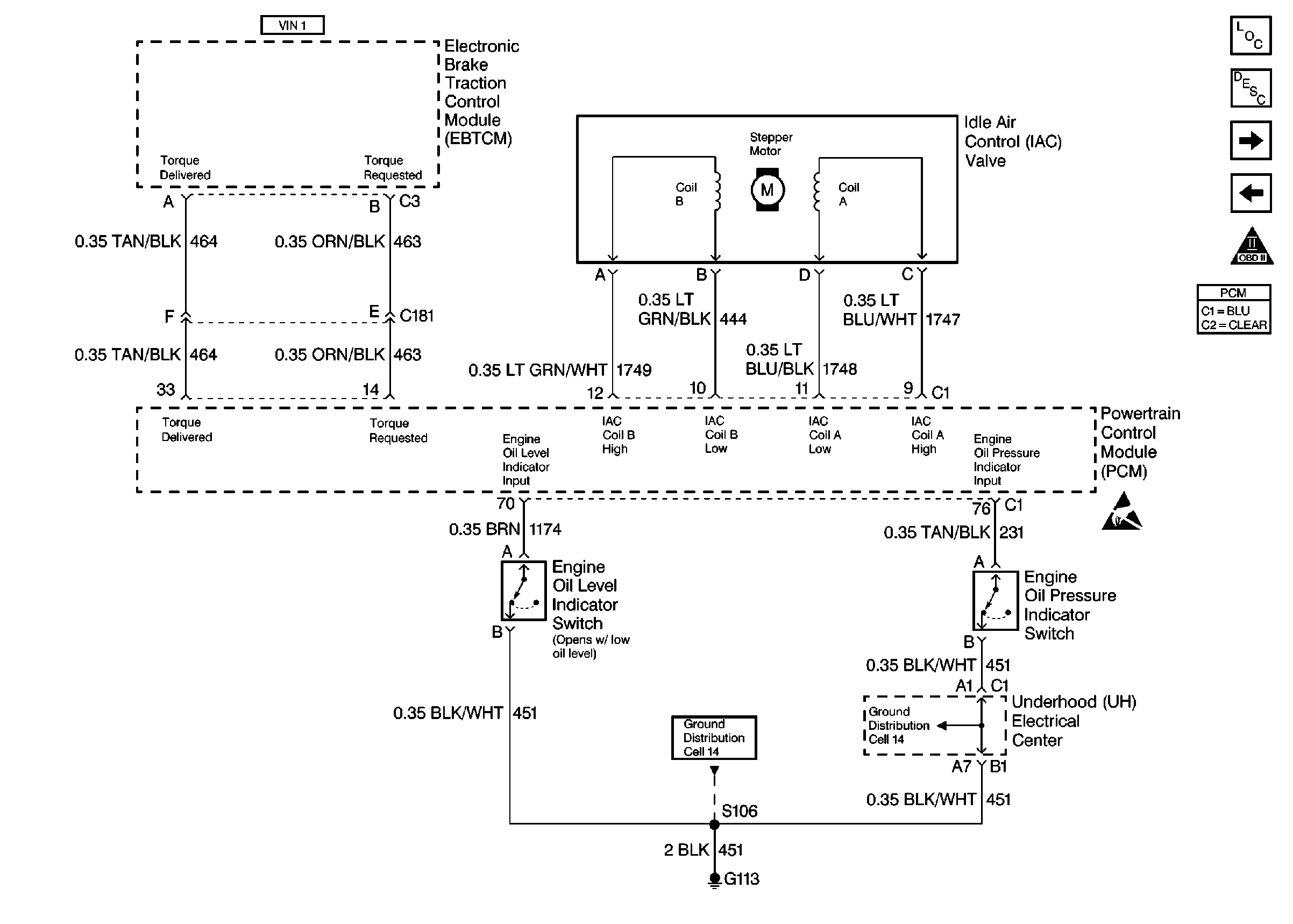
🢒 IAC, Engine Oil Level, Engine Oil Pressure
IAC, Engine Oil Level, Engine Oil Pressure
IAC, Engine Oil Level, Engine Oil Pressure
Engine Controls Components Component Locations
Information Sensors
VSS, Cruise
Engine Data Sensors-HO2S #1, HO2S #2
Handling ESD Sensitive Parts Notice
Handling ESD Sensitive Parts Notice