GM Service Manual Online
For 1990-2009 cars only
Table 1: Transaxle Range Switch Valid Input Combinations
Table 2: DTC P0705 - Transaxle Range Switch Circuit

Object Number: 106274  Size: LF
Engine Controls Components Component Locations
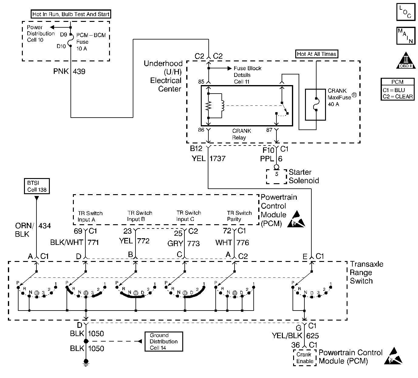
Transaxle Range Switch
OBD II Symbol Description Notice

Circuit Description

The Transaxle Range Switch is part of the Transaxle Park/Neutral Position (PNP) switch mounted on the transaxle manual shaft. The four inputs from the transaxle range switch indicate to the PCM which position is selected by the Transaxle selector lever. This information is used for ignition timing, EVAP canister purge, EGR and IAC valve operation. The combination of the four transaxle range input states determine the PCM commanded shift pattern. The input voltage level at the PCM is high (B+) when the transaxle range switch is open and low when the switch is closed to ground. The state of each input is represented on the scan tool as High=high voltage level, Low=low voltage level. The four parameters represent transaxle range switch Parity, A, B, and C inputs respectively.

A problem which causes the PCM to detect an invalid transaxle range input combination will set DTC P0705. Valid transaxle range input combinations are shown in the Transaxle Range Switch Valid Input Combinations table.

Transaxle Range Switch Valid Input Combinations

Gear Selector Position

Scan Tool Trans Range PABC Display

X=High

0=Low

P

A

B

C

Park (P)

Low

Low

High

High

Reverse (R)

High

Low

Low

High

Neutral (N)

Low

High

Low

High

Drive4 (OD)

High

High

Low

Low

Drive3 (3)

Low

Low

Low

Low

Drive2 (2)

High

Low

High

Low

Drive 1 (1)

Low

High

High

Low

Conditions for Setting the DTC

    • The Transaxle Range Switch inputs indicate an invalid combination.
    • The above condition present for longer than 10 seconds.

Action Taken When the DTC Sets

    • The PCM will use a D4 shift pattern to control transaxle shifting. The PCM commanded shift pattern can be overridden by the manual valve position.
    • The PCM will not illuminate the Malfunction Indicator Lamp (MIL).
    • The PCM will store conditions which were present when the DTC set as Fail Records data only. This information will not be stored as Freeze Frame data.

Conditions for Clearing the MIL/DTC

    • A history DTC will clear after 40 consecutive warm-up cycles have occurred without a malfunction.
    • DTC can be cleared by using the scan tool Clear Info function or by disconnecting the PCM battery feed.

Diagnostic Aids

Check for the following conditions:

    • Poor connection at the PCM: Inspect harness connectors for backed out terminals, improper mating, broken locks, improperly formed or damaged terminals, and poor terminal to wire connection.
    • Damaged harness: Inspect the wiring harness for damage.

       Important: Vehicle should not be driven with transaxle range switch disconnected, as idle quality will be affected.

    • If the harness appears to be OK, observe the TR P A B C switch display on the scan tool while moving connectors and wiring harnesses related to the sensor. A change in the display will indicate the location of the malfunction.

Reviewing the Fail Records vehicle mileage since the diagnostic test last failed may help determine how often the condition that caused the DTC to be set occurs. This may assist in diagnosing the condition.

Test Description

Number(s) below refer to the step number(s) on the Diagnostic Table.

  1. This vehicle is equipped with a PCM which utilizes an Electrically Erasable Programmable Read Only Memory (EEPROM). When the PCM is being replaced, the new PCM must be programmed.

DTC P0705 - Transaxle Range Switch Circuit

Step

Action

Value(s)

Yes

No

1

Was the Powertrain On-Board Diagnostic (OBD) System Check performed?

--

Go to Step 2

Go to the Powertrain On Board Diagnostic (OBD) System Check

2

  1. Turn ON the ignition switch.
  2. Place the transaxle in Park.
  3. Observe the scan tool TR P A B C display.

Does the scan tool TR P A B C display the specified values?

P=Low

A=Low

B=High

C=High

Go to Step 3

Go to Step 4

3

  1. Observe the scan tool TR P A B C display while selecting each gear position.
  2. Record TR P A B C status in each gear position.
  3. Compare the scan tool display with each gear position selected to the Transaxle Range Switch Valid Combinations Table.

Does the scan tool display match the Transaxle Range Switch Valid Combinations table in each gear position?

--

Go to Diagnostic Aids

Go to Step 10

4

Does the scan tool TR P A B C display the specified values?

P=High

A=High

B=High

C=High

Go to Step 5

Go to Step 7

5

  1. Check the Transaxle Range switch 4-way connector for being disconnected.
  2. If a problem is found, repair as necessary.

Was a problem found?

--

Go to Step 17

Go to Step 6

6

  1. Check for an open in the ground circuit to the Transaxle Range switch 7 wire connector.
  2. If a problem is found, repair as necessary. Refer to Repair Procedures in Electrical Diagnosis.

Was a problem found?

--

Go to Step 17

Go to Step 13

7

Does scan tool TR P A B C display the specified values?

P=Low

A=Low

B=Low

C=Low

Go to Step 8

Go to Step 10

8

  1. Disconnect the Transaxle Range switch 4-wire connector.
  2. Observe the scan tool TR P A B C display.

Does scan tool TR P A B C display the specified values?

P=Low

A=Low

B=Low

C=Low

Go to Step 9

Go to Step 14

9

  1. Turn OFF the ignition switch.
  2. Disconnect the PCM.
  3. Check the Transaxle Range input wiring for being pinched or otherwise shorted to ground.
  4. If a problem is found, repair as necessary. Refer to Repair Procedures in Electrical Diagnosis.

Was a problem found?

--

Go to Step 17

Go to Step 16

10

  1. Check for crossed wires to the Transaxle Range Switch 4 wire connector.
  2. If a problem is found, repair as necessary. Refer to Repair Procedures in Electrical Diagnosis.

Was a problem found?

--

Go to Step 17

Go to Step 11

11

  1. Turn OFF the ignition switch.
  2. Disconnect the Transaxle Range switch and the PCM.
  3. Turn ON the ignition switch.
  4. Check for an open, short to ground, or short to voltage in the circuit which caused the incorrect transaxle range switch input combination.
  5. If a problem is found, repair as necessary. Refer to Repair Procedures in Electrical Diagnosis.

Was a problem found?

--

Go to Step 17

Go to Step 12

12

  1. Reconnect the Transaxle Range switch.
  2. At the PCM connector, connect a test light between B+ and the trans range circuit which caused the incorrect transaxle range switch input combination.
  3. Observe and record the state of the test light while selecting each gear position.
  4. Compare the test light state in each gear position with the Transaxle Range Switch Valid Combinations Table.

Is the test light ON when the input should equal Low and OFF when the input should equal High?

--

Go to Step 15

Go to Step 13

13

  1. Check for poor terminal connections at the Transaxle Range switch 4-way and 7-way connectors.
  2. If a problem is found, repair as necessary. Refer to Repair Procedures in Electrical Diagnosis.

Was a problem found?

--

Go to Step 17

Go to Step 14

14

Replace the transaxle range switch. Refer to 4T65-E Transaxle On-Vehicle Service .

Is action complete?

--

Go to Step 17

--

15

  1. Check for poor terminal connections at the PCM.
  2. If a problem is found, repair as necessary. Refer to Repair Procedures in Electrical Diagnosis.

Was a problem found?

--

Go to Step 17

Go to Step 16

16

Replace the PCM.

Important:: The replacement PCM must be programmed. Refer to Powertrain Control Module Replacement/Programming .

Is action complete?

--

Go to Step 17

--

17

  1. Clear DTCs.
  2. Observe the scan tool TR P A B C display while selecting each gear position.
  3. Compare the scan tool display with each gear position selected to the Transaxle Range Switch Valid Combinations Table.

Does the scan tool display match the Transaxle Range Switch Valid Combinations table in each gear position?

--

System OK

Go to Step 2