GM Service Manual Online
For 1990-2009 cars only

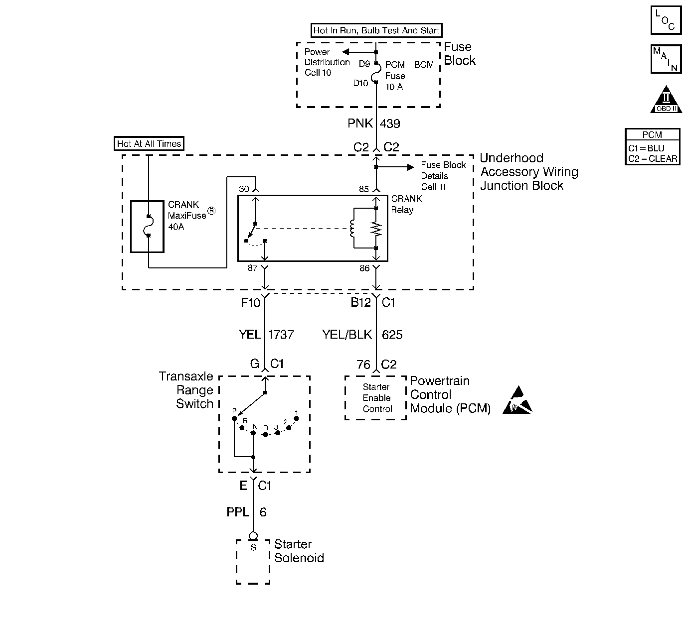
Object Number: 248202  Size: LF
Transaxle Range Switch
OBD II Symbol Description Notice
Handling ESD Sensitive Parts Notice

Circuit Description

The PCM has the ability to disable starter operation if conditions inappropriate for starter operation exist. The PCM disables the starter if the engine is running, if a correct VTD password is not received from the VTD system or if the vehicle operator attempts to engage the starter for an extended period of time.

The PCM controlled starter system consists of the following components:

    • Starter enable relay.
    • The Transaxle Range / Park Neutral Position switch.
    • The ignition switch.
    • The starter solenoid.
    • The PCM.

Diagnostic Aids

The PCM Controlled Starter Diagnosis table is intended to identify electrical malfunctions that can occur with the system.

Check for the following conditions:

    • Poor connection at the PCM , the starter enable relay, the Transaxle Range / PNP switch, the ignition switch or the starter solenoid.
        Inspect harness connectors for the following conditions:
       - Backed out terminals.
       - Improper mating.
       - Broken locks.
       - Improperly formed or damaged terminals.
       - Poor terminal to wire connection.
    • Damaged harness.
        Inspect the wiring harness for damage.
    • VIN 1 - Either of the following conditions can cause the PCM to disable starter operation:
       - The engine is running.
       - The starter has been continuously engaged for longer than 30 seconds.
       - A correct VTD password has not been received from the VTD system.
    • VIN K - Either of the following conditions can cause the PCM to disable starter operation:
       - The engine is running.
       - The starter has been continuously engaged for longer than 15 seconds.
       - A correct VTD password has not been received from the VTD system.

Step

Action

Value(s)

Yes

No

1

Was the Powertrain On-Board Diagnostic (OBD) System Check performed?

--

Go to Step 2

Go to Powertrain On Board Diagnostic (OBD) System Check

2

Important: If any DTCs are set, diagnose the other DTCs first.

Attempt to start the engine.

Does the engine start?

--

Go to Diagnostic Aids

Go to Step 3

3

Check the Maxifuse® whcih feeds the starter solenoid. Refer to Fuse Block Schematics in Wiring Systems.

Is the Maxifuse® Blown?

--

Go to Step 4

Go to Step 7

4

  1. Remove the Maxifuse®.
  2. Remove the starter relay.
  3. Connect a J 35616-200 test lamp to battery positive
  4. Probe the battery positive feed cavity in the starter relay connector.

Is the test lamp ON?

--

Go to Step 19

Go to Step 5

5

  1. Leave the starter relay disconnected.
  2. Disconnect the Trans Range switch connector C1.
  3. Connect the test lamp to battery positive.
  4. Probe the starter solenoid feed circuit (CKT 1737).

Is the test lamp ON?

--

Go to Step 20

Go to Step 6

6

  1. Check the starter solenoid feed circuit (CKT 6) for a short to ground.
  2. If a problem is found, repair as necessary. Refer to Wiring Repairs in Wiring Systems.

Was a problem found?

--

Go to Step 29

Go to Step 24

7

  1. Remove the starter relay.
  2. Connect the test lamp to ground.
  3. Probe the battery positive feed cavity in the starter relay connector.

Is the test lamp ON?

--

Go to Step 8

Go to Step 21

8

Important: When performing this step, the engine may crank. Ensure that the following conditions are met:

   • Leave the ignition switch OFF.
   • Place the vehicle in PARK and set the Parking Brake.
   • Remove all diagnostic tools, equipment, and shop towels from the engine compartment.

  1. Leave the starter relay disconnected.
  2. Connect a fused jumper between the battery positive feed and CKT 1737 cavities in the relay connector.

Does the engine crank?

--

Go to Step 12

Go to Step 9

9

  1. Remove the fused jumper.
  2. Disconnect the Trans Range switch connector C1.
  3. Connect a jumper between CKT 6 and CKT 1737.
  4. Reconnect the fused jumper between the battery positive feed and CKT 1737 cavities in the relay connector.

Does the engine crank?

--

Go to Step 10

Go to Step 11

10

  1. Check for poor terminal connections in the Trans Range Connector C1.
  2. If a problem is found, repair as necessary. Refer to Repairing Connector Terminals in Wiring Systems.

Was a problem found?

--

Go to Step 29

Go to Step 25

11

  1. Check for an open in CKT 1737 and CKT 6.
  2. If a problem is found, repair as necessary. Refer to Wiring Repairs in Wiring Systems.

Was a problem found?

--

Go to Step 29

Go to Step 24

12

  1. Remove the fused jumper.
  2. Leave the starter relay disconnected.
  3. Check for a blown starter relay ignition positive feed fuse. Refer to Fuse Block Schematics in Wiring Systems.

Is the fuse blown?

--

Go to Step 13

Go to Step 15

13

  1. Leave the starter relay disconnected.
  2. Remove the ignition positive feed fuse.
  3. Remove the Igniition System Relay.
  4. Connect the test lamp to battery positive.
  5. Probe the ignition positive feed cavity in the starter relay connector.

Is the test lamp ON?

--

Go to Step 22

Go to Step 14

14

  1. Leave the Ignition System Relay disconnected.
  2. Disconnect the PCM connector C2.
  3. Reinstall the ignition positive feed fuse.
  4. Set the DMM to the 10 amp scale.
  5. Turn the ignition switch ON.
  6. Connect a J 39200 DMM between the starter relay control circuit and ground.
  7. Monitor the current reading for at least 2 minutes.

Is the current draw within the specified values?

0.5 - 1.5 amps

Go to Step 26

Go to Step 27

15

  1. Leave the starter relay disconnected.
  2. Turn the ignition switch ON.
  3. Connect the test lamp to ground.
  4. Probe the ignition positive feed cavity in the relay connector.

Is the test lamp ON?

--

Go to Step 16

Go to Step 23

16

  1. Turn the ignition switch OFF.
  2. Reconnect the starter relay.
  3. Disconnect the PCM connector C2.
  4. Connect the DMM between the starter relay control circuit and ground.

Does the DMM indicate a voltage near the specified value?

B+

Go to Step 17

Go to Step 18

17

  1. Check for poor terminal connections in the PCM connector C2.
  2. If a problem is found, repair as necessary. Refer to Repairing Connector Terminals in Wiring Systems.

Was a problem found?

--

Go to Step 29

Go to Step 28

18

  1. Check for an open starter relay control circuit.
  2. If a problem is found, repair as necessary. Refer to Wiring Repairs in Wiring Systems.

Was a problem found.?

--

Go to Step 29

Go to Step 27

19

Locate and repair the short to ground in the battery positive feed circuit to the starter relay. Refer to Wiring Repairs in Wiring Systems.

Is action complete?

--

Go to Step 29

--

20

  1. Locate and repair the short to ground in CKT 1737. Refer to Wiring Repairs in Wiring Systems.
  2. Replace the Maxifuse®.

Is action complete?

--

Go to Step 29

--

21

Locate and repair the open in the battery positive feed circuit to the starter relay. Refer to Wiring Repairs in Wiring Systems.

Is action complete?

--

Go to Step 29

--

22

  1. Locate and repair the short to ground in the ignition positive feed circuit (CKT 439) to the starter and ignition system relays. Refer to Wiring Repairs in Wiring Systems.
  2. Replace the fuse.

Is action complete?

--

Go to Step 29

--

23

Locate and repair the open in the ignition positive feed circuit (CKT 439) to the starter relay. Refer to Wiring Repairs in Wiring Systems.

Is action complete?

--

Go to Step 29

--

24

Replace the Starter Solenoid.

Is action complete?

--

Go to Step 29

--

25

Replace the Trans Range Switch. Refer to Park/Neutral Position Switch Replacement in Automatic Transaxle-4T60-E or Park/Neutral Position Switch Replacement in Automatic Transaxle-4T65-E.

Is action complete?

--

Go to Step 29

--

26

Replace the ignition system relay.

Is action complete?

--

Go to Step 29

--

27

Replace the starter relay.

Is action complete?

--

Go to Step 29

--

28

Important: The replacement PCM must be programmed. Refer to Powertrain Control Module Replacement/Programming .

Replace the PCM.

Is action complete?

--

Go to Step 29

--

29

Attempt to start the vehicle.

Does the engine crank?

--

System OK

Go to Step 3