GM Service Manual Online
For 1990-2009 cars only
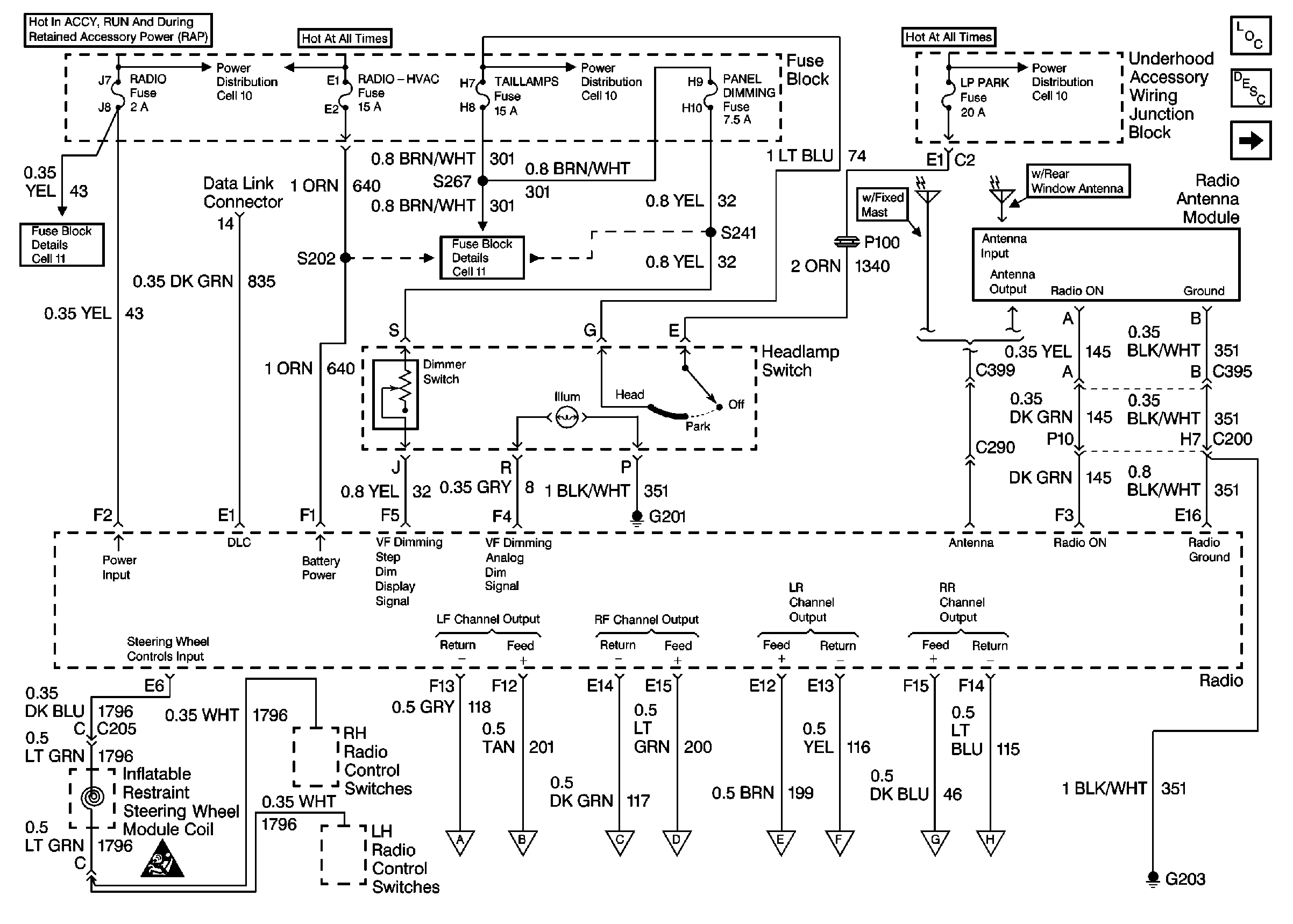
Figure 1:

Cell 150: Power/Grounds, Antenna, Steering Wheel Control Inputs


Object Number: 330536  Size: FS
Radio/Audio System Circuit Description
Radio/Audio System Circuit Description
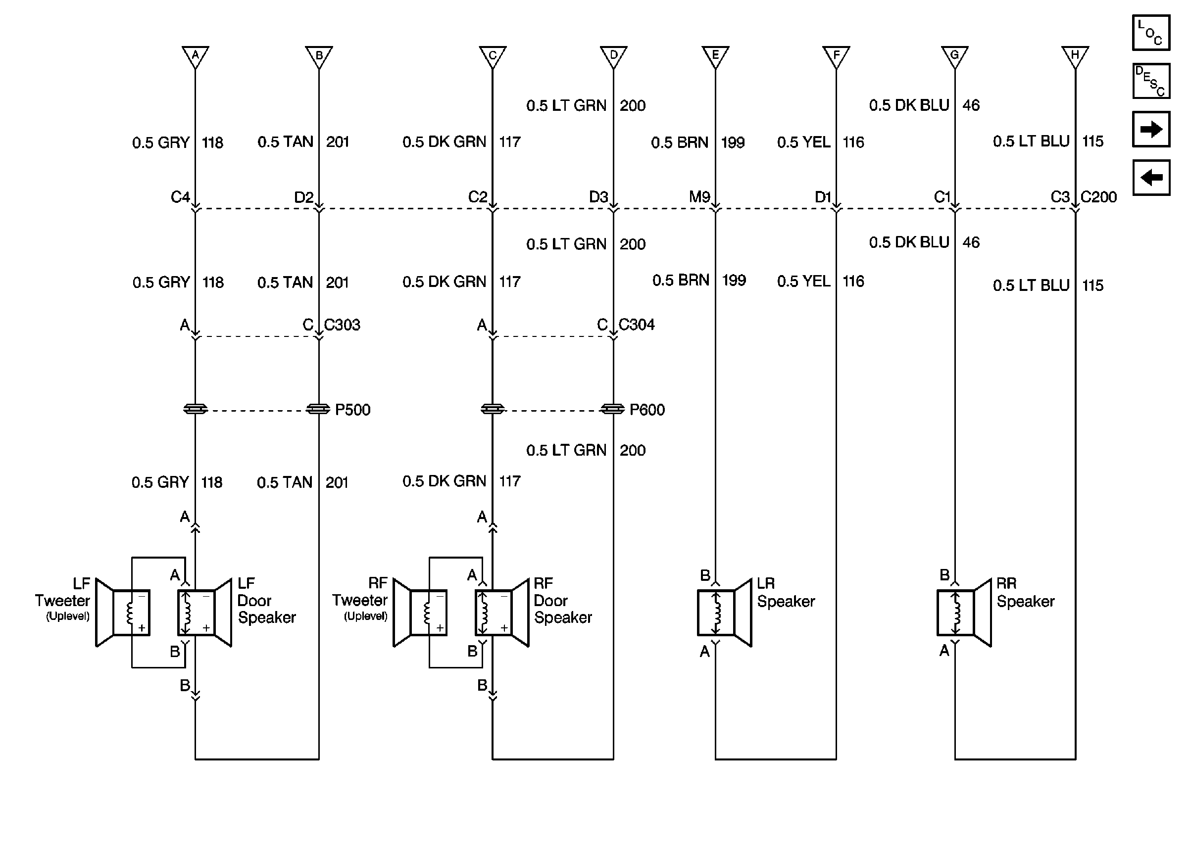
Cell 150: Speakers
Fuse Block Schematics
Power Distribution Schematics
Fuse Block Schematics
Power Distribution Schematics
SIR Handling Caution
Cell 150: Speakers
Cell 150: Speakers
Cell 150: Speakers
Cell 150: Speakers
Cell 150: Speakers
Cell 150: Speakers
Cell 150: Speakers
Cell 150: Speakers
Power Distribution Schematics
Figure 2:

Cell 150: Speakers


Object Number: 330541  Size: FS
Radio/Audio System Circuit Description
Cell 150: Remote CD Changer
Cell 150: Power/Grounds, Antenna, Steering Wheel Control Inputs
Cell 150: Power/Grounds, Antenna, Steering Wheel Control Inputs
Cell 150: Power/Grounds, Antenna, Steering Wheel Control Inputs
Cell 150: Power/Grounds, Antenna, Steering Wheel Control Inputs
Cell 150: Power/Grounds, Antenna, Steering Wheel Control Inputs
Cell 150: Power/Grounds, Antenna, Steering Wheel Control Inputs
Cell 150: Power/Grounds, Antenna, Steering Wheel Control Inputs
Cell 150: Power/Grounds, Antenna, Steering Wheel Control Inputs
Cell 150: Power/Grounds, Antenna, Steering Wheel Control Inputs
Figure 3:

Cell 150: Remote CD Changer


Object Number: 330543  Size: FS
Radio/Audio System Circuit Description
Cell 150: Speakers
Ground Distribution Schematics
OBD II Symbol Description Notice
Power Distribution Schematics