GM Service Manual Online
For 1990-2009 cars only
Makes
🢒
Buick
🢒
1998
🢒
Regal
🢒
Body and Accessories
🢒
Wiring Systems
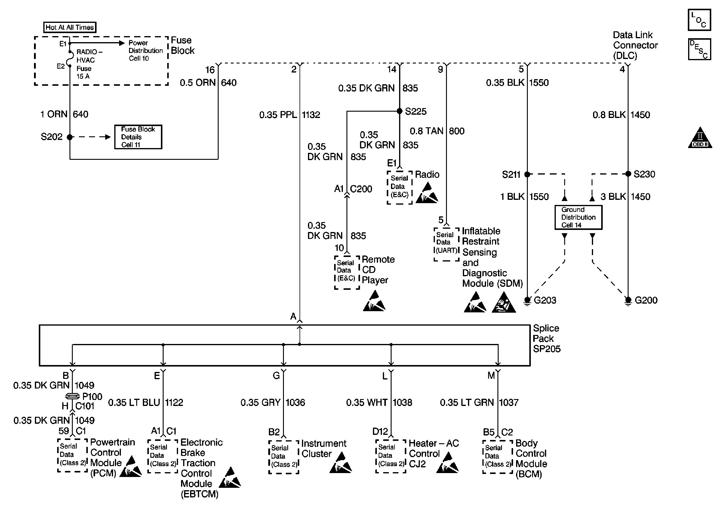
🢒 Data Link Connector Schematics
Cell 50
Data Link Communications Components
Data Link Connector Circuit Description
Ground Distribution Schematics
Fuse Block Schematics
Power Distribution Schematics
Handling ESD Sensitive Parts Notice
Handling ESD Sensitive Parts Notice
Handling ESD Sensitive Parts Notice
Handling ESD Sensitive Parts Notice
Handling ESD Sensitive Parts Notice
Handling ESD Sensitive Parts Notice
Handling ESD Sensitive Parts Notice
SIR Handling Caution
OBD II Symbol Description Notice