GM Service Manual Online
For 1990-2009 cars only
Makes
🢒
Buick
🢒
1998
🢒
Regal
🢒
Body and Accessories
🢒
Retained Accessory Power
🢒 Retained Accessory Power (RAP) Schematics
Figure
1:
Cell 15 BCM, RAP Relay
Retained Accessory Power (RAP) Component Views
Retained Accessory Power (RAP) Circuit Description
Cell 15 Door Locks, Grounds
Handling ESD Sensitive Parts Notice
Power Distribution Schematics
Power Distribution Schematics
Power Distribution Schematics
Power Distribution Schematics
Fuse Block Schematics
Fuse Block Schematics
Fuse Block Schematics
Ground Distribution Schematics
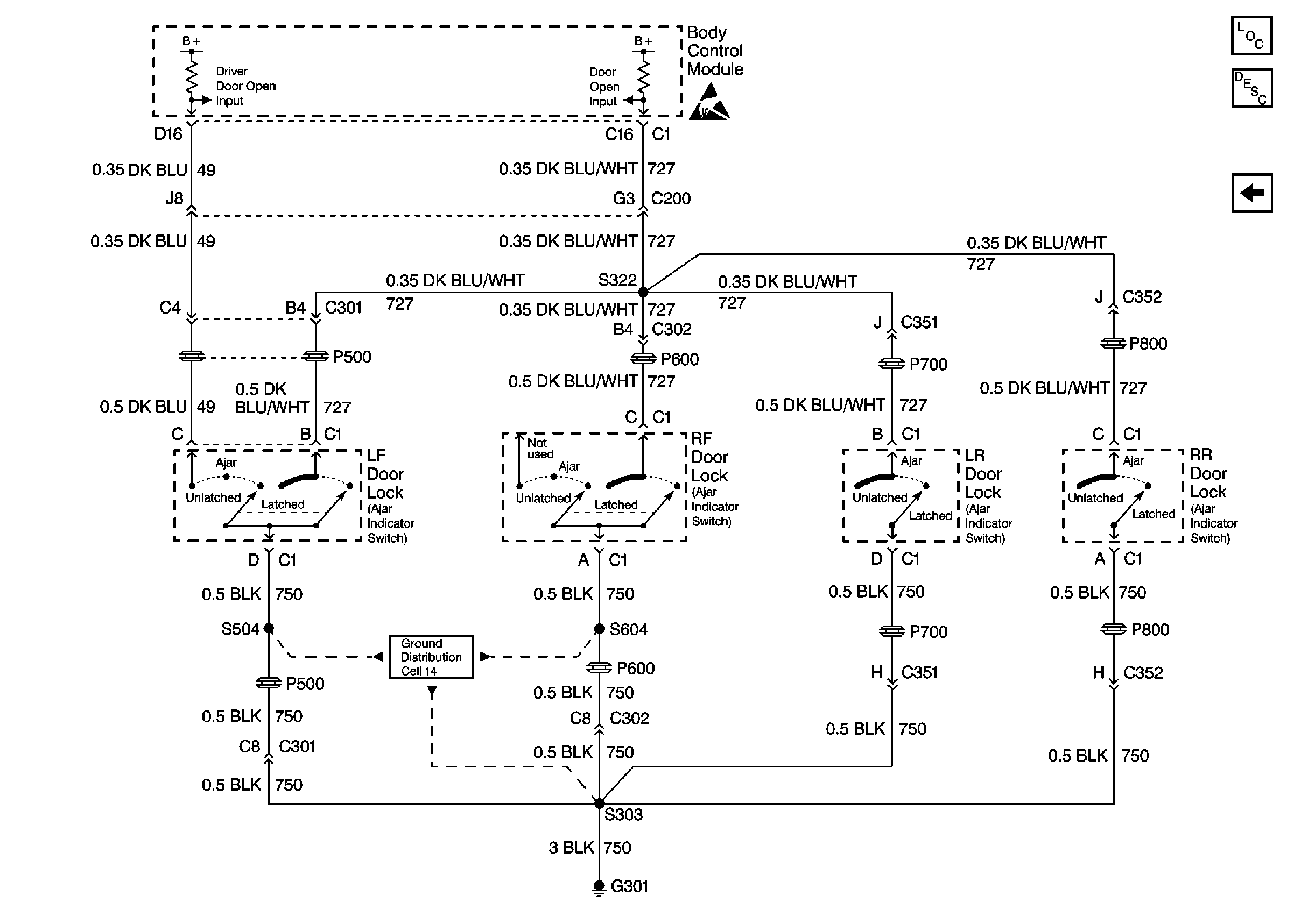
Figure
2:
Cell 15 Door Locks, Grounds
Retained Accessory Power (RAP) Component Views
Retained Accessory Power (RAP) Circuit Description
Cell 15 BCM, RAP Relay
Handling ESD Sensitive Parts Notice
Ground Distribution Schematics