GM Service Manual Online
For 1990-2009 cars only
Makes
🢒
Buick
🢒
1998
🢒
Regal
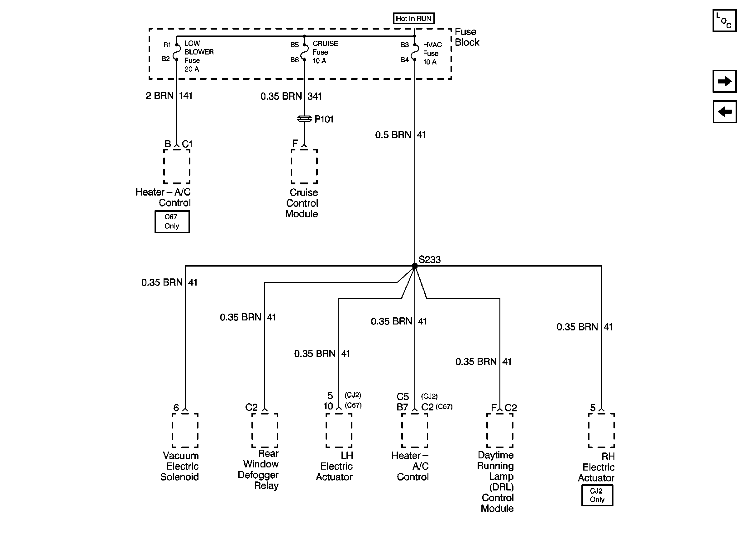
🢒 Cell 10: LOW BLOWER, CRUISE, And HVAC Fuses
Cell 10: LOW BLOWER, CRUISE, And HVAC Fuses
Cell 10: LOW BLOWER, CRUISE, And HVAC Fuses
Power and Grounding Components
Cell 10: ABS And BTSI Fuses
Cell 10: ABS, HEATED MIRROR, CRANK SIGNAL, And IGN 0 Fuses