GM Service Manual Online
For 1990-2009 cars only
Makes
🢒
Buick
🢒
1998
🢒
Regal
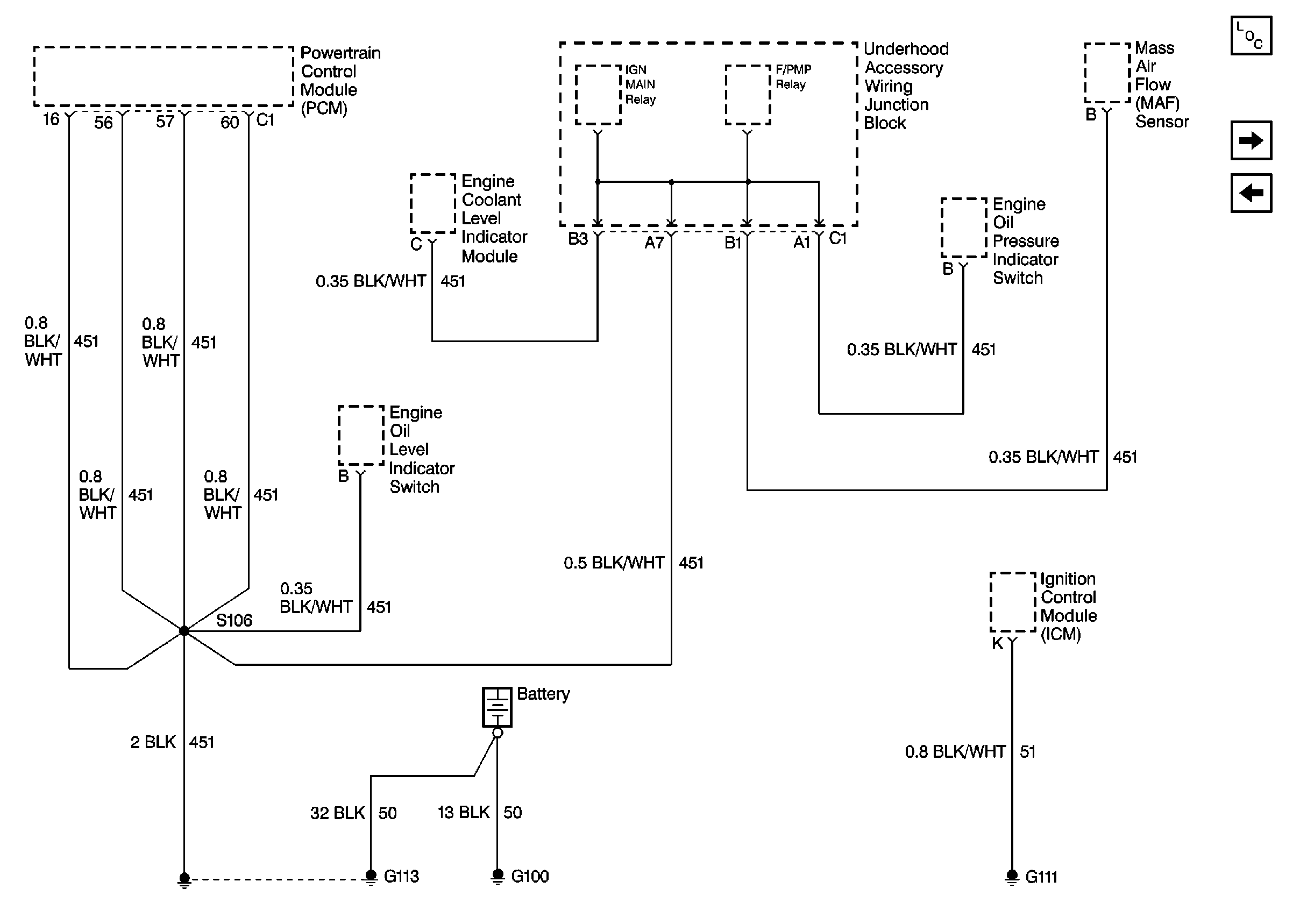
🢒 Cell 14: Engine Grounds G100, G111, And G113
Cell 14: Engine Grounds G100, G111, And G113
Cell 14: Engine Grounds G100, G111, And G113
Power and Grounding Components
Cell 14: Engine Ground G117
Cell 14: Forward Lamp Grounds G101 And G102