GM Service Manual Online
For 1990-2009 cars only
Makes
🢒
Buick
🢒
1998
🢒
Regal
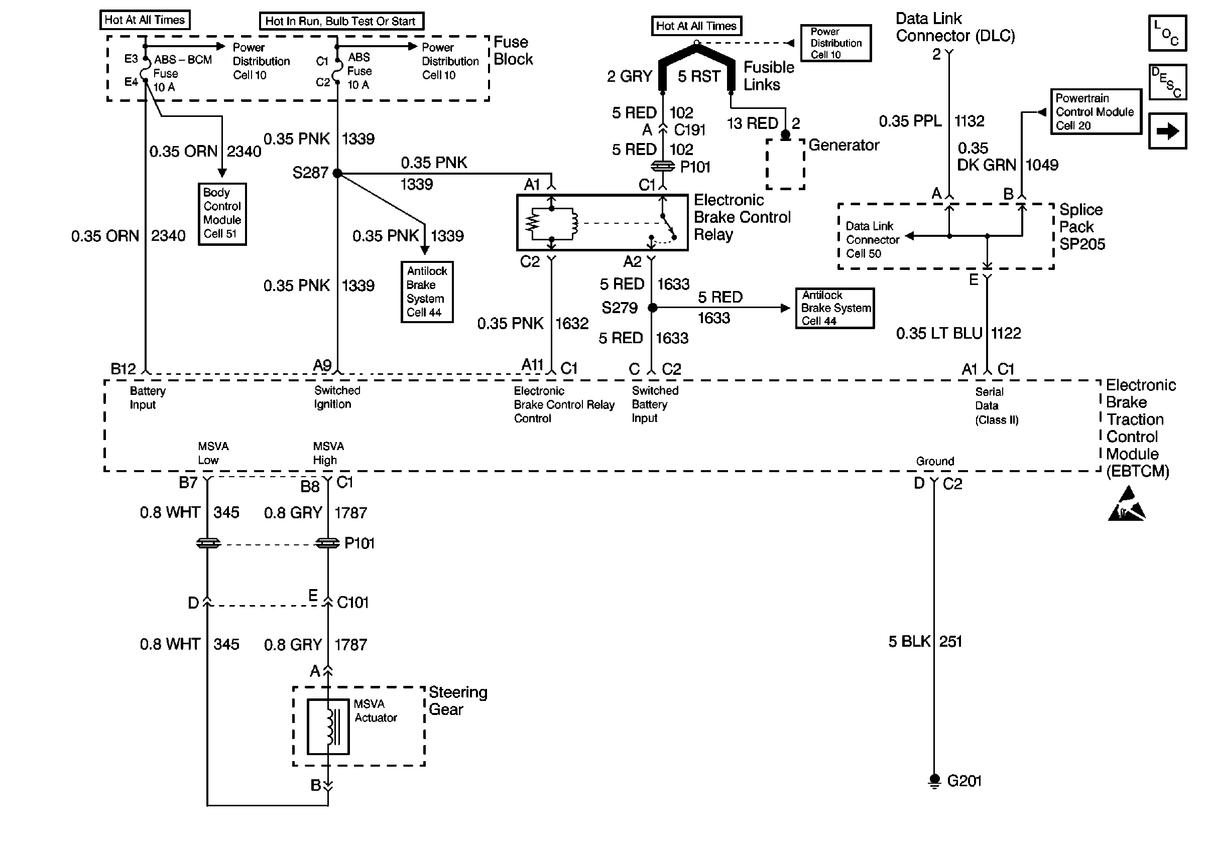
🢒 Cell 45: Power and Ground Distribution, Class II, and MSVA Actuator
Cell 45: Power and Ground Distribution, Class II, and MSVA Actuator
Cell 45: Power and Ground Distribution, Class II, and MSVA Actuator
Steering Controls Components
Variable Effort Steering Circuit Operation
98 3W MSVA: Wheel Speed Sensors
Handling Electrostatic Discharge Sensitive Parts Notice
Cell 10: RADIO-HVAC, ABS-BCM, INADV POWER BUS, CIGAR LTR and CD CHANGER Fuses
Data Link Connector Schematics
Body Control System Schematics
Engine Controls Schematics
ABS/ETS Schematics
ABS/ETS Schematics
Cell 10: ABS And BTSI Fuses
Cell 10: Battery, Starter, Generator, Underhood Accessory Wiring JunctiOn Block, And Fuse Block