GM Service Manual Online
For 1990-2009 cars only

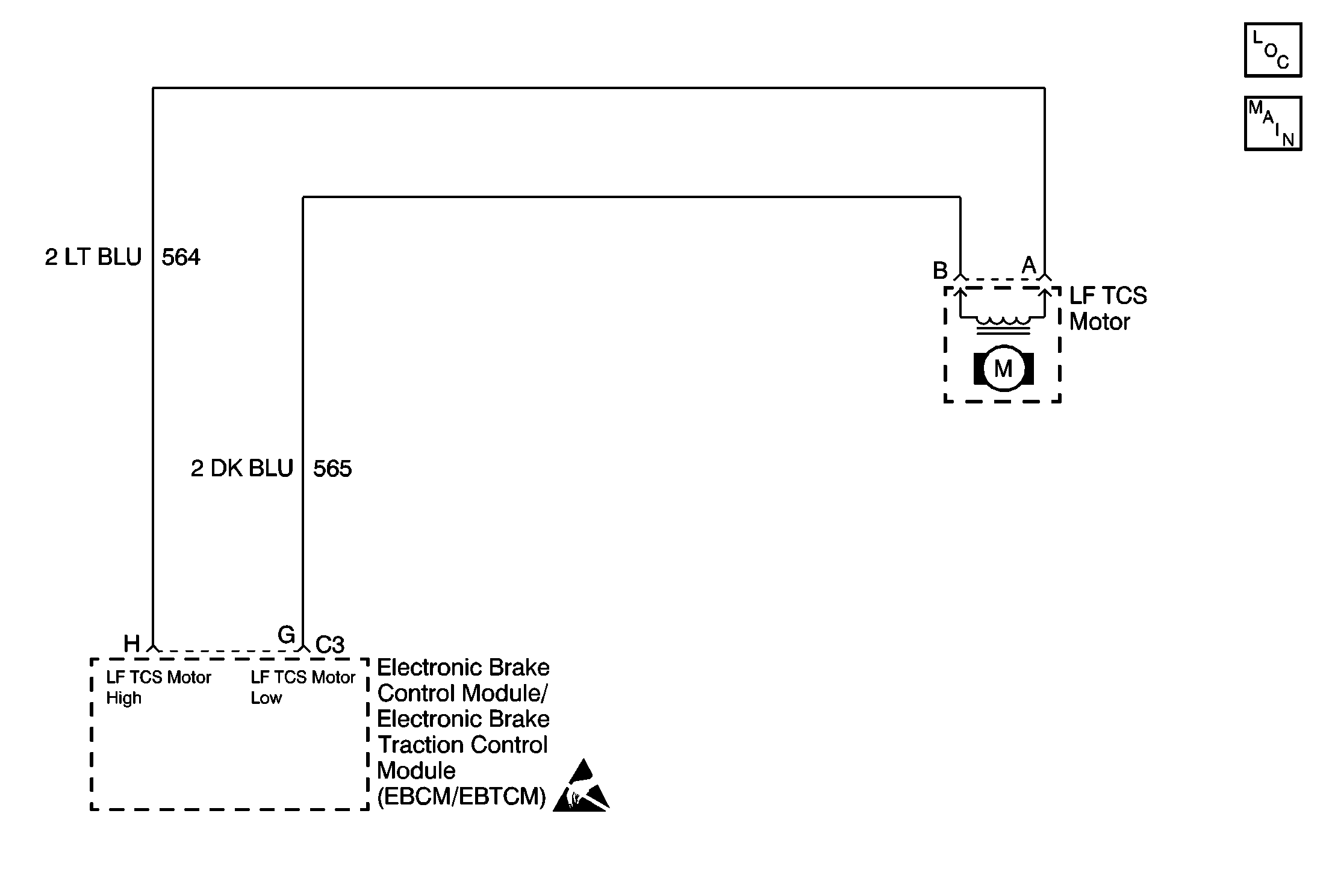
Object Number: 247770  Size: MF
ABS Components
Antilock Brake System Schematics
Handling ESD Sensitive Parts Notice
Handling ESD Sensitive Parts Notice

Circuit Description

DTC C1347 detects a stripped nut or stripped gear assembly during initialization. During the homing sequence, the piston should reach the bottom of the bore. When the piston reaches the bottom of the bore the TCS motor stalls. If the TCS motor does not stall then the TCS motor spins with little or nor resistance. If the TCS motor spins with little or no resistance then a nut/screw malfunction exists.

Conditions for Setting the DTC

DTC C1347 will only set during initialization.

A malfunction exists if the feedback current is less than the command current for a specified period of time.

Action Taken When the DTC Sets

    • A malfunction DTC stores.
    • The TCS disables.
    • The amber TCS indicator turns on.
    • The red BRAKE warning indicator turns on.

Conditions for Clearing the DTC

    • The condition responsible for setting the DTC no longer exists and the Scan Tool Clear DTCs function is used.
    • 100 drive cycles pass with no DTC(s) detected.

Diagnostic Aids

An intermittent malfunction in DTC C1347 may be caused by one of the following conditions in a mechanical part of the system:

    • Sticking
    • Binding
    • Slipping

Use the enhanced diagnostic function of the Scan Tool in order to measure the frequency of the malfunction. Refer to the Scan Tool manual for the procedure. If the DTC only occurs once and DTC C1356 also occurs, refer to DTC C1356. If the DTC is intermittent and enhanced diagnostics show this DTC occurs during TCS, refer to DTC C1356.

Depending on the frequency of the malfunction, physical inspection of the mechanical parts suspected of causing the malfunction may be necessary.

Step

Action

Value(s)

Yes

No

1

Was the Diagnostic System Check performed?

--

Go to Step 2

Go to Diagnostic System Check

2

  1. Turn the ignition switch to the RUN position.
  2. Do not start the engine.

  3. Install the Scan Tool .
  4. Use the Scan Tool in order to read the DTCs.

Is DTC C1356 also set as a current DTC?

--

Go to DTC C1356 Left TCS Motor Circuit Open

Go to Step 3

3

  1. Pump the brake pedal until the pedal is firm in order to deplete the brake booster vacuum reservoir.
  2. Select Special Functions on the Scan Tool .
  3. Select the Manual Control function on the Scan Tool .
  4. Verify that there is no downward pressure on the brake pedal.
  5. Select the left front TCS Motor Release function on the Scan Tool .
  6. Use the Scan Tool in order to release the left front TCS motor while observing the following currents:
  7. • The left front TCS motor command current
    • The left front TCS motor feedback current

Were both the left front TCS motor command current and the left front TCS motor feedback current approximately the specified current?

10A

Go to Step 4

Go to Step 7

4

  1. Raise and support the vehicle with the drive wheels approximately 15 cm (6 inches) off the floor.
  2. Refer to Vehicle Lifting and Jacking in General Information.

  3. Verify that there is no downward pressure on the brake pedal.
  4. Select the left front TCS Motor Apply function on the Scan Tool .
  5. Use the Scan Tool in order to apply the left front TCS motor while observing the following currents:
  6. • The left front TCS motor command current
    • The left front TCS motor feedback current.

Were both the left front TCS motor command current and the left front TCS motor feedback current approximately the specified value?

8A

Go to Step 5

Go to Step 7

5

With the left front TCS motor still applied, have an assistant attempt to rotate the left front wheel.

Does the left front wheel rotate?

--

Go to Step 7

Go to Step 6

6

  1. Verify that there is no downward pressure on the brake pedal.
  2. Select the left front TCS Motor Release function on the Scan Tool .
  3. Use the Scan Tool in order to release the left front TCS motor.
  4. Have an assistant attempt to rotate the left front wheel.

Does the left front wheel rotate freely?

--

Go to Diagnostic Aids

Go to Step 7

7

  1. Turn the ignition switch to the OFF position.
  2. Disconnect the 4-way TCS motor pack connector.
  3. Disconnect the 8-way EBCM/EBTCM connector C3.
  4. Use the J 39200 in order to measure the resistance between the 4-way TCS motor pack connector terminal A and the 8-way EBCM/EBTCM connector C3 terminal H.

Is the resistance measured less than or equal to the specified resistance?

1.5 ohms

Go to Step 8

Go to Step 16

8

Use the J 39200 in order to measure the resistance between the 4-way TCS motor pack connector terminal B and the 8-way EBCM/EBTCM connector C3 terminal G.

Is the resistance measured equal to or less than the specified resistance?

1.5 ohms

Go to Step 9

Go to Step 17

9

Use the J 39200 in order to measure the resistance between the 4-way TCS motor pack connector terminal A and the 4-way TCS connector terminal B.

Is the resistance measured equal to or less than the specified resistance?

1.5 ohms

Go to Step 10

Go to Step 18

10

  1. Remove the TCS modulator/motor pack assembly from the vehicle. Refer to Traction Control System Modulator Gear Replacement
  2. Remove the TCS modulator gear cover.
  3. Inspect for a stripped TCS motor pack left front gear.
  4. • The TCS motor pack is the unit with the two small gears.
    • The TCS motor pack left front gear is the gear furthest rearward when the TCS modulator/motor pack assembly is mounted in the vehicle.

Is the TCS motor pack left front gear stripped?

--

Go to Step 18

Go to Step 11

11

Inspect for a stripped TCS modulator left front gear.

    • The TCS modulator is the unit with the two large gears.
    • The TCS modulator left front gear is the gear furthest rearward when the TCS modulator/motor pack assembly is mounted in the vehicle.

Is the TCS modulator left front gear stripped?

--

Go to Step 19

Go to Step 12

12

  1. Reconnect the 4-way TCS motor pack connector.
  2. Reconnect the 8-way EBCM/EBTCM connector C3.
  3. Secure the TCS modulator/motor pack assembly in the vehicle in a position that enables observation of the gears. Do not damage the gear set or allow the TCS modulator/motor pack assembly to move while testing.
  4. Turn the ignition switch to the RUN position.
  5. Do not start the engine.

  6. Select the Manual Control function on the Scan Tool .
  7. Select the left front TCS Motor Apply function on the Scan Tool .
  8. Use the Scan Tool in order to apply the left front TCS motor while observing the TCS modulator left front gear set.
  9. The TCS modulator left front gear is the gear furthest rearward when the TCS modulator/motor pack assembly is mounted in the vehicle.

  10. Select the left front TCS Motor Release function on the Scan Tool .
  11. Use the Scan Tool in order to release the left front TCS motor while observing the TCS modulator left front gear set.
  12. Select the left front TCS Motor Apply function on the Scan Tool .
  13. Use the Scan Tool in order to apply the left front TCS motor while observing the TCS modulator left front gear set.

Did the TCS modulator/motor pack assembly left front gear set move in both directions at least one full revolution?

--

Go to Step 13

Go to Step 18

13

  1. Turn the ignition switch to the OFF position.
  2. Separate the TCS motor pack from the TCS modulator.
  3. Grasp the TCS modulator left front gear.
  4. Rotate the TCS modulator left front gear.
  5. • The TCS modulator is the unit with two large gears.
    • The TCS modulator left front gear is the gear furthest rearward when the TCS modulator/motor pack assembly is mounted in the vehicle.

Does the TCS modulator left front gear rotate more than eight full turns lock to lock?

--

Go to Step 20

Go to Step 14

14

  1. Disconnect the 4-way TCS motor pack connector.
  2. Disconnect the 8-way EBCM/EBTCM connector C3.
  3. Inspect the following components for poor terminal contact or evidence of corrosion.
  4. • The 4-way TCS motor pack connector
    • The 8-way EBCM/EBTCM connector C3

Do any of the terminals exhibit poor terminal contact or evidence of corrosion?

--

Go to Step 21

Go to Step 15

15

  1. Reinstall the TCS modulator gear cover.
  2. Reinstall the TCS modulator/motor pack assembly in the vehicle.
  3. Reconnect the 4-way TCS motor pack connector.
  4. Reconnect the 8-way EBCM/EBTCM connector C3.
  5. Start the engine.
  6. Test drive the vehicle at a speed of at least 16 km/h (10 mph).
  7. Stop the vehicle.
  8. Turn the ignition switch to the OFF position.
  9. Repeat the test drive sequence two more times.
  10. Use the Scan Tool in order to read the DTCs.

Does DTC C1347 set in the last three drive cycles?

--

Go to Step 22

Go to Diagnostic Aids

16

Repair the open or the high resistance in CKT 564.

Is the repair complete?

--

Go to Diagnostic System Check

--

17

Repair the open or the high resistance in CKT 565.

Is the repair complete?

--

Go to Diagnostic System Check

--

18

Replace the TCS motor pack.

Is the repair complete?

--

Go to Diagnostic System Check

--

19

Replace the TCS modulator gear.

Is the repair complete?

--

Go to Diagnostic System Check

--

20

Replace the TCS modulator.

Is the repair complete?

--

Go to Diagnostic System Check

--

21

Replace the terminals that exhibit the following conditions:

    • Poor terminal contact
    • Terminal corrosion

Is the repair complete?

--

Go to Diagnostic System Check

--

22

Replace the EBCM/EBTCM.

Is the repair complete?

--

Go to Diagnostic System Check

--